GM Service Manual Online
For 1990-2009 cars only

Removal Procedure

    Notice: When removing body panels, apply tape to corners of panel and adjacent surfaces to help prevent paint damage.

  1. Open the hood and support the hood using a temporary support.
  2. Apply protective tape to the front edge of the front door and the rear edge of the front bumper fascia.
  3. Remove the wheelhouse liner. Refer to Front Wheelhouse Liner Replacement .
  4. Remove the lower fender reinforcement fasteners. Refer to Front Fender Lower Reinforcement Replacement .
  5. Remove the rocker panel molding. Refer to Rocker Panel Front Molding Replacement in Exterior Trim.

  6. Object Number: 1251384  Size: SH
  7. Remove the front fascia. Refer to Front Bumper Fascia Replacement in Bumpers.
  8. Remove the hood assist rod from the vehicle. Refer to Hood Hold-Open Rod Replacement .

  9. Object Number: 1251391  Size: SH
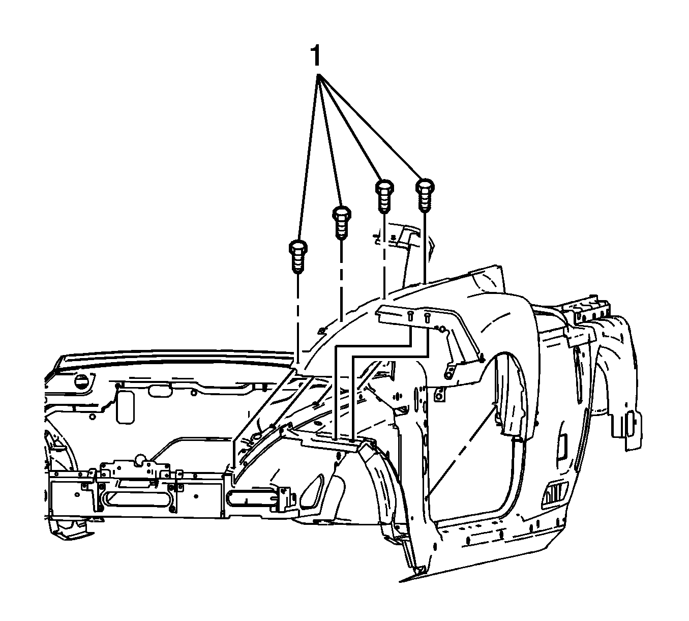
  10. Remove the fasteners that retain the fender to the fender extension bracket (1).

  11. Object Number: 1361909  Size: SH
  12. Remove the fasteners from the rear fender bracket.
  13. Remove the upper fender fasteners (1).
  14. Remove the fender from the vehicle.

Installation Procedure


    Object Number: 1251391  Size: SH
  1. Position the fender to the vehicle.
  2. Notice: Refer to Fastener Notice in the Preface section.


    Object Number: 1251384  Size: SH
  3. Install the upper fender fasteners (1). Hand tighten only.
  4. Tighten
    Tighten the bolts to 10 N·m (88 lb in).


    Object Number: 1361909  Size: SH
  5. Install the rear fender bracket fasteners. Hand tighten only.
  6. Install the fender extension bracket fasteners. Hand tighten only.
  7. Tighten all fasteners.
  8. Tighten
    Tighten all fasteners to 10 N·m (88 lb in).

  9. Install the hood assist rod to the vehicle. Refer to Hood Hold-Open Rod Replacement .
  10. Install the front fascia. Refer to Front Bumper Fascia Replacement in Bumpers.
  11. Install the lower fender reinforcement fasteners. Refer to Front Fender Lower Reinforcement Replacement .
  12. Install the rocker panel molding. Refer to Rocker Panel Front Molding Replacement in Exterior Trim.
  13. Install the wheelhouse panel. Refer to Front Wheelhouse Liner Replacement .
  14. Remove protective tape on the front edge of the front door and the rear edge of the front bumper fascia.
  15. Remove the temporary hood support and close the hood.