GM Service Manual Online
For 1990-2009 cars only
Makes
🢒
Chevrolet
🢒
2003
🢒
SSR
🢒
Body and Accessories
🢒
Doors
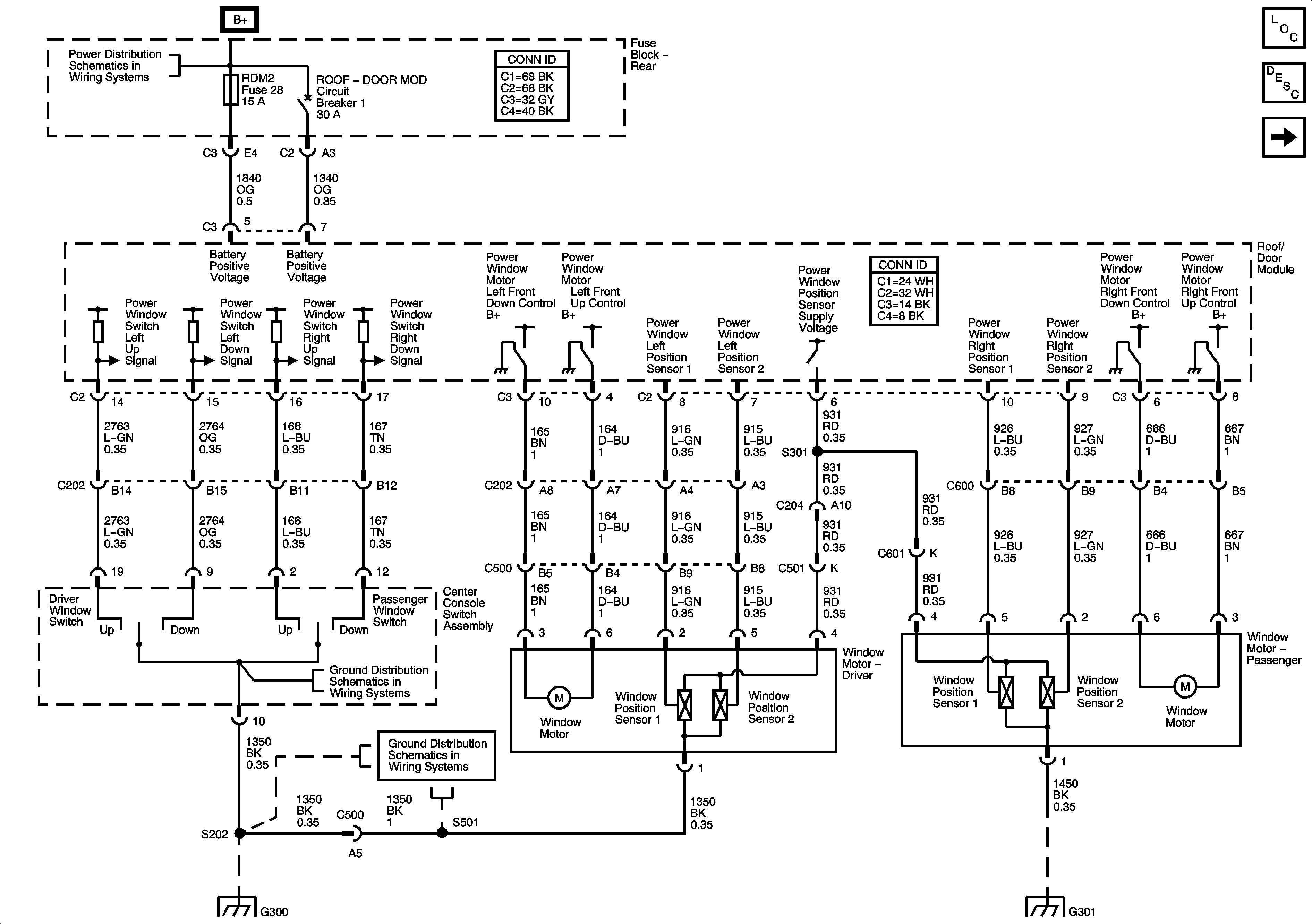
🢒 Power Window Schematics
Master Electrical Component List
Power Windows Description and Operation
B+ Bus - Fuse Block - Rear
G300
G300
G300
G301, G302