GM Service Manual Online
For 1990-2009 cars only
Figure 1:

Roof Panel and Lift Mechanism


Object Number: 1372322  Size: MH
(1)Weatherstrip Assembly - Front Panel
(2)Retainer - Front Panel Seal Assembly RH
(3)Panel Assembly - RF Front
(4)Seal - Lock Pillar Glass Run Channel - RH
(5)Retainer - Glass Run Channel B-Pillar RH
(6)Striker Assembly - Panel to Panel
(7)Panel Assembly - RF RR
(8)Window Assembly - F/Top RR
(9)Weatherstrip Assembly - RR Panel
(10)Latch Assembly - Panel LH
(11)Rail Assembly - Side LH
(12)Capture Assembly - Top Stack Down - LH
(13)Assembly - Alignment Pin LH
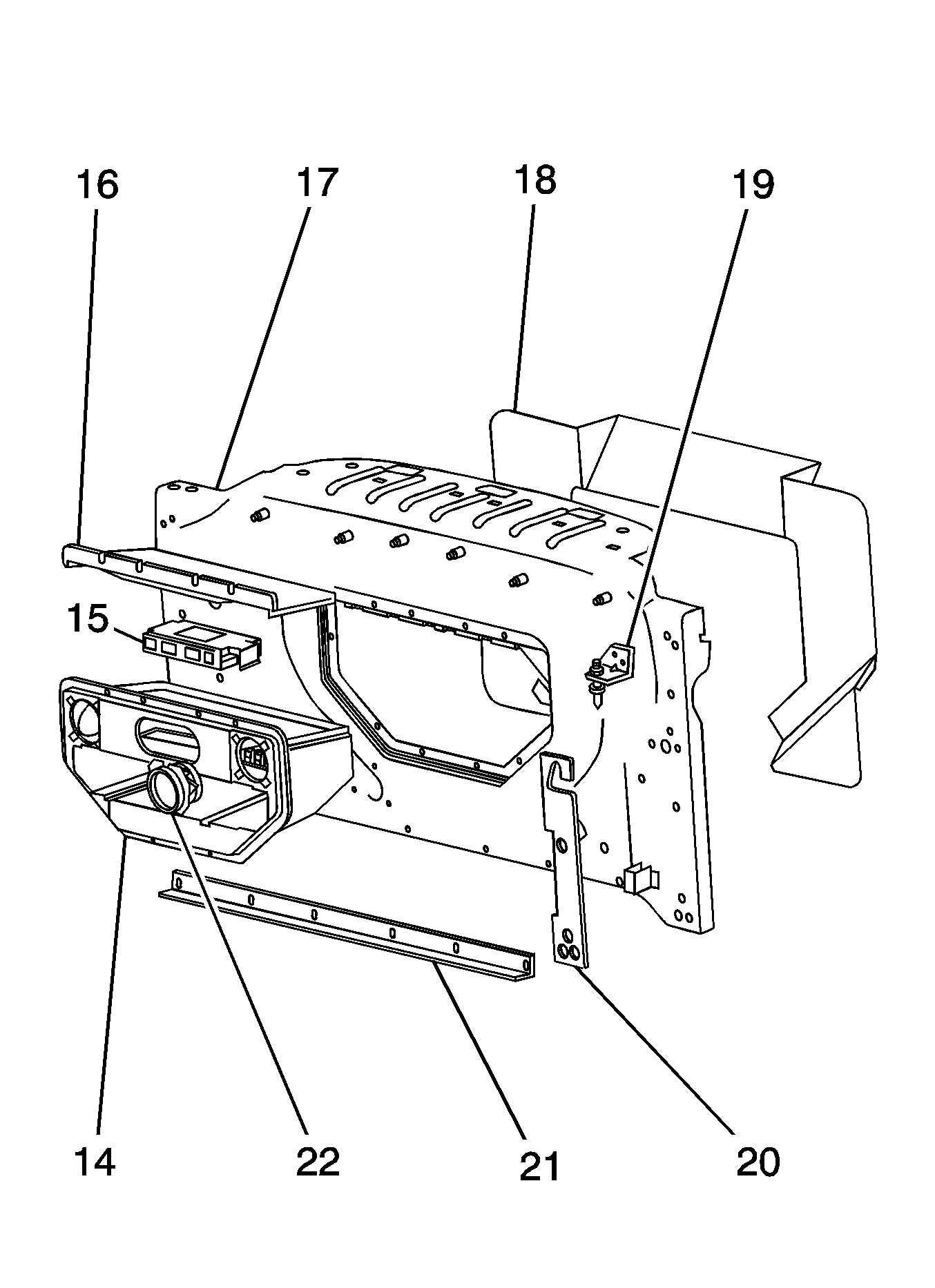
Figure 2:

Back Seat Body Panel


Object Number: 1372318  Size: MH
(14)Bin Assembly - Bulkhead
(15)Module Assembly - RF Retractable
(16)Lid - Bulkhead Bin
(17)Front Bulkhead Assembly - Primed
(18)Acoustic Insulation - Front Bulkhead
(19)Bracket Assembly - Front Bulkhead Locator LH
(20)Spacer Bulkhead - LH
(21)Floor Bracket Front Bulkhead
(22)Base Speaker - RDO 3.5 Inch
Figure 3:

Stowage Lid Hall Effect Sensor


Object Number: 1372324  Size: SH
(23)Cylinder - Tonneau Latch
Figure 4:

Hydraulic Pump and Hoses


Object Number: 1372325  Size: MH
(24)Cylinder - Top HYD Drive RH
(25)Cylinder Assembly - RF Retract PNL STOW COMPT LID LAT
(26)Cylinder Assembly - RF Retract STOW COMPT CLOSEOUT PNL ACTR
(27)Cylinder Assembly - RF Retract PNL STOW COMPT LID
(28)Defrost Wire - Backlite
(29)Hose Assembly - RF Retract PNL STOW COMPT CLSOUT PNL ACTR HYD
(30)Hose Assembly - RF Retract PNL STOW COMPT LID ACTR CYL HYD
(31)Hose Assembly - RF Retract PNL STOW COMPT LID LAT HYD
(32)Hose Set - Top HYD Drive CYL RH
(33)Hydraulic Motor Housing
(34)Strap - Motor Housing Cover
(35)Electro-HYD Pump Unit
(36)Bracket - Hydraulic System (part is POA to hydraulic system)
Figure 5:

Main Lift Cylinder Hall Effect Sensors


Object Number: 1372326  Size: SH
(37)Hall Effect Sensor - Top HYD Drive Cyl
Figure 6:

Stowage Lid Extension Panel Hall Effect Sensors


Object Number: 1372327  Size: SH
(38)Hall Sensor - Flipper Door Cylinder
Figure 7:

Stowage Lid and Extension Panel


Object Number: 1372329  Size: MH
(39)Panel Assembly - Flipper Door Primed
(40)Hinge Assembly - Flipper Door RH
(41)Panel Assembly - Roof Tonneau (retractable roof stowage compartment lid)
(42)Weatherstrip - Tonneau
(43)Striker Assembly - Tonneau Latch RH
(44)Closeout - Tonneau Hinge RH
(45)Hinge Assembly - Tonneau/Body Attach LH
(46)Latch Assembly - Tonneau LH
(47)CO Closeout Tonneau Latch LH
(48)Nut Plate - Bin Box Attach