GM Service Manual Online
For 1990-2009 cars only
Makes
🢒
Chevrolet
🢒
2003
🢒
SSR
🢒
Body and Accessories
🢒
Seats
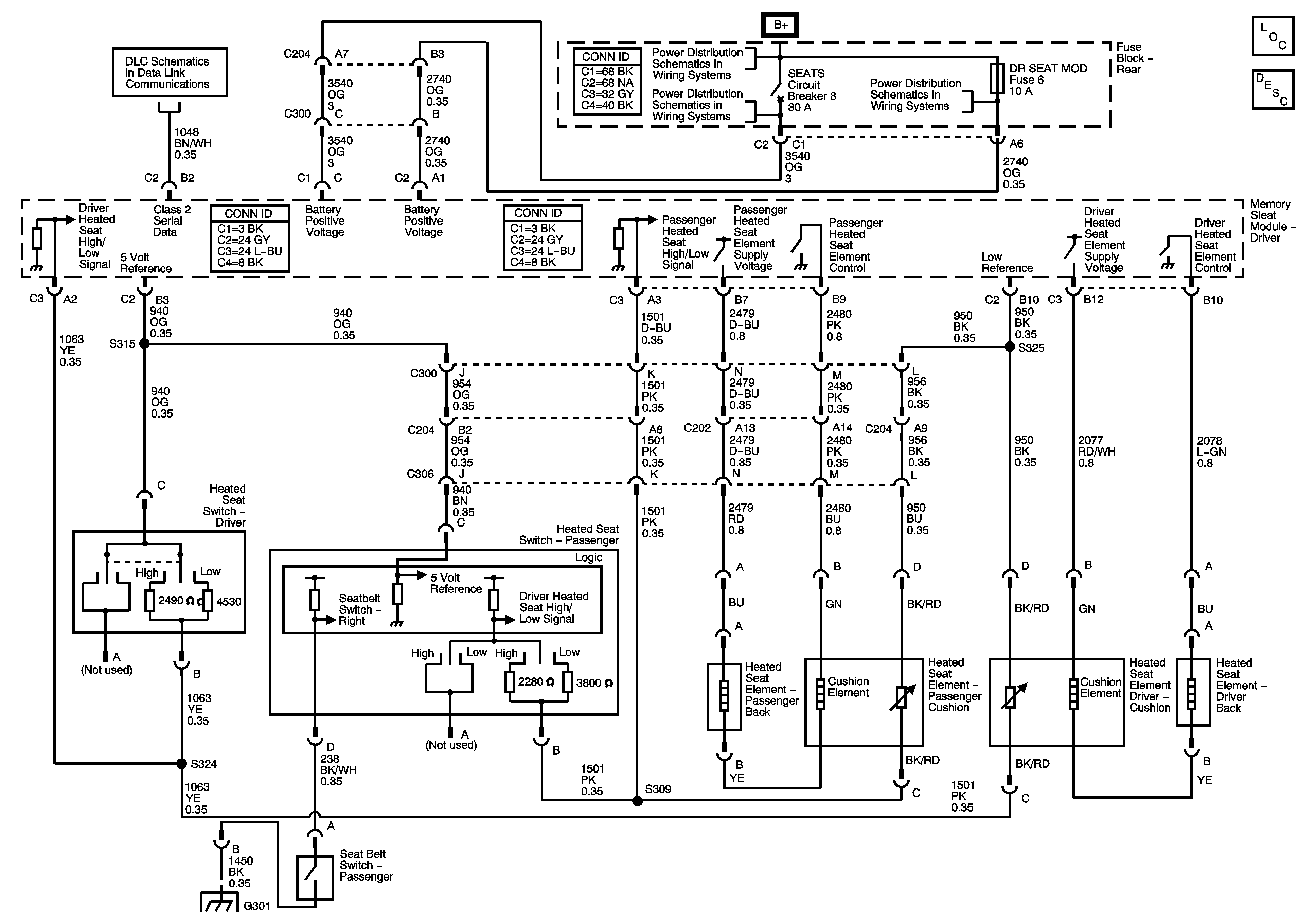
🢒 Heated Seats Schematics
Master Electrical Component List
Heated Seats Description and Operation
Data Link Connector (DLC) Schematics
B+ Bus - Fuse Block - Rear
LR PRK, RR PRK, F/PRK and TR PRK Fuses, and SEATS Circuit Breaker
DR SEAT MOD, UGDO, R/DEFG, DEFG CONT, RDO and HVAC B DD UNLOCK Fuses
G301, G302