GM Service Manual Online
For 1990-2009 cars only
Makes
🢒
Chevrolet
🢒
2003
🢒
SSR
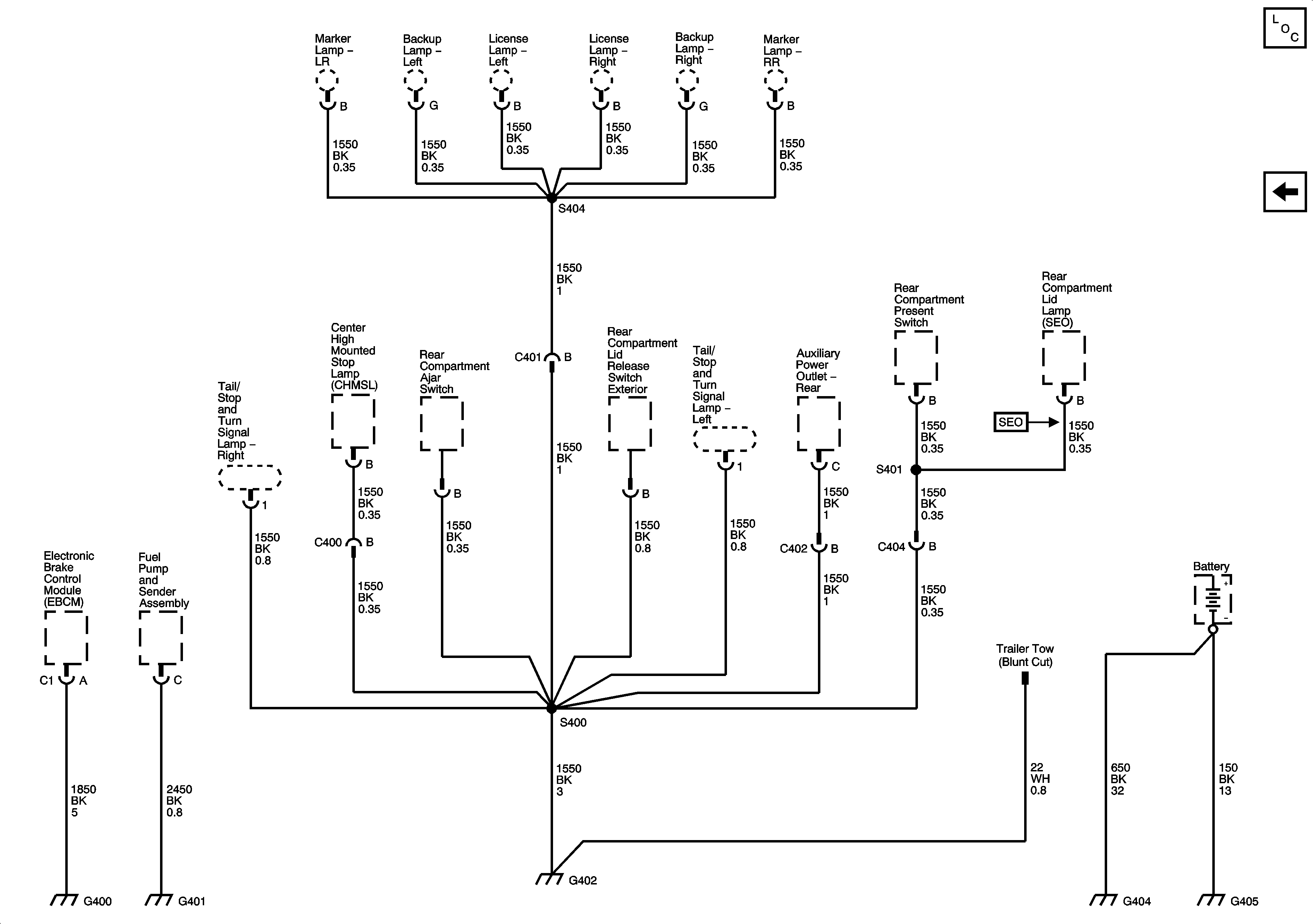
🢒 G400, G401, G402, G403, G404, G405
G400, G401, G402, G403, G404, G405
G400, G401, G402, G403, G404, G405
Master Electrical Component List
G301, G302