GM Service Manual Online
For 1990-2009 cars only
Makes
🢒
Chevrolet
🢒
2003
🢒
SSR
🢒 Automatic Transmission Shift Lock Control Schematics
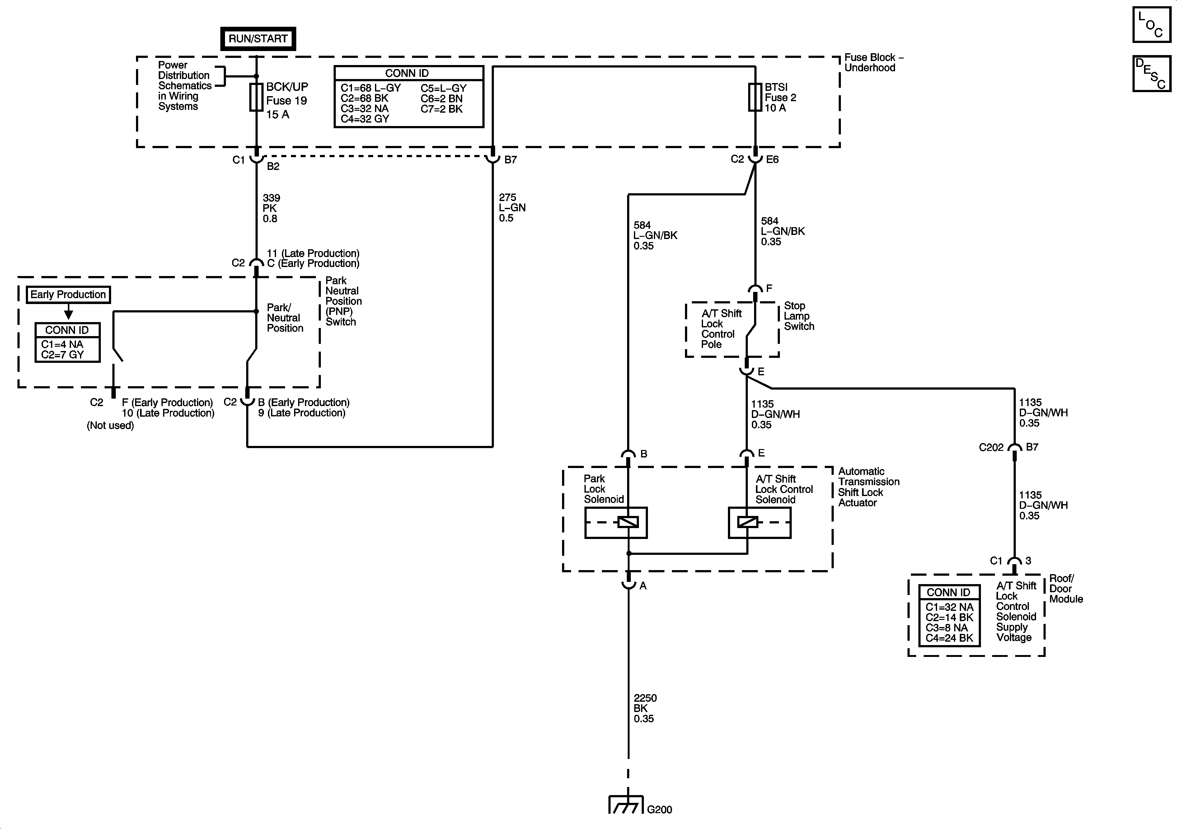
Automatic Transmission Shift Lock Control Schematics
Master Electrical Component List
Automatic Transmission Shift Lock Control Description and Operation
ACCY/RUN and RUN/START BUS BAR
G200