GM Service Manual Online
For 1990-2009 cars only
Makes
🢒
Chevrolet
🢒
2003
🢒
SSR
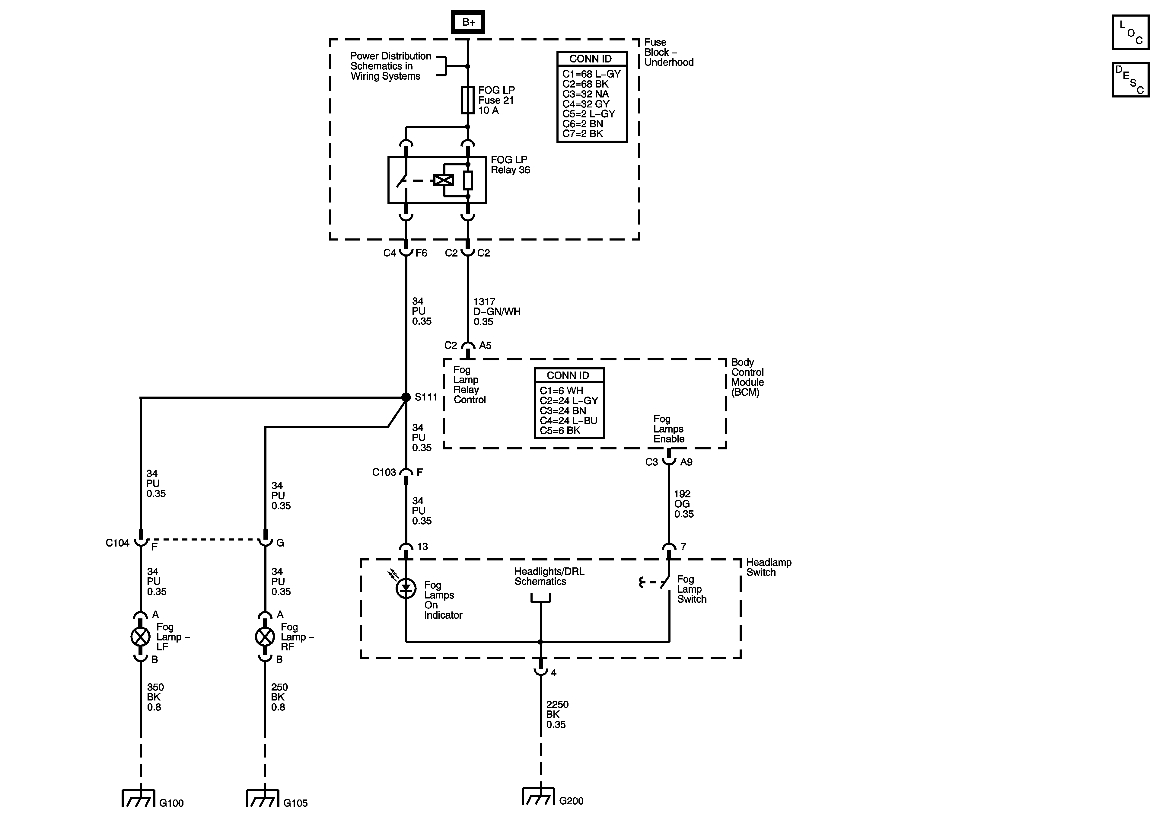
🢒 Fog Lights Schematics
Fog Lights Schematics
Master Electrical Component List
Exterior Lighting Systems Description and Operation
B+ BUS - Fuse Block Underhood
Headlamp and Headlamp Dimmer Switch Control
G100, G102
G105
G200