GM Service Manual Online
For 1990-2009 cars only
Figure 1:

G100, G102


Object Number: 1154940  Size: FS
Master Electrical Component List
G101
Figure 2:

G101


Object Number: 1404585  Size: FS
Master Electrical Component List
G103, G104
G100, G102
Figure 3:

G103, G104


Object Number: 1428257  Size: FS
Master Electrical Component List
G105
G101
Figure 4:

G105


Object Number: 1155179  Size: FS
Master Electrical Component List
G200
G103, G104
Figure 5:

G200


Object Number: 1155254  Size: FS
Master Electrical Component List
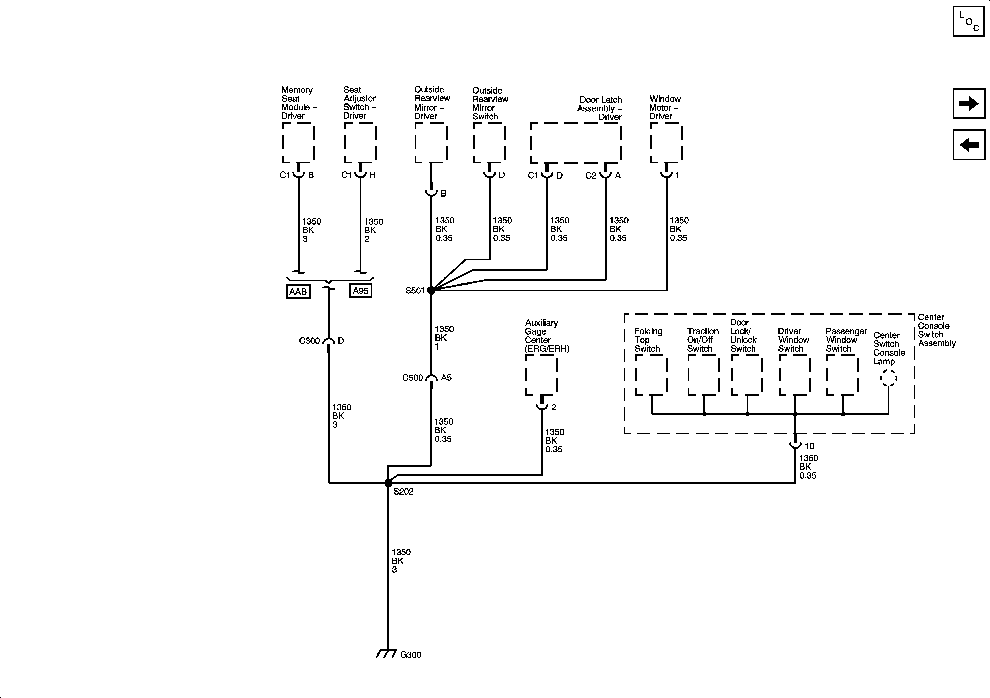
G300
G105
Figure 6:

G300


Object Number: 1420155  Size: FS
Master Electrical Component List
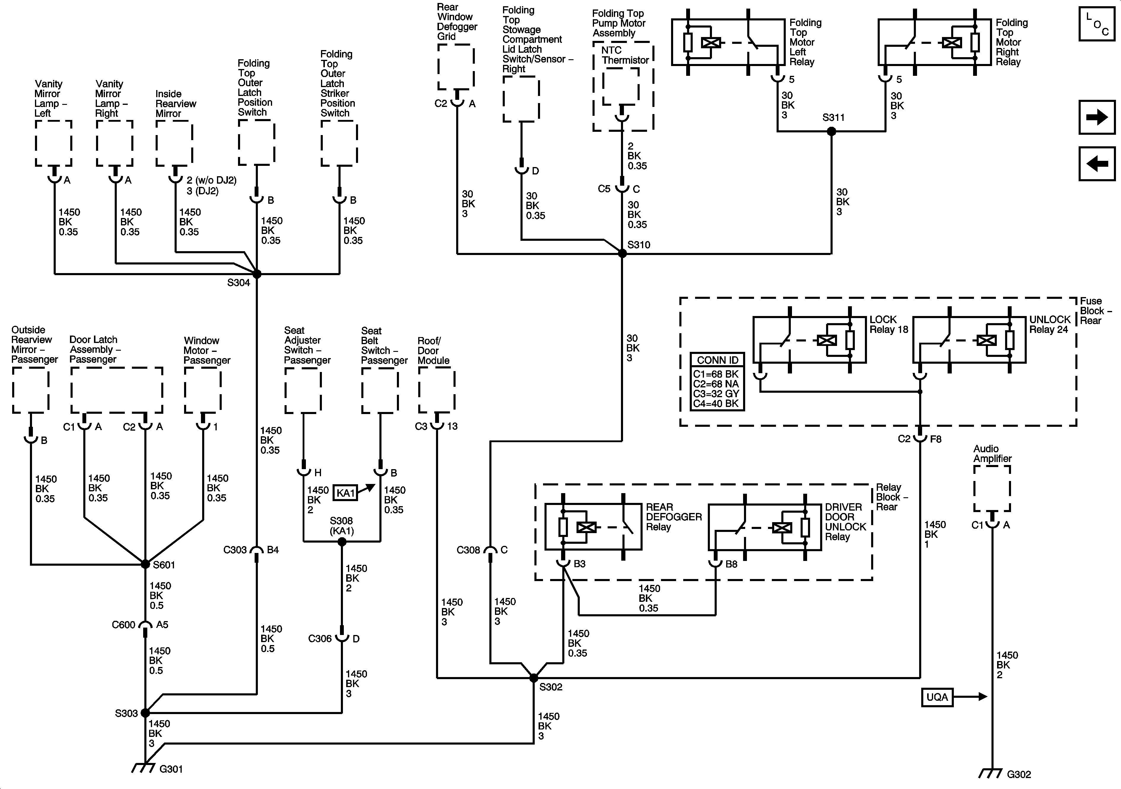
G301, G302
G200
Figure 7:

G301, G302


Object Number: 1420159  Size: FS
Master Electrical Component List
G400, G401, G402, G402, G404, G405
G300
Figure 8:

G400, G401, G402, G403, G404, G405


Object Number: 1420161  Size: FS
Master Electrical Component List
G301, G302