GM Service Manual Online
For 1990-2009 cars only
Makes
🢒
Chevrolet
🢒
2004
🢒
SSR
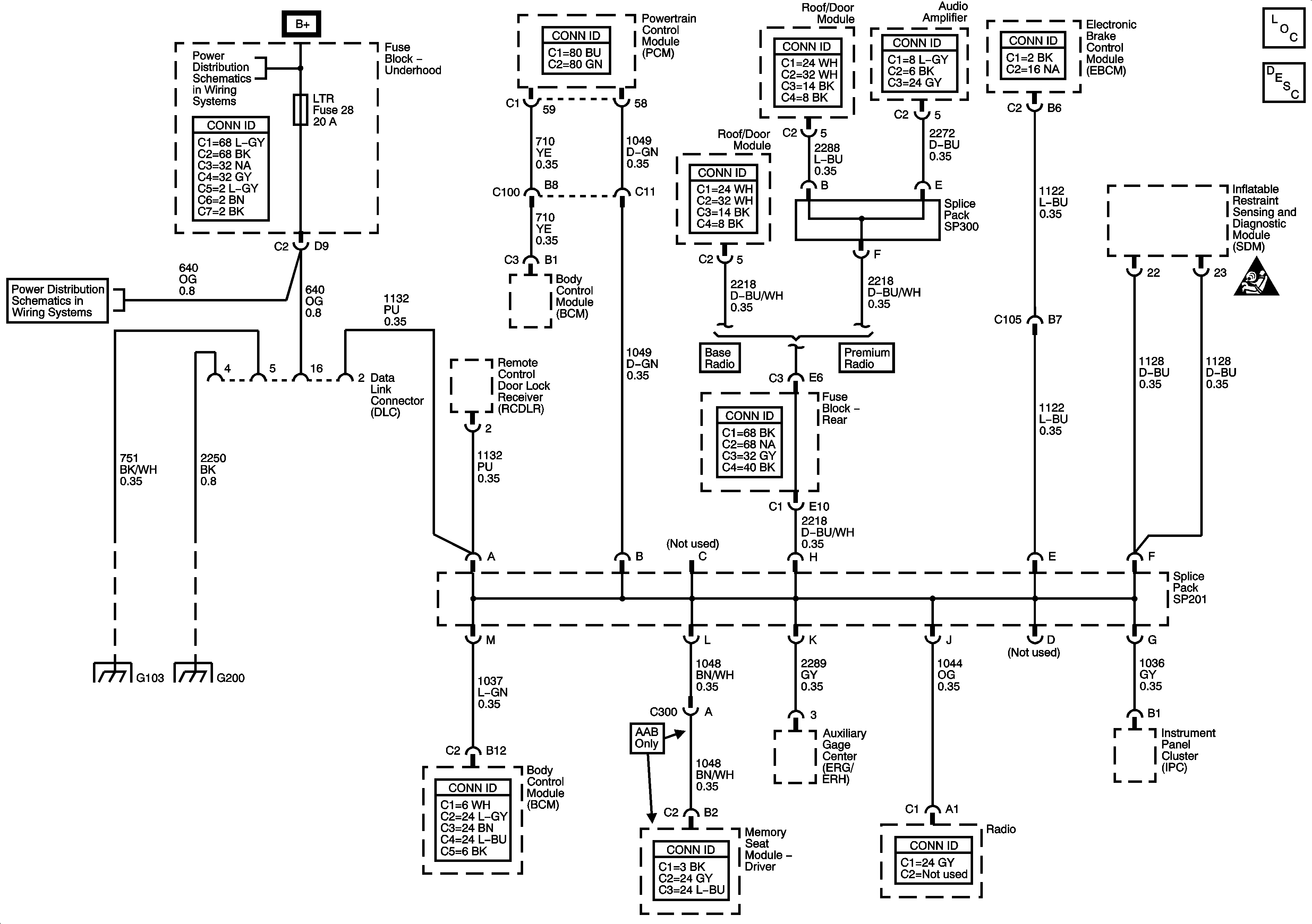
🢒 Data Link Connector
Data Link Connector
Master Electrical Component List
Data Link Communications Description and Operation
ENG, GLN FAN, ABS, BLWR, LTR, ST/LP Fuses
B+ Bus - Fuse Block Underhood
SIR Caution for Zoning
G103, G104
G200