GM Service Manual Online
For 1990-2009 cars only
Makes
🢒
Chevrolet
🢒
2004
🢒
SSR
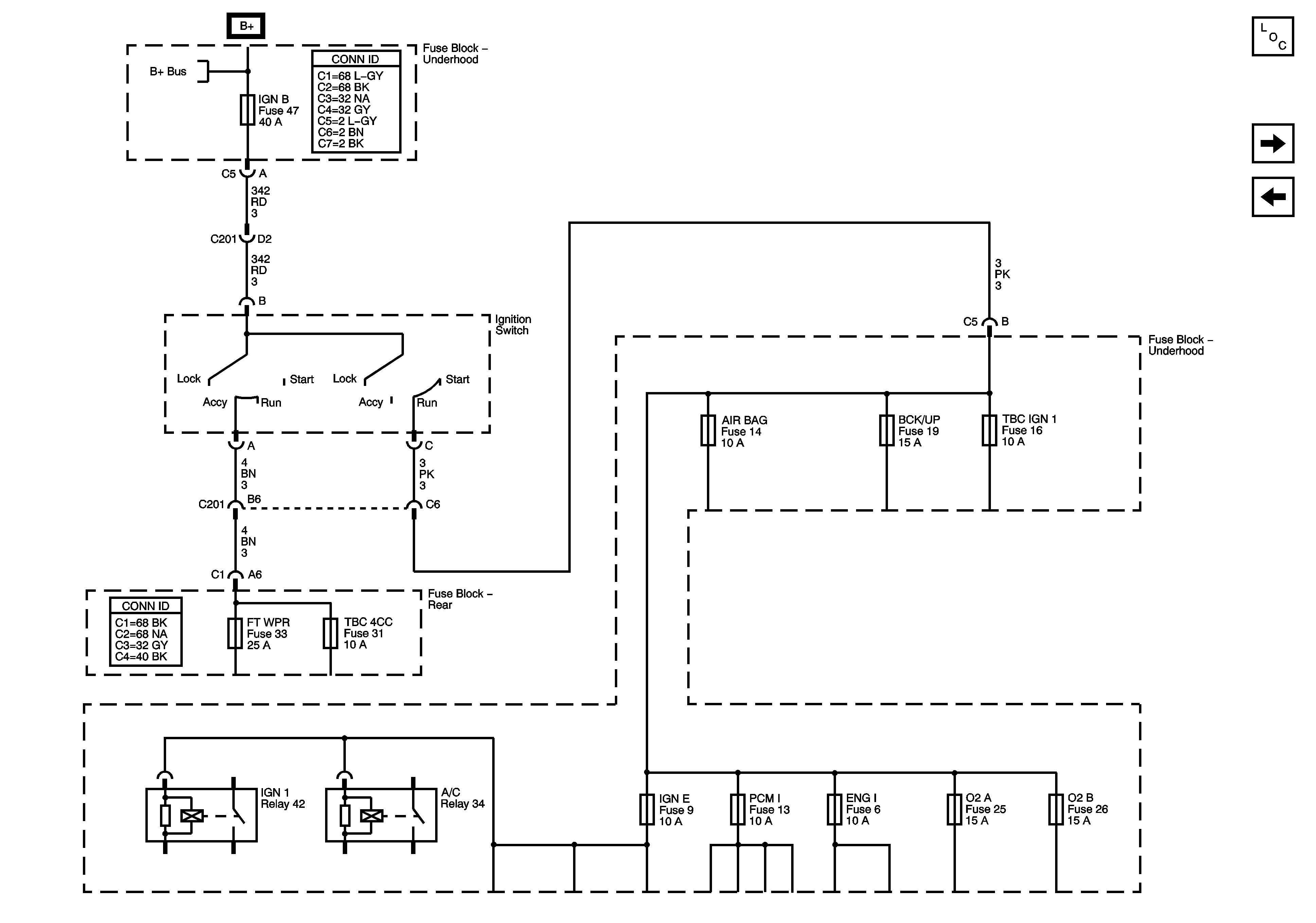
🢒 ACCY/RUN and RUN/START Bus Bar
ACCY/RUN and RUN/START Bus Bar
ACCY/RUN and RUN/START Bus Bars
Master Electrical Component List
COILS, CANISTER, IPC/DIC, FLASH, TBC1 and PCMB Fuses
ACCY/RUN/START, RUN and START Bus Bars
B+ Bus - Fuse Block Underhood