GM Service Manual Online
For 1990-2009 cars only
Makes
🢒
Chevrolet
🢒
2004
🢒
SSR
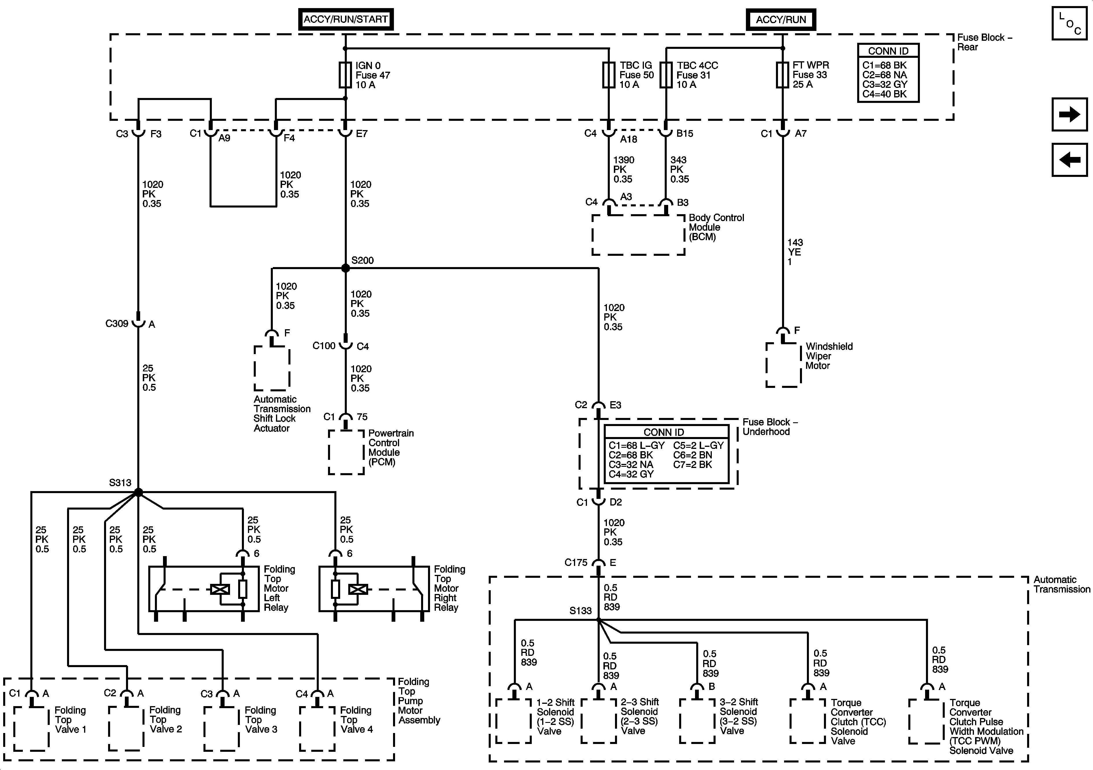
🢒 IGN0, TBCIG, TBC 4CC, FT WPR Fuses
IGN0, TBCIG, TBC 4CC, FT WPR Fuses
IGN 0, TBC IG, TBC 4CC and FT WPR Fuses
Master Electrical Component List
IGN E, TBC IGN 1, BCK/UP and BTSI
L-ST/TRN, R-ST/TRN, L-TURN and R-TURN