GM Service Manual Online
For 1990-2009 cars only

Removal Procedure


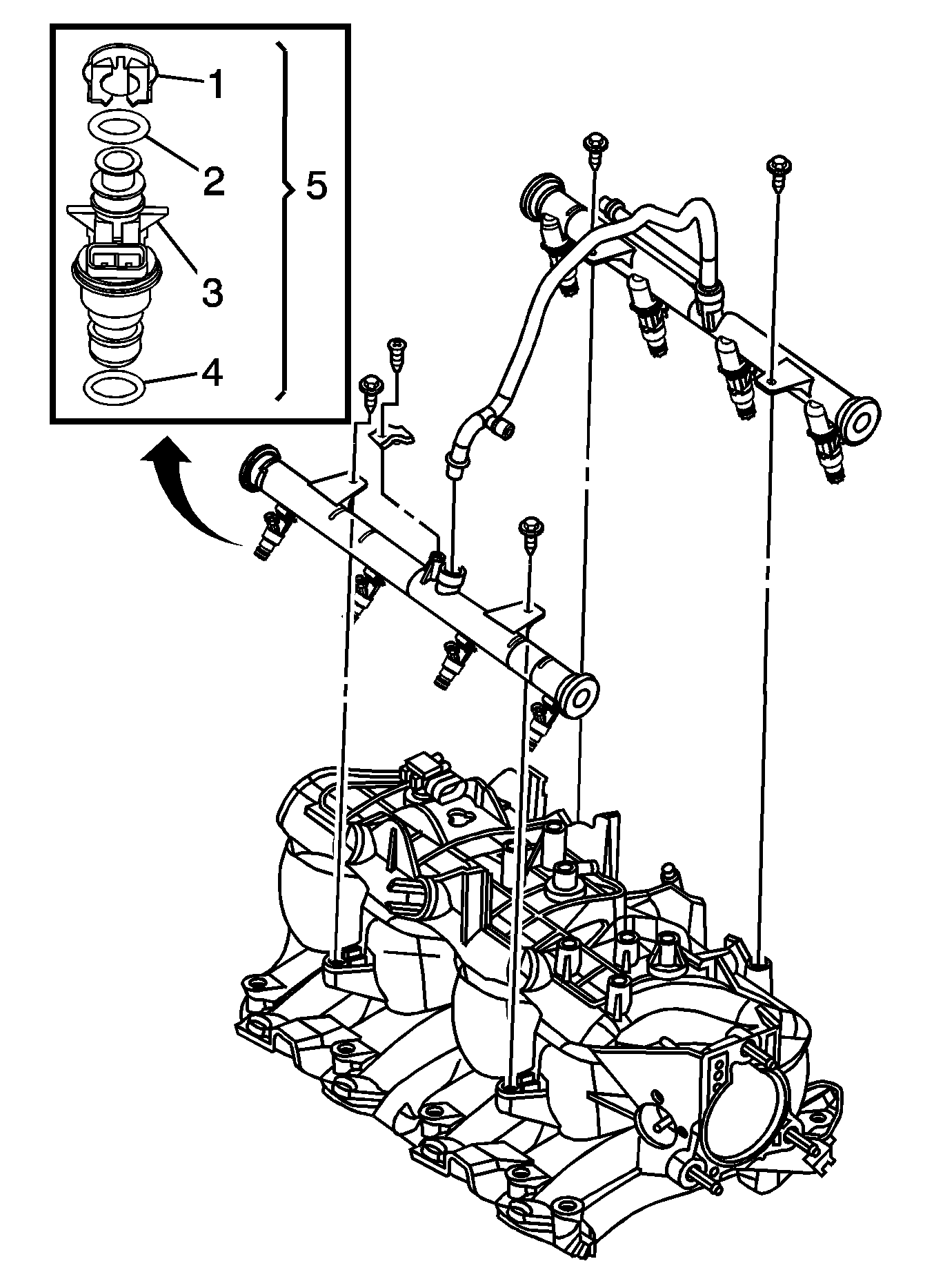
    Object Number: 1531025  Size: MH
  1. Remove the fuel rail assembly. Refer to Fuel Injection Fuel Rail Assembly Replacement .
  2. Remove the retaining clip (1) for the fuel injector (3).
  3. Remove the fuel injector assembly (5) from the fuel rail.
  4. Remove and discard the old O-rings (2) and (5). DO NOT reuse, use NEW ONLY.

Installation Procedure


    Object Number: 1531025  Size: MH
  1. Install the NEW O-rings (2) and (4) on the fuel injector (3).
  2. Apply a small amount of clean motor oil on the O-rings (2) and (4).
  3. Position the fuel injector (3) in the fuel rail.
  4. Install the retaining clip (1) for the fuel injector (3).
  5. Install the fuel rail assembly. Refer to Fuel Injection Fuel Rail Assembly Replacement .