GM Service Manual Online
For 1990-2009 cars only

Removal Procedure


    Object Number: 1231427  Size: SH
  1. Remove the engine sight shield and mounting bracket. Refer to Upper Intake Manifold Sight Shield Replacement in Engine Mechanical - 6.0L.

  2. Object Number: 1491729  Size: SH
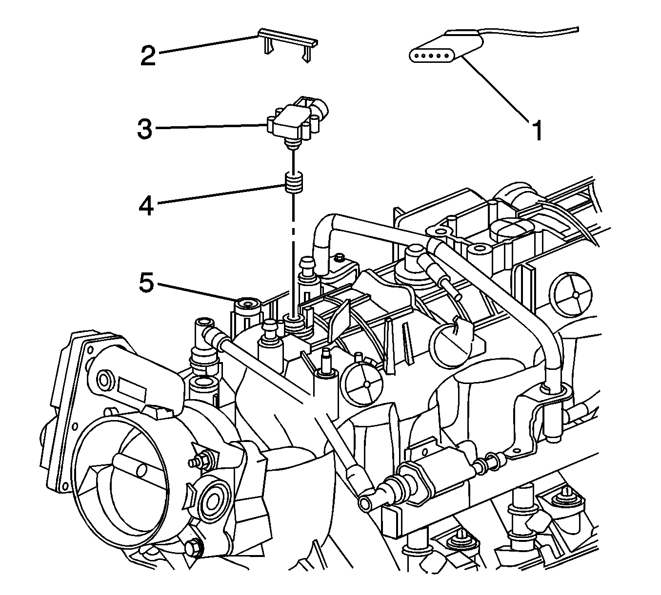
  3. Remove the electrical connector (1).
  4. Remove the retaining clip (2) for the manifold absolute pressure (MAP) (3) sensor.
  5. Remove the MAP sensor (3) and seal (4) from the intake manifold (5).

Installation Procedure


    Object Number: 1491729  Size: SH
  1. Install the MAP sensor (3) and the seal (4) in the intake manifold (5).
  2. Install the retaining clip (2) for the MAP sensor (3).
  3. Install the electrical connector (1).

  4. Object Number: 1231427  Size: SH
  5. Install the engine sight shield and the mounting bracket. Refer to Upper Intake Manifold Sight Shield Replacement in Engine Mechanical - 6.0L.