GM Service Manual Online
For 1990-2009 cars only
Figure 1:

B+ BUS - Underhood Fuse Block


Object Number: 1458186  Size: FS
Master Electrical Component List
Control Module References
B+ Bus - Rear Fuse Block
Figure 2:

B+ BUS - Rear Fuse Block


Object Number: 1458202  Size: FS
Master Electrical Component List
Control Module References
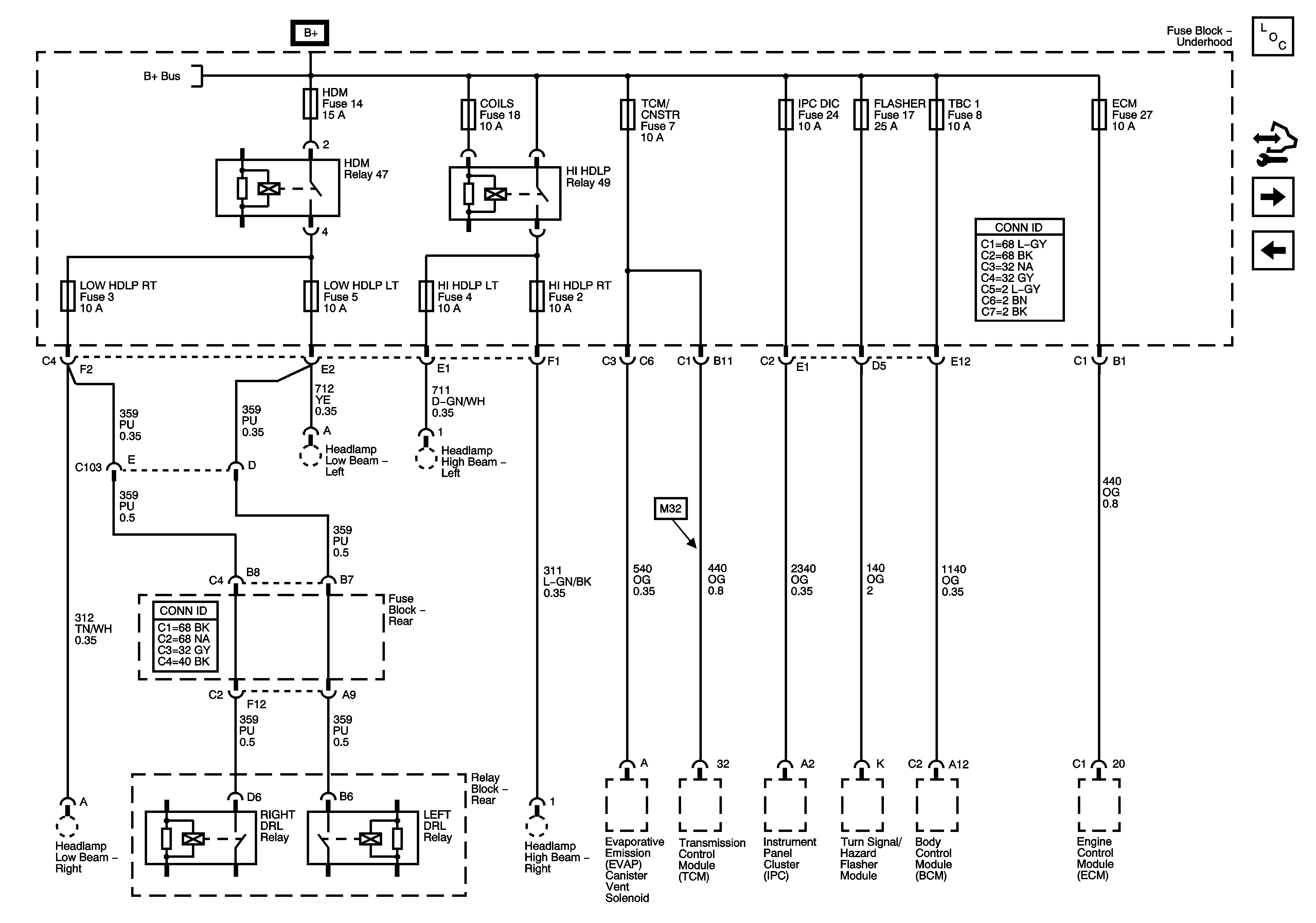
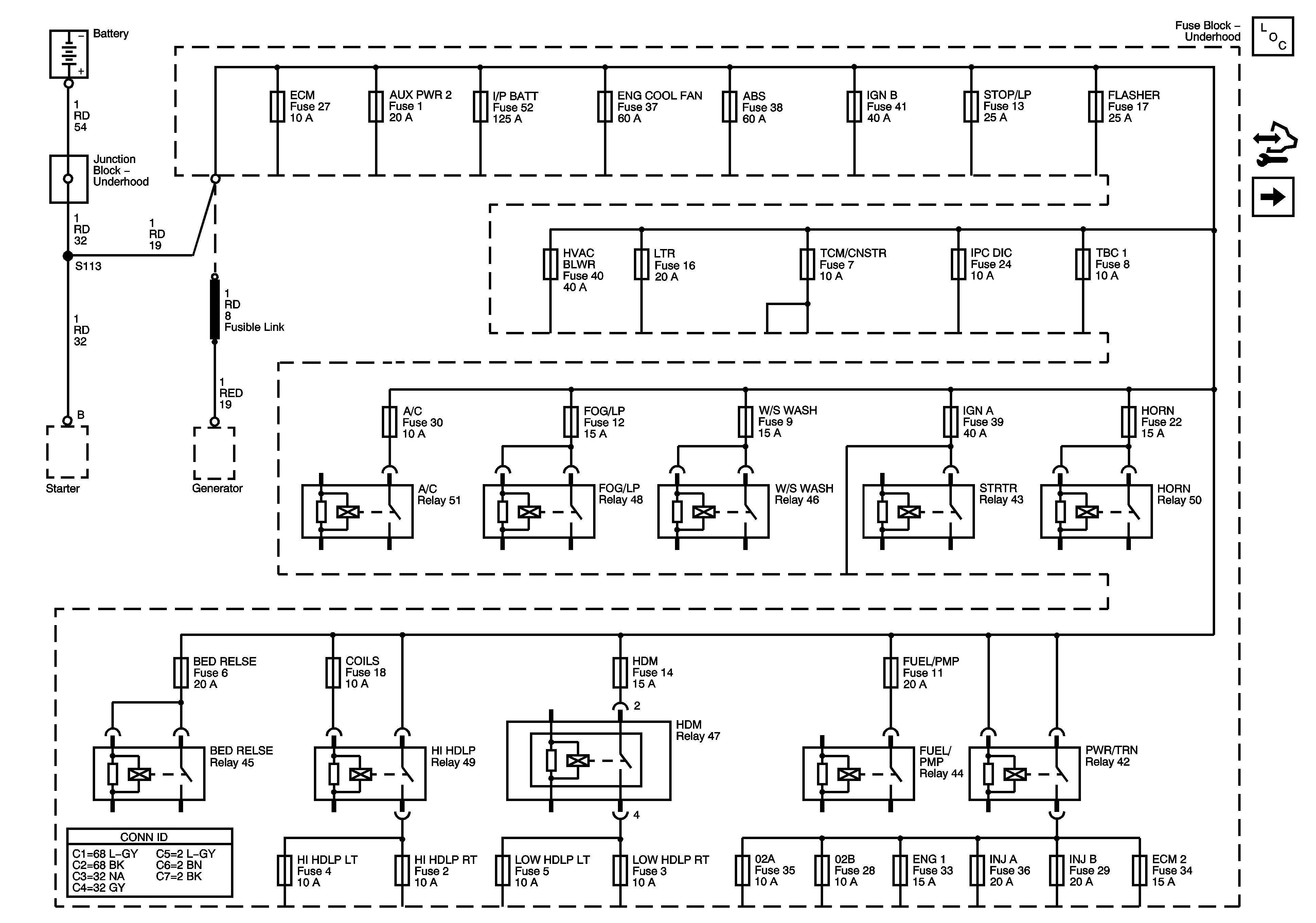
COILS, ECM, FLASHER, HDM, HI HDLP LT, HI HDLP RT, IPC DIC, LOW HDLP LT, LOW HDLP RT, TBC 1, and TCM/CNSTR Fuses
B+ Bus Underhood Fuse Block
B+ Bus Underhood Fuse Block
Figure 3:

COILS, ECM, FLASHER, HDM, HI HDLP LT, HI HDLP RT, IPC DIC, LOW HDLP LT, LOW HDLP RT, TBC 1, and TCM/CNSTR Fuses


Object Number: 1458230  Size: FS
Master Electrical Component List
Control Module References
ABS, AUX PWR 2, ENG COOL FAN, HVAC BLWR, LTR, STOP, STOP/LP, and VEH CHMSL Fuses
B+ Bus - Rear Fuse Block
B+ Bus Underhood Fuse Block
Figure 4:

ABS, AUX PWR 2, ENG COOL FAN, HVAC BLWR, LTR, STOP, STOP/LP, and VEH CHMSL Fuses


Object Number: 1458236  Size: FS
Master Electrical Component List
Control Module References
DEFG CONT, DR SEAT MOD, HVAC B DD UNLOCK, R/DEFG, RDO, and UGDO Fuses
COILS, ECM, FLASHER, HDM, HI HDLP LT, HI HDLP RT, IPC DIC, LOW HDLP LT, LOW HDLP RT, TBC 1, and TCM/CNSTR Fuses
B+ Bus Underhood Fuse Block
Figure 5:

DEFG CONT, DR SEAT MOD, HVAC B DD UNLOCK, R/DEFG, RDO, and UGDO Fuses


Object Number: 1458246  Size: FS
Master Electrical Component List
Control Module References
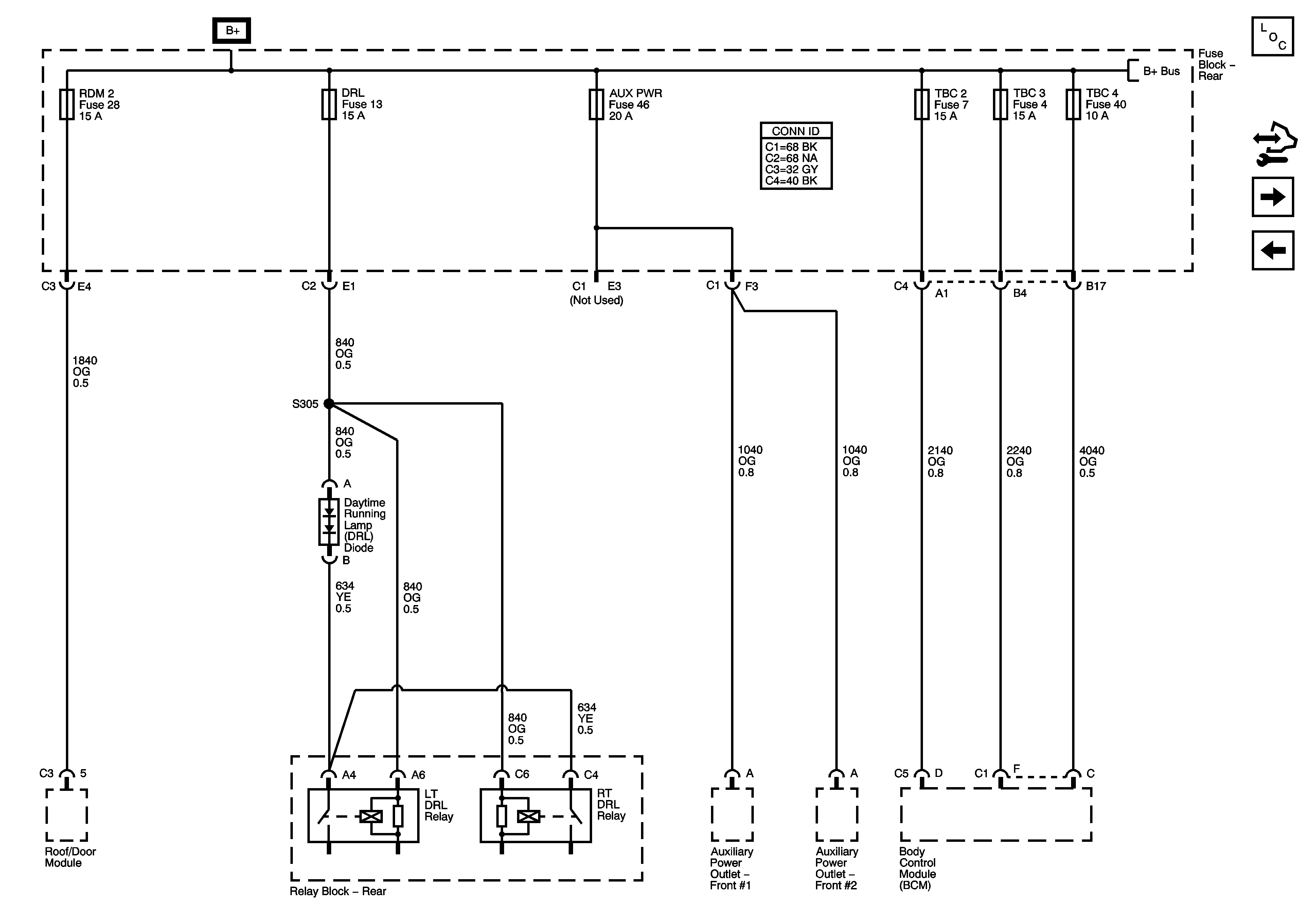
AUX PWR, DRL, RDM 2, TBC2,TBC3 and TBC4 Fuses
ABS, AUX PWR 2, ENG COOL FAN, HVAC BLWR, LTR, STOP, STOP/LP, and VEH CHMSL Fuses
B+ Bus - Rear Fuse Block
Figure 6:

AUX PWR, DRL, RDM 2, TBC 2, TBC 3, and TBC 4 Fuses


Object Number: 1458250  Size: FS
Master Electrical Component List
Control Module References
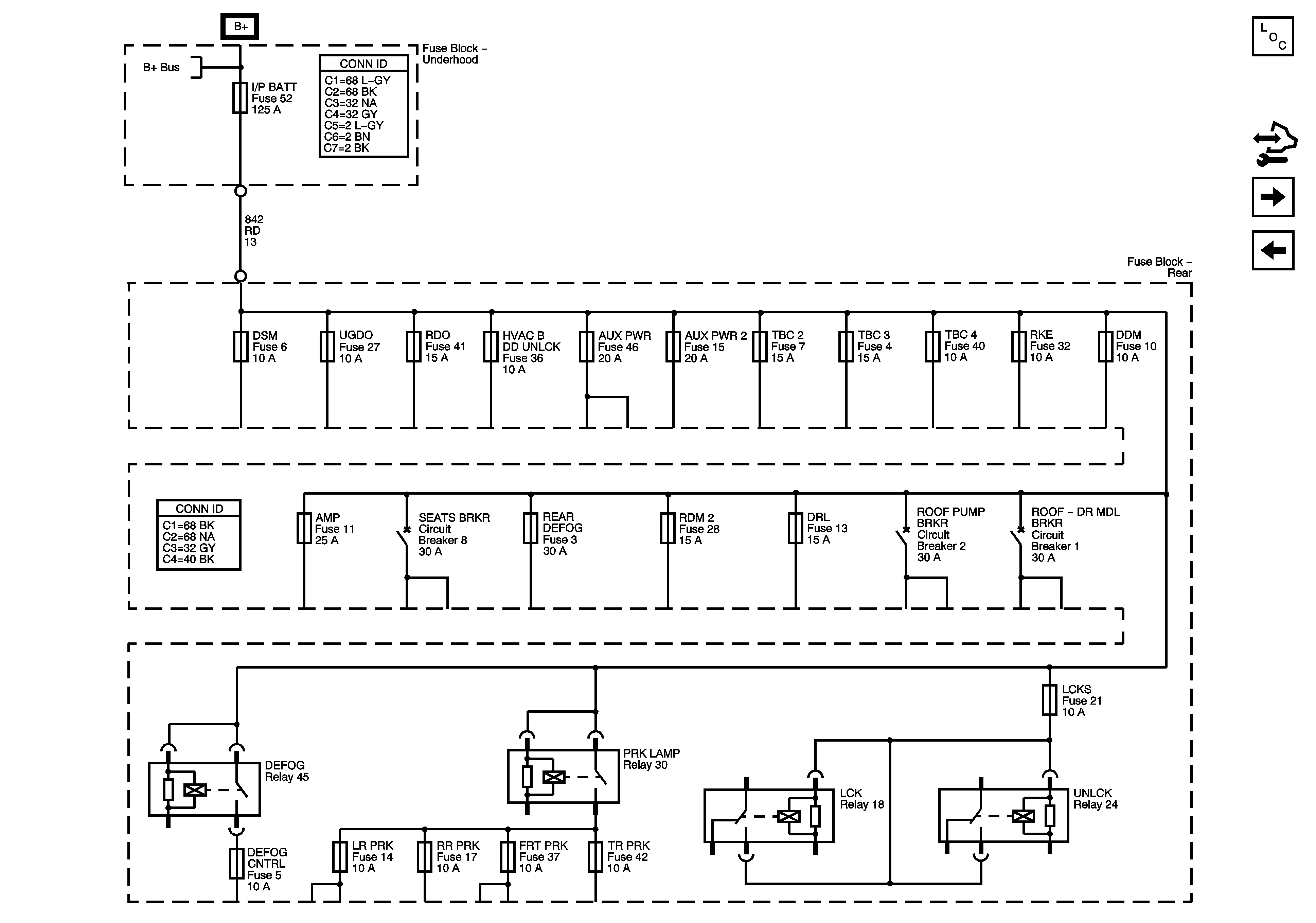
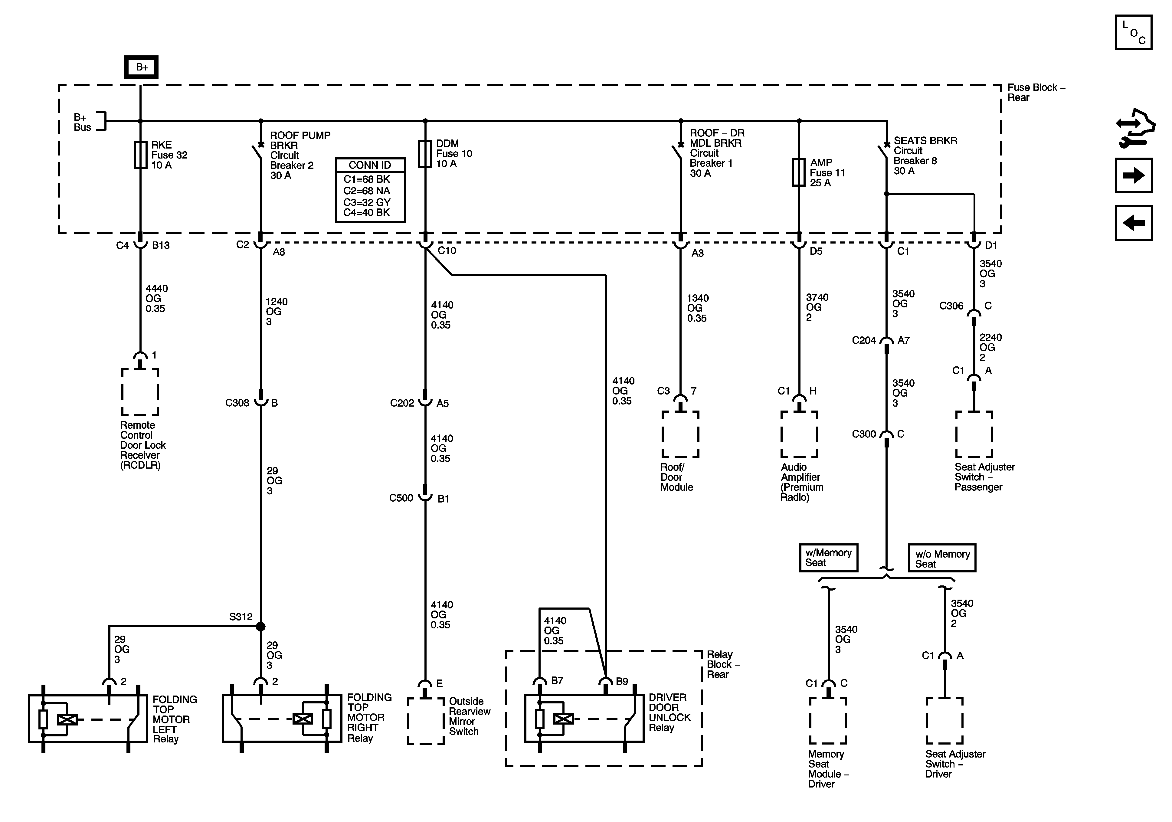
AMP, DDM, RKE Fuses, and ROOF-DOOR MOD, ROOF-PUMP, and SEATSCircuit Breakers
DEFG CONT, DR SEAT MOD, HVAC B DD UNLOCK, R/DEFG, RDO, and UGDO Fuses
B+ Bus - Rear Fuse Block
Figure 7:

AMP, DDM, and RKE Fuses, and ROOF-DOOR MOD, ROOF-PUMP, and SEATS Circuit Breakers


Object Number: 1458255  Size: FS
Master Electrical Component List
Control Module References
Ignition Switch - ACCY/RUN/START,RUN and START Bus Bars, CRNK and IGN A Fuses
AUX PWR, DRL, RDM 2, TBC2,TBC3 and TBC4 Fuses
B+ Bus - Rear Fuse Block
Figure 8:

Ignition Switch - ACCY/RUN/START, RUN, and START Bus Bars, CRNK and IGN A Fuses


Object Number: 1458213  Size: FS
Master Electrical Component List
Control Module References
Ignition Switch - ACCY/RUN and RUN/START Bus Bar and IGN B Fuse
AMP, DDM, RKE Fuses, and ROOF-DOOR MOD, ROOF-PUMP, and SEATSCircuit Breakers
B+ Bus Underhood Fuse Block
Figure 9:

Ignition Switch - ACCY/RUN and RUN/START Bus Bars, and IGN B Fuse


Object Number: 1458227  Size: FS
Master Electrical Component List
Control Module References
IGN0, TBC IG, TBC 4CC, FT WPR Fuses
Ignition Switch - ACCY/RUN/START,RUN and START Bus Bars, CRNK and IGN A Fuses
B+ Bus Underhood Fuse Block
Figure 10:

IGN 0, TBC IG, TBC 4CC and FT WPR Fuses


Object Number: 1458355  Size: FS
Master Electrical Component List
Control Module References
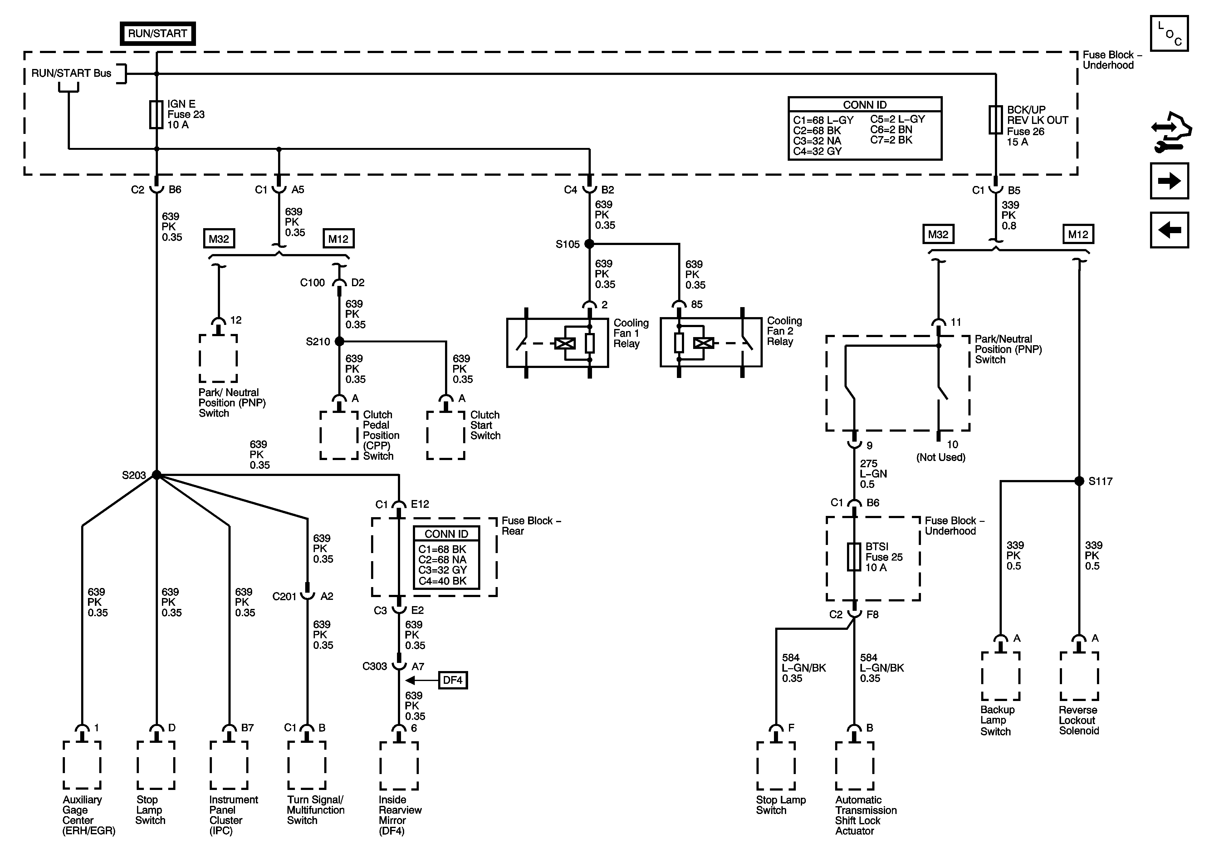
BCK/UP REV LK OUT, BTSI, and IGN E Fuses
Ignition Switch - ACCY/RUN and RUN/START Bus Bar and IGN B Fuse
Figure 11:

BCK/UP REV LK OUT, BTSI, and IGN E Fuses


Object Number: 1458356  Size: FS
Master Electrical Component List
Control Module References
AIRBAG, ECM 1/TCM, TCB IGN 1, and TRANS Fuses
IGN0, TBC IG, TBC 4CC, FT WPR Fuses
Ignition Switch - ACCY/RUN and RUN/START Bus Bar and IGN B Fuse
Figure 12:

AIRBAG, ECM 1/TCM, TCB IGN 1, and TRANS Fuses


Object Number: 1458357  Size: FS
Master Electrical Component List
Control Module References
BRK and HVAC I Fuses
BCK/UP REV LK OUT, BTSI, and IGN E Fuses
Ignition Switch - ACCY/RUN and RUN/START Bus Bar and IGN B Fuse
SIR Caution for Zoning
Figure 13:

BRK, and HVAC I Fuses


Object Number: 1458358  Size: FS
Master Electrical Component List
Control Module References
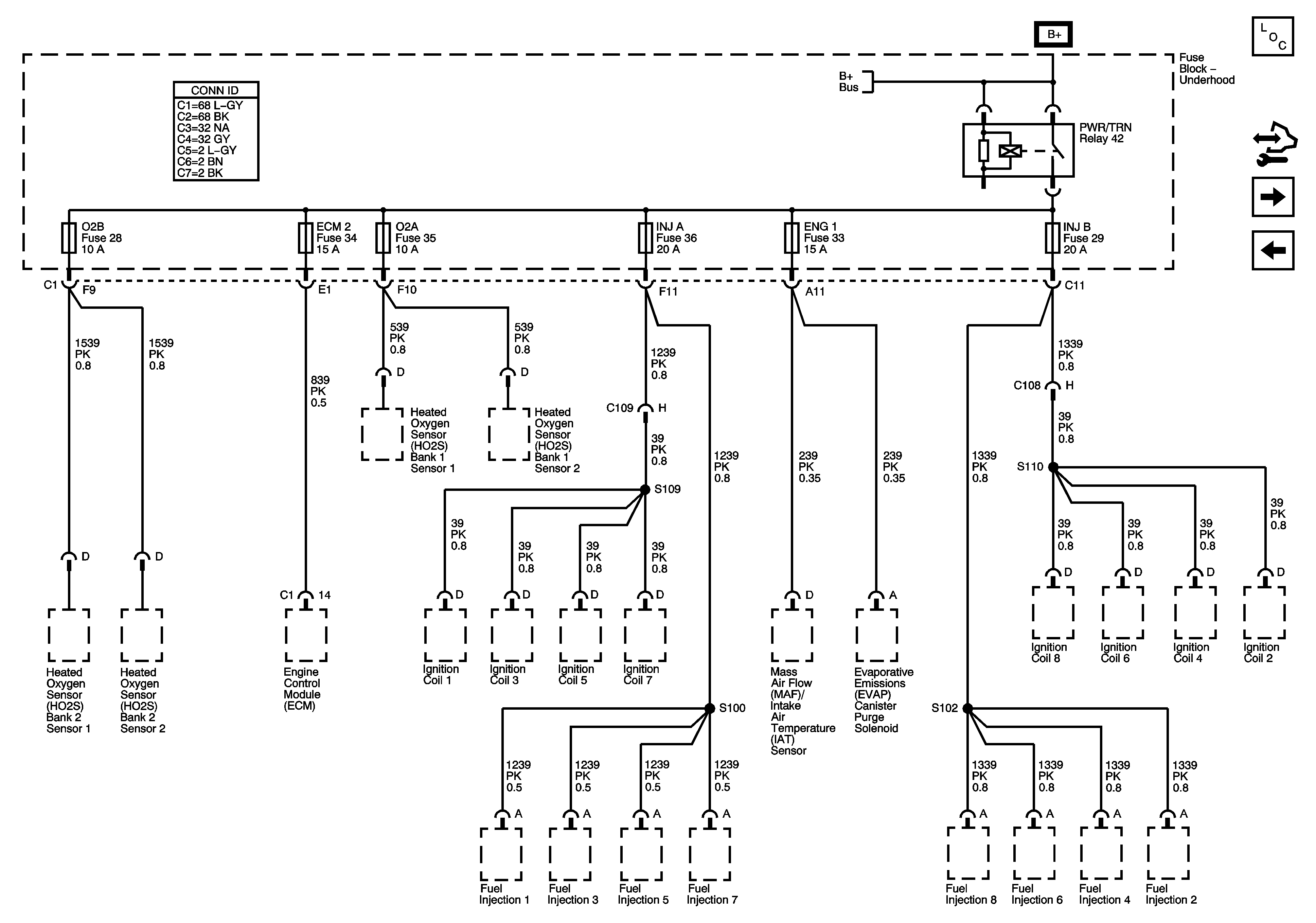
ECM 2, ENG 1, INJ A, INJ B, O2A, and O2B Fuses
AIRBAG, ECM 1/TCM, TCB IGN 1, and TRANS Fuses
Figure 14:

ECM 2, ENG 1, INJ A, INJ B, O2A, and O2B Fuses


Object Number: 1458242  Size: FS
Master Electrical Component List
Control Module References
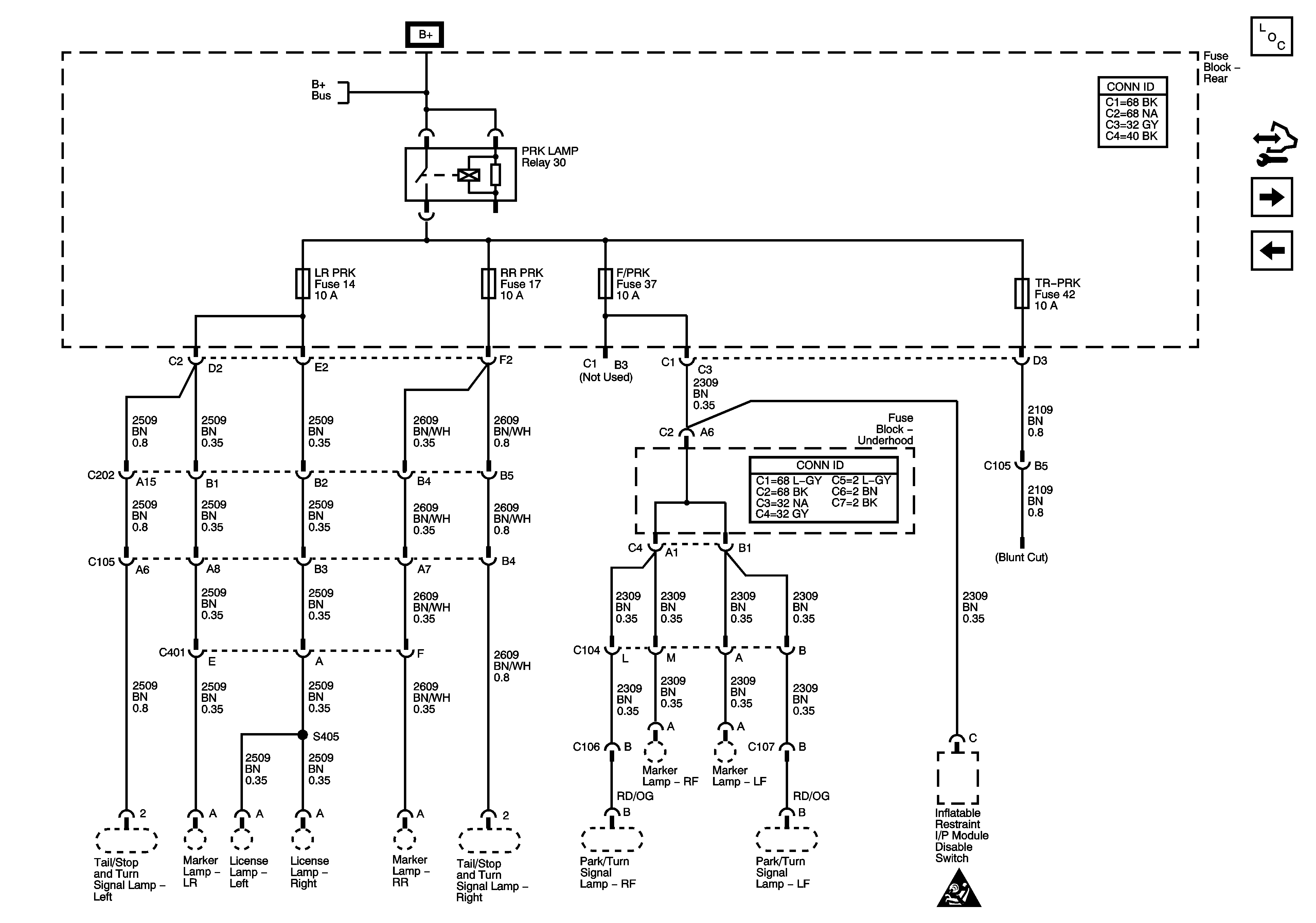
F/PRK, LR PRK, RR PRK, and TR-PRK Fuses
BRK and HVAC I Fuses
B+ Bus Underhood Fuse Block
Figure 15:

F/PRK, LR PRK, RR PRK, and TR-PRK Fuses


Object Number: 1458258  Size: FS
Master Electrical Component List
Control Module References
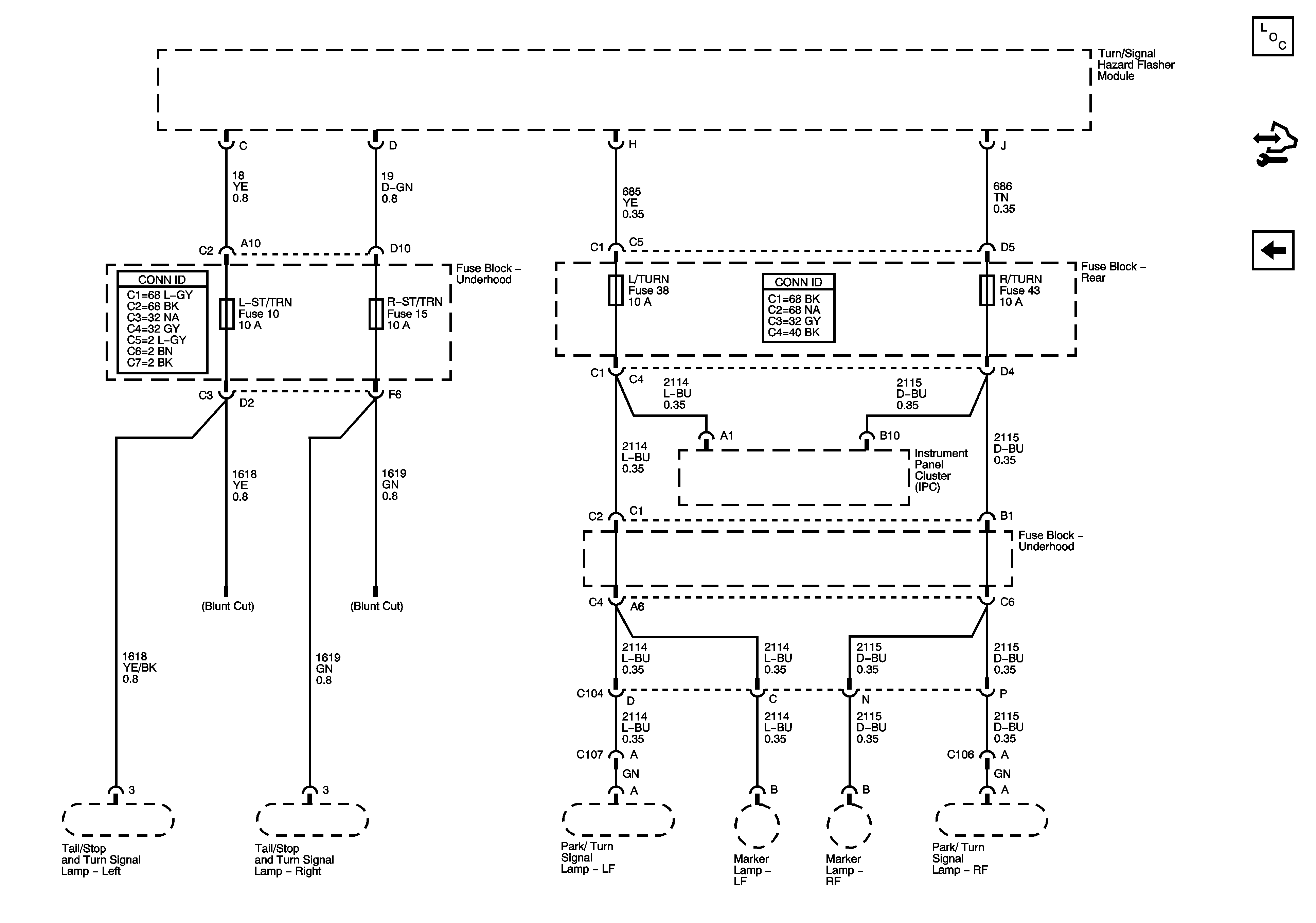
L-ST/TRN, L/TURN, R-ST/TRN, and R/TURN Fuses
ECM 2, ENG 1, INJ A, INJ B, O2A, and O2B Fuses
B+ Bus - Rear Fuse Block
SIR Caution for Zoning
Figure 16:

L-ST/TRN, L/TURN, R-ST/TRN, and R/TURN Fuses


Object Number: 1458267  Size: FS
Master Electrical Component List
Control Module References
F/PRK, LR PRK, RR PRK, and TR-PRK Fuses