GM Service Manual Online
For 1990-2009 cars only
Makes
🢒
Chevrolet
🢒
2005
🢒
SSR
🢒 Automatic Transmission Shift Lock Control Schematics
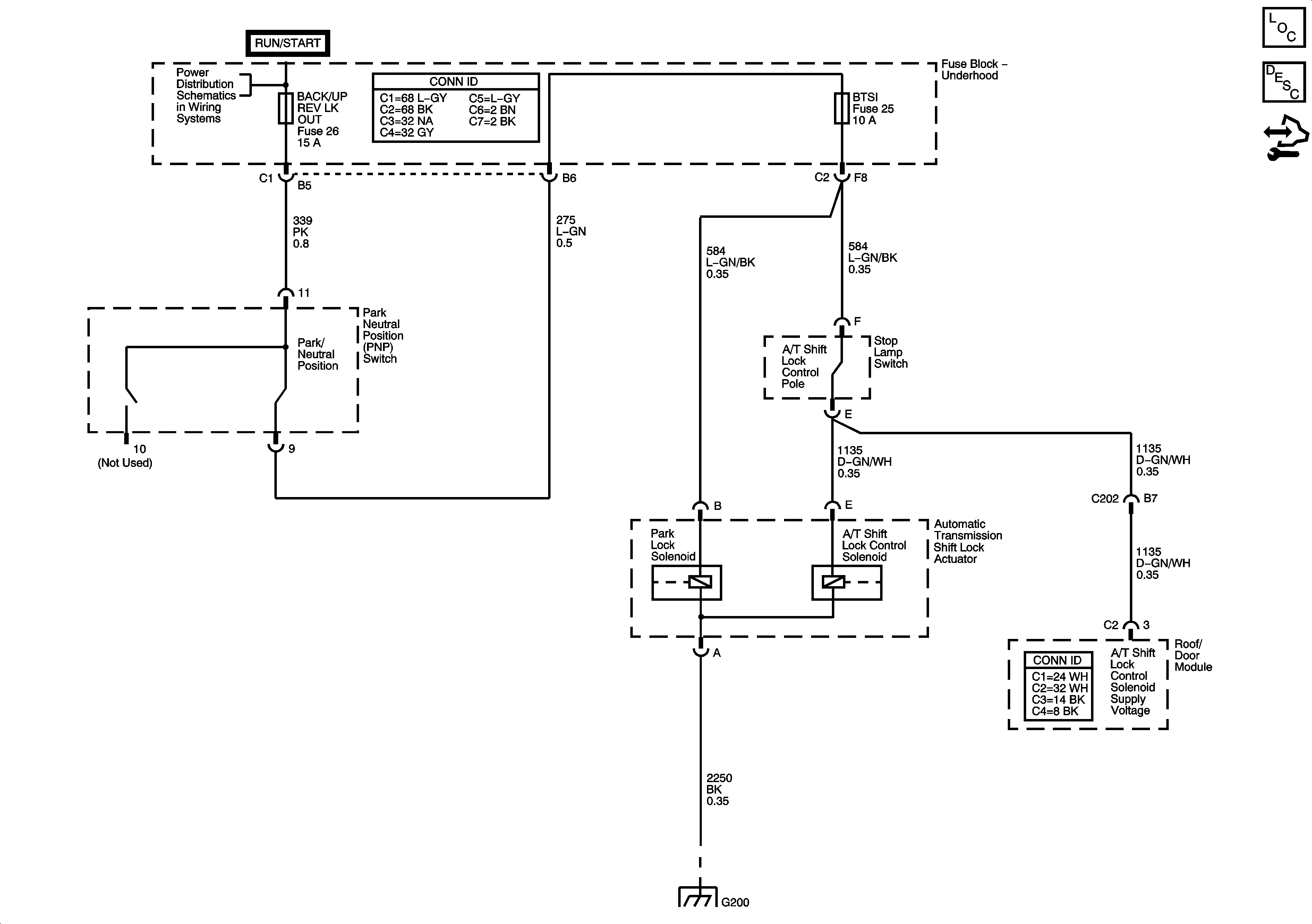
Automatic Transmission Shift Lock Control Schematics
Master Electrical Component List
Automatic Transmission Shift Lock Control Description and Operation
Control Module References
Ignition Switch - ACCY/RUN and RUN/START Bus Bar and IGN B Fuse
G200