GM Service Manual Online
For 1990-2009 cars only
Makes
🢒
Chevrolet
🢒
2005
🢒
SSR
🢒 Stop Lamps
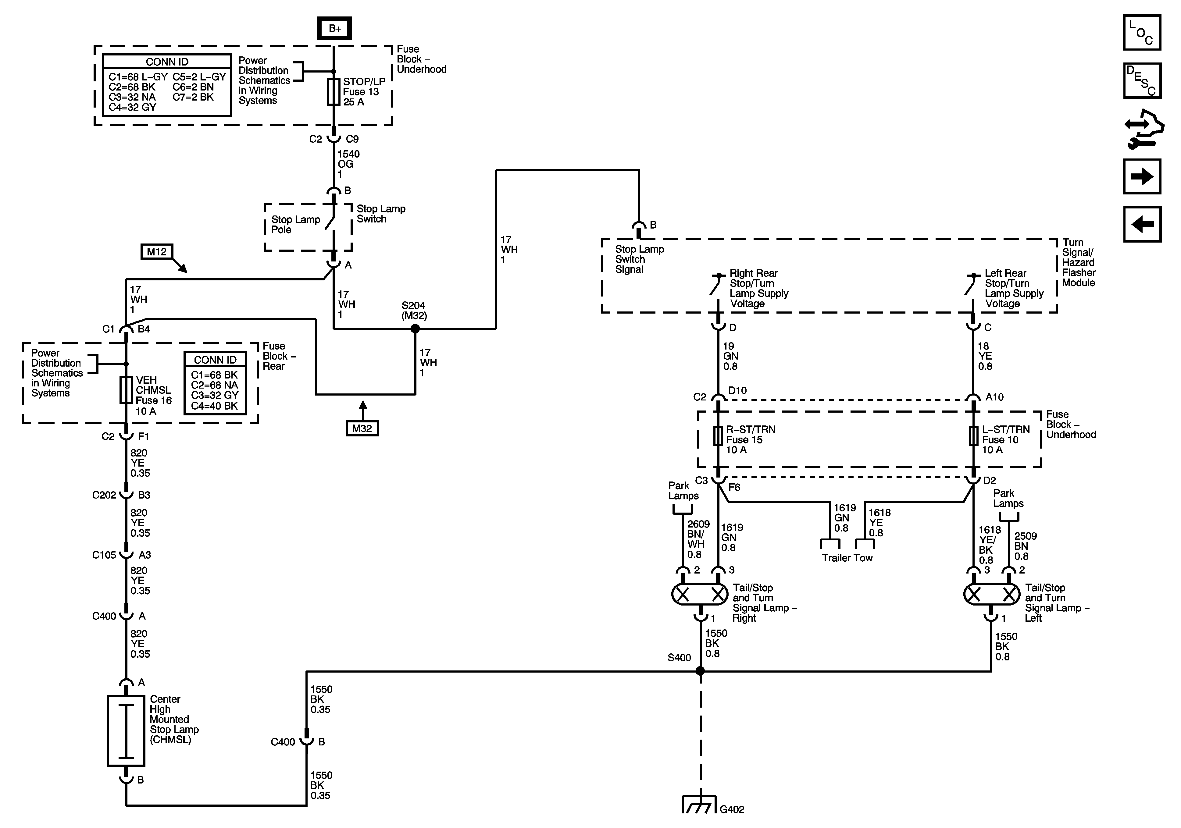
Stop Lamps
Stop Lamps
Master Electrical Component List
Exterior Lighting Systems Description and Operation
Control Module References
Backup Lamps
Park Lamps
B+ Bus Underhood Fuse Block
ABS, AUX PWR 2, ENG COOL FAN, HVAC BLWR, LTR, STOP, STOP/LP, and VEH CHMSL Fuses
Park Lamps
Trailer Tow
Park Lamps
G400, G401, G402, G404, G405