GM Service Manual Online
For 1990-2009 cars only
Makes
🢒
Chevrolet
🢒
2005
🢒
SSR
🢒 Interior Lights
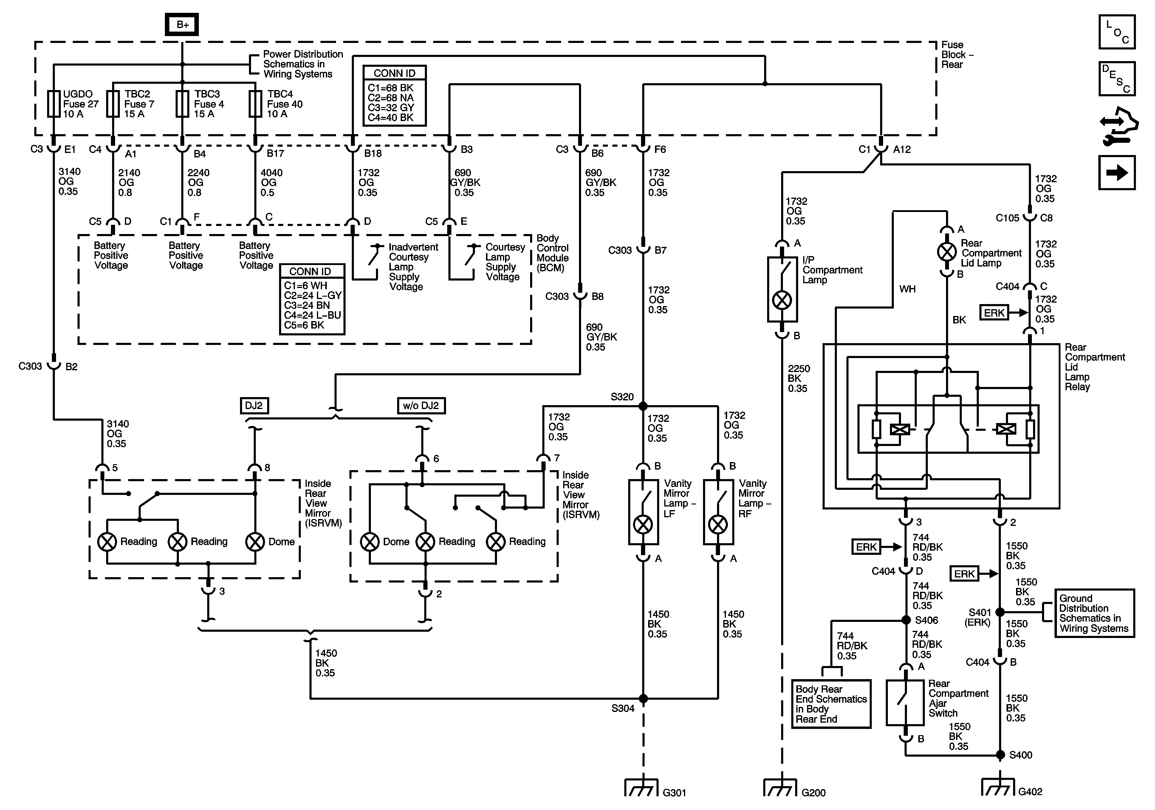
Interior Lights
Master Electrical Component List
Interior Lighting Systems Description and Operation
Control Module References
Door Ajar Switches
B+ Bus - Rear Fuse Block
Body Rear End Schematics
G400, G401, G402, G404, G405
G301, G302
G200
G400, G401, G402, G404, G405