GM Service Manual Online
For 1990-2009 cars only
Makes
🢒
Chevrolet
🢒
2005
🢒
SSR
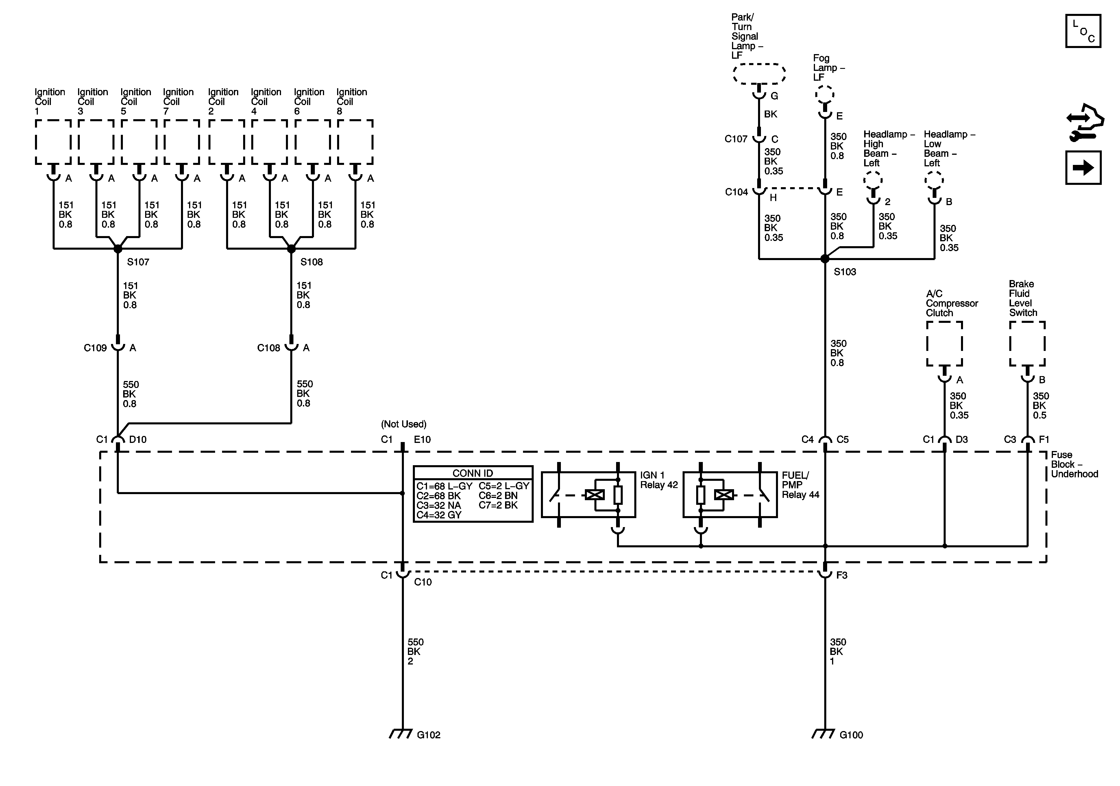
🢒 G100, G102
G100, G102
G100, G102
Master Electrical Component List
Control Module References
G101