GM Service Manual Online
For 1990-2009 cars only
Makes
🢒
Chevrolet
🢒
2005
🢒
SSR
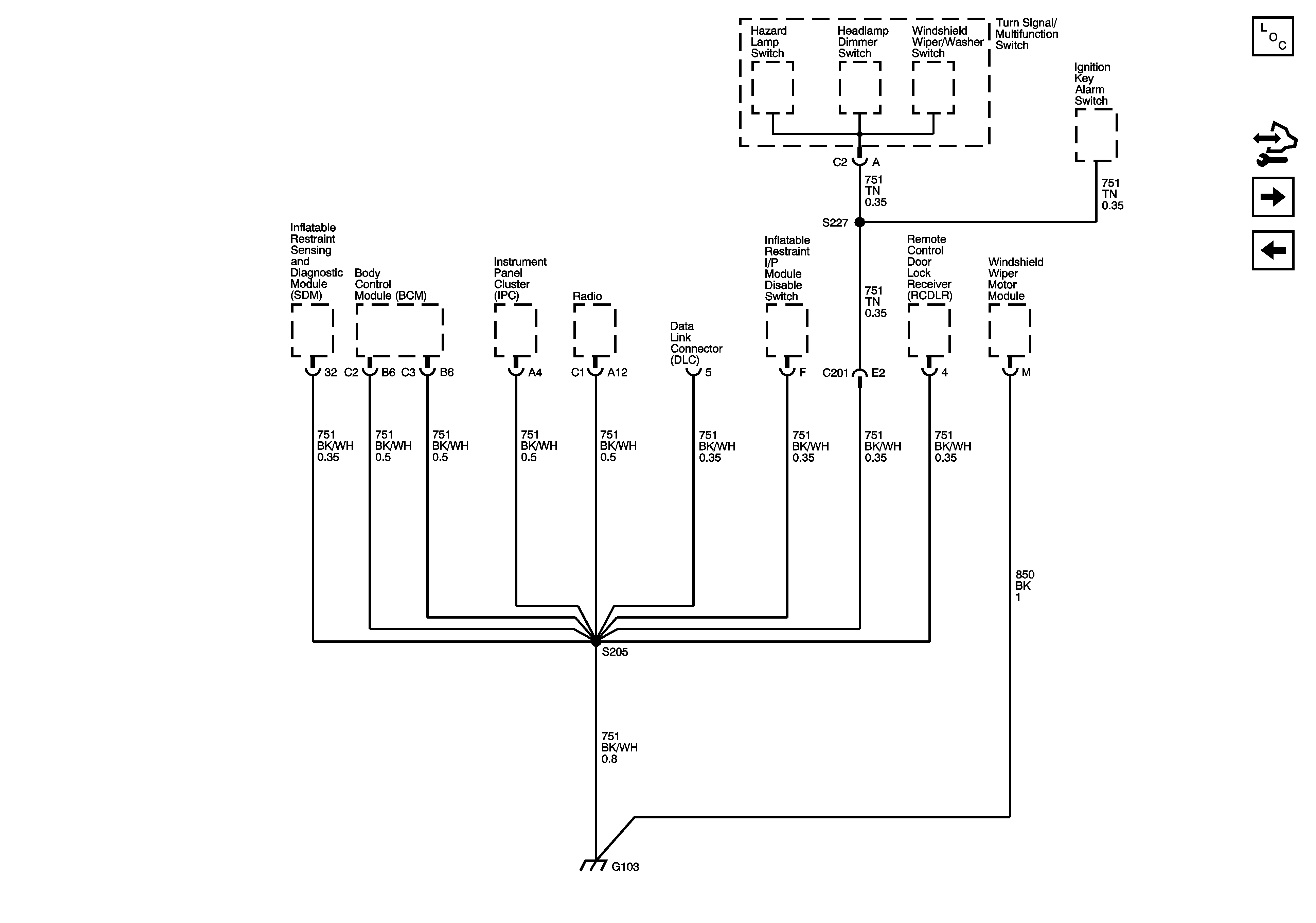
🢒 G103, G104
G103, G104
G103, G104
Master Electrical Component List
Control Module References
G105
G101