GM Service Manual Online
For 1990-2009 cars only
Makes
🢒
Chevrolet
🢒
2005
🢒
SSR
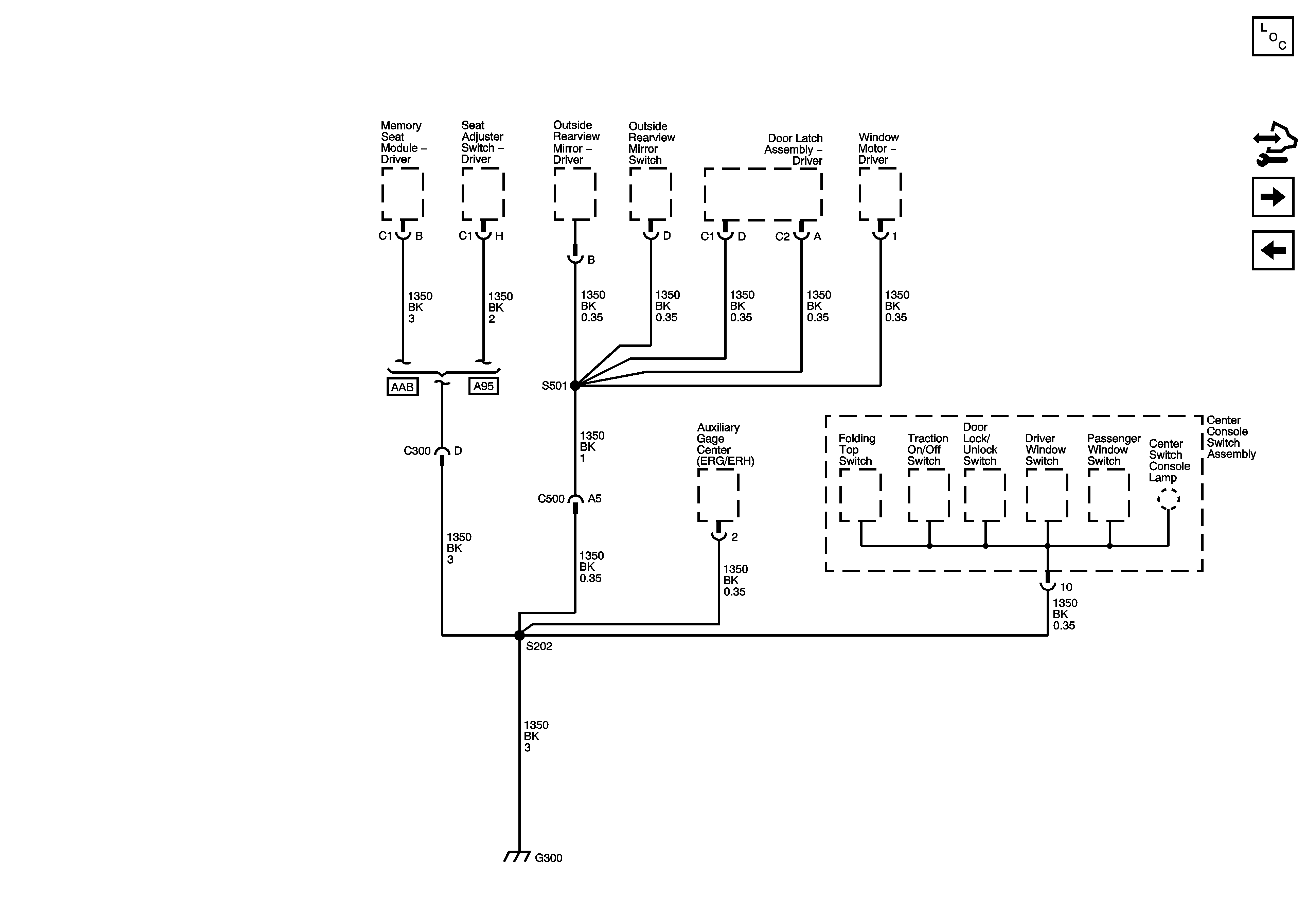
🢒 G300
G300
G300
Master Electrical Component List
Control Module References
G301, G302
G200