GM Service Manual Online
For 1990-2009 cars only

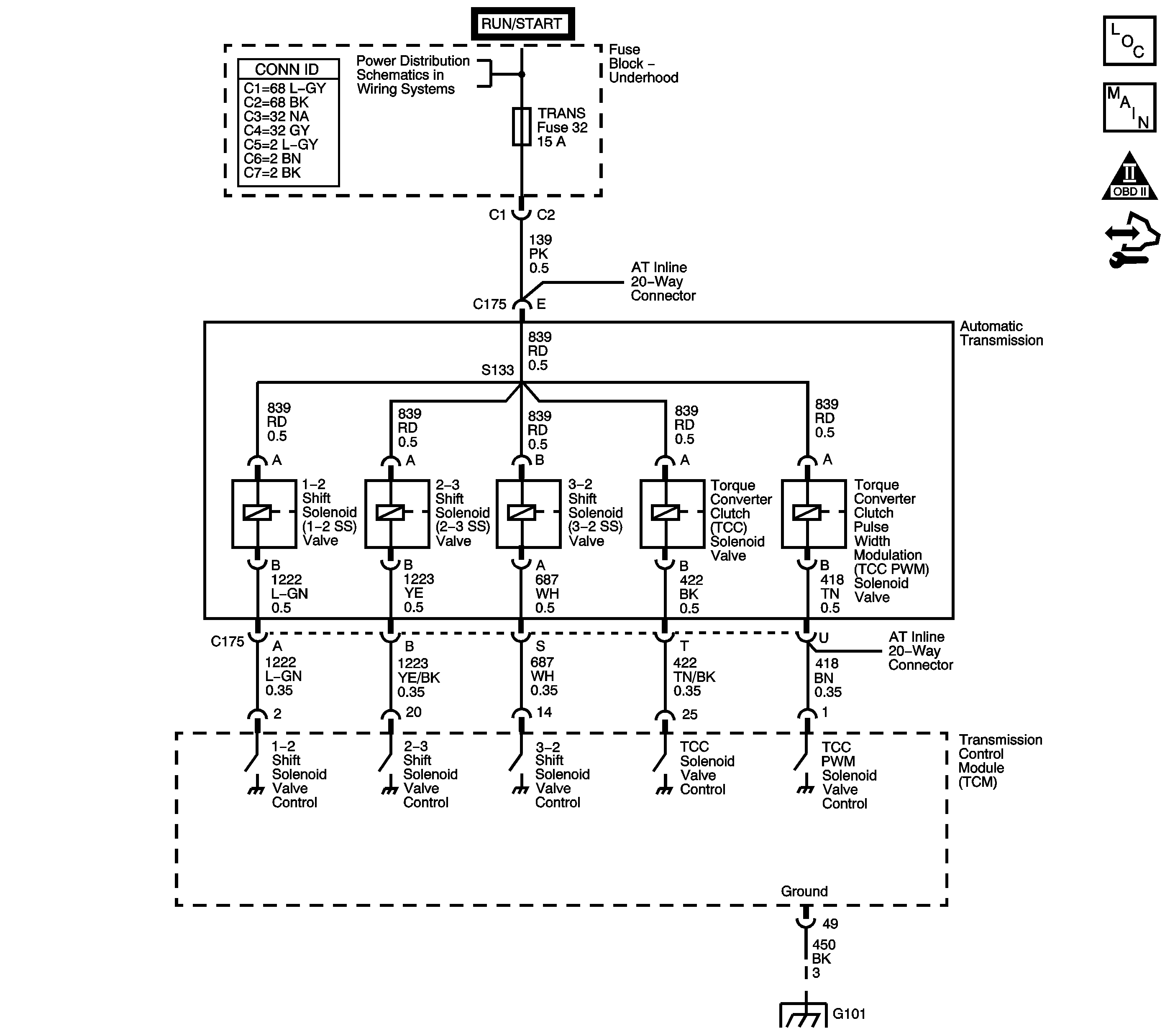
Object Number: 1540784  Size: LF
Master Electrical Component List
Automatic Transmission Controls Schematics
OBD II Symbol Description Notice
Control Module References

Circuit Description

The 1-2 shift solenoid (SS) valve controls the fluid flow acting on the 1-2 and 3-4 shift valves. The solenoid is a normally-open exhaust valve. With the 2-3 SS valve, the 1-2 SS valve allows 4 different shifting combinations. The solenoid attaches to the control valve body within the transmission. The 1-2 SS valve receives ignition voltage through the ignition voltage circuit. The transmission control module (TCM) controls the solenoid by providing the ground path on the 1-2 SS valve control circuit.

When the TCM detects a continuous open, short to ground in the 1-2 SS valve circuit, then DTC P0973 sets. DTC P0973 is a type B DTC.

DTC Descriptor

This diagnostic procedure supports the following DTC:

DTC P0973 1-2 Shift Solenoid (SS) Control Circuit Low Voltage

Conditions for Running the DTC

    • The engine run time is greater than 5 seconds.
    • The 1-2 SS is commanded ON.

Conditions for Setting the DTC

DTC P0973 sets when either of the following conditions occurs for 4.3 seconds:

    • The TCM detects an open in the 1-2 shift solenoid valve circuit when the 1-2 SS is commanded ON.
    • The TCM detects a short to ground in the 1-2 shift solenoid valve circuit when the 1-2 SS is commanded ON.

Action Taken When the DTC Sets

    • The TCM requests the ECM to illuminate the malfunction indicator lamp (MIL) during the second consecutive drive trip in which the Conditions for Setting the DTC are met.
    • The TCC commands maximum line pressure.
    • The TCM inhibits 3-2 shift if vehicle speed is less than 40 km/h (25 mph).
    • The TCM freezes transmission adaptive functions.
    • At the time of the first failure, the TCM records the operating conditions when the Conditions for Setting the DTC are met. The TCM stores this information as a Failure Record.
    • At the time of the second failure, the ECM records the operating conditions when the Conditions for Setting the DTC are met. The ECM stores this information as a Freeze Frame.
    • The TCM stores DTC P0973 in TCM history.

Conditions for Clearing the MIL/DTC

    • The ECM turns OFF the MIL after the 4th consecutive drive trip in which the TCM does not send a MIL illumination request.
    • A scan tool can clear the MIL/DTC.
    • The TCM clears the DTC from TCM history if the vehicle completes 40 warm-up cycles without an emission related diagnostic fault occurring.
    • The TCM cancels the default actions when the ignition is OFF long enough in order to power down the TCM.

Test Description

The numbers below refer to the step numbers on the diagnostic table.

  1. This step tests the function of the 1-2 SS valve and the automatic transmission (AT) wiring harness.

  2. This step tests for voltage to the 1-2 SS valve from the ignition through the fuse.

  3. This step tests the ability of the TCM and the wiring to control the ground circuit.

  4. This step measures the resistance of the AT wiring harness and the 1-2 SS valve.

DTC P0973

Step

Action

Values

Yes

No

1

Did you perform the Diagnostic System Check - Vehicle?

--

Go to Step 2

Go to Diagnostic System Check - Vehicle

2

  1. Install a scan tool.
  2. Turn ON the ignition, with the engine OFF.
  3. Important: Before clearing the DTC, use the scan tool in order to record the Freeze Frame and Failure Records. Using the Clear Info function erases the Freeze Frame and Failure Records from the transmission control module (TCM).

  4. Record the DTC Freeze Frame and Failure Records.
  5. Clear the DTC.

Are any of the following DTCs also set?

    • P0787
    • P0976
    • P2764
    • P2769

--

Go to Step 3

Go to Step 4

3

Inspect the ignition voltage circuit fuse for an open.

Refer to Circuit Protection - Fuses .

Is the fuse open?

--

Go to Step 12

Go to Step 5

4

Use the scan tool in order to command the 1-2 SS valve ON and OFF 3 times while listening to the bottom of the transmission pan, a stethoscope may be necessary.

Does the 1-2 solenoid click when commanded ON and OFF?

--

Go to Testing for Intermittent Conditions and Poor Connections

Go to Step 5

5

  1. Turn OFF the ignition.
  2. Disconnect the AT inline 20-way connector, additional DTCs may set.
  3. Install the J 44152 Jumper Harness (20 pins) on the engine side of the AT inline 20-way connector.
  4. Turn ON the ignition, with the engine OFF.
  5. Using the J 35616 GM Terminal Test Kit, connect a test lamp from the 1-2 SS valve ignition voltage circuit of the J 44152 to ground.

Refer to Automatic Transmission Inline 20-Way Connector End View .

Does the test lamp illuminate?

--

Go to Step 6

Go to Step 15

6

  1. Connect a test lamp between the 1-2 SS valve ignition voltage and control circuits of the J 44152 .
  2. Refer to Automatic Transmission Inline 20-Way Connector End View .

  3. Use the scan tool in order to command the 1-2 SS valve ON and OFF 3 times.

Does the test lamp turn ON and OFF with each command?

--

Go to Step 8

Go to Step 7

7

Is the test lamp always ON?

--

Go to Step 16

Go to Step 17

8

  1. Install the J 44152 on the transmission side of the AT inline 20-way connector.
  2. Using the DMM and the J 35616 , measure the resistance between the 1-2 SS valve ignition voltage and control circuits of the J 44152 .
  3. Refer to Testing for Continuity .

Refer to Automatic Transmission Inline 20-Way Connector End View .

Does the resistance measure within the specified range?

19-31 ohms

Go to Step 9

Go to Step 10

9

Measure the resistance from the 1-2 SS valve ignition voltage and control circuits to ground.

Refer to Testing for Continuity .

Do both readings measure greater than the specified value?

250 K ohms

Go to Testing for Intermittent Conditions and Poor Connections

Go to Step 11

10

  1. Disconnect the AT wiring harness from the 1-2 SS valve.
  2. Measure the resistance of the 1-2 SS valve.

Refer to Testing for Continuity .

Does the resistance measure within the specified range?

19-31 ohms

Go to Step 18

Go to Step 19

11

  1. Disconnect the AT wiring harness from the 1-2 SS valve.
  2. Measure the resistance from the component's terminals to ground.

Refer to Testing for Continuity .

Do both readings measure greater than the specified value?

250 K ohms

Go to Step 18

Go to Step 19

12

Important: The condition that affects this circuit may exist in other connecting branches of the circuit. Refer to Power Distribution Schematics for complete circuit distribution.

Test the ignition circuit of the 1-2 SS valve for a short to ground between the fuse block-underhood and the AT inline 20-way connector.

Refer to Testing for Short to Ground and Wiring Repairs .

Did you find and correct the condition?

--

Go to Step 21

Go to Step 13

13

Important: The condition that affects this circuit may exist in other connecting branches of the circuit. Refer to Power Distribution Schematics for complete circuit distribution.

Test the ignition voltage circuit of the 1-2 SS valve for a short to ground between the AT inline 20-way connector and the 1-2 SS valve.

Refer to Testing for Short to Ground .

Did you find a short to ground condition?

--

Go to Step 18

Go to Step 14

14

  1. Test each solenoid for a short to ground.
  2. Replace the faulty solenoid as necessary.

Did you complete the replacement?

--

Go to Step 21

--

15

Important: The condition that affects this circuit may exist in other connecting branches of the circuit. Refer to Power Distribution Schematics for complete circuit distribution.

Test the ignition circuit of the 1-2 SS valve for an open.

Refer to Testing for Continuity and Wiring Repairs .

Did you find and correct the condition?

--

Go to Step 21

--

16

Test the control circuit of the 1-2 SS valve for a short to ground between the TCM and the AT inline 20-way connector.

Refer to Testing for Short to Ground and Wiring Repairs .

Did you find and correct the condition?

--

Go to Step 21

Go to Step 20

17

Test the control circuit of the 1-2 SS valve for an open or short to voltage between the TCM and the AT inline 20-way connector.

Refer to Circuit Testing and Wiring Repairs .

Did you find and correct the condition?

--

Go to Step 21

Go to Step 20

18

Replace the AT wiring harness.

Refer to Torque Converter Clutch Pulse Width Modulation Solenoid, Torque Converter Clutch Solenoid, and Wiring Harness .

Did you complete the replacement?

--

Go to Step 21

--

19

Replace the 1-2 SS valve.

Refer to Control and Shift Solenoids Replacement .

Did you complete the replacement?

--

Go to Step 21

--

20

Replace the TCM.

Refer to Control Module References for replacement, setup, and programming.

Did you complete the replacement?

--

Go to Step 21

--

21

Perform the following procedure in order to verify the repair:

  1. Select DTC.
  2. Select Clear Info.
  3. Drive the vehicle in D4 and ensure the following conditions are met:
  4. • The TCM commands the 1-2 SS valve ON and the 1-2 Sol. CKT status parameter displays OK.
    • The TCM commands the 1-2 SS valve OFF and the 1-2 Sol. CKT status parameter displays OK.
    • All conditions are met for 5 seconds.
  5. Select Specific DTC.
  6. Enter DTC P0973.

Has the test run and passed?

--

Go to Step 22

Go to Step 2

22

With the scan tool, observe the stored information, capture info, and DTC Info.

Does the scan tool display any DTCs that you have not diagnosed?

--

Go to Diagnostic Trouble Code (DTC) List - Vehicle

System OK