GM Service Manual Online
For 1990-2009 cars only
Makes
🢒
Chevrolet
🢒
2006
🢒
SSR
🢒
Steering
🢒
Steering Wheel and Column
🢒 Steering Wheel Schematics
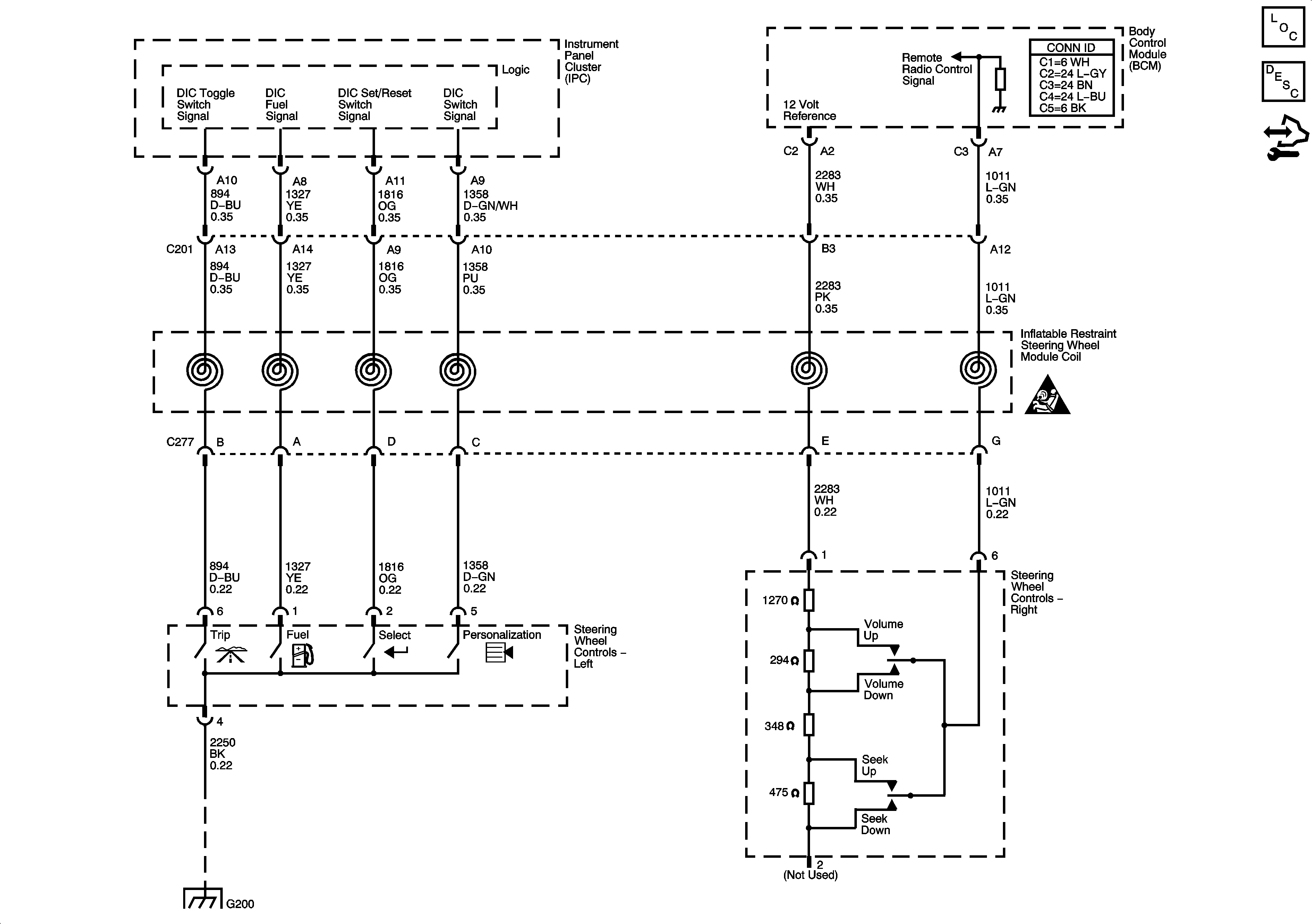
Steering Wheel Controls
Master Electrical Component List
Steering Wheel Controls Description and Operation
Control Module References
SIR Caution for Zoning
G200