GM Service Manual Online
For 1990-2009 cars only
Makes
🢒
Chevrolet
🢒
2007
🢒
Silverado Classic - 2WD
🢒
Diagnostic Navigation
🢒
Vehicle Diagnostic Information
🢒 Theft Deterrent System Schematics
Master Electrical Component List
Content Theft Deterrent (CTD) Description and Operation
Control Module References
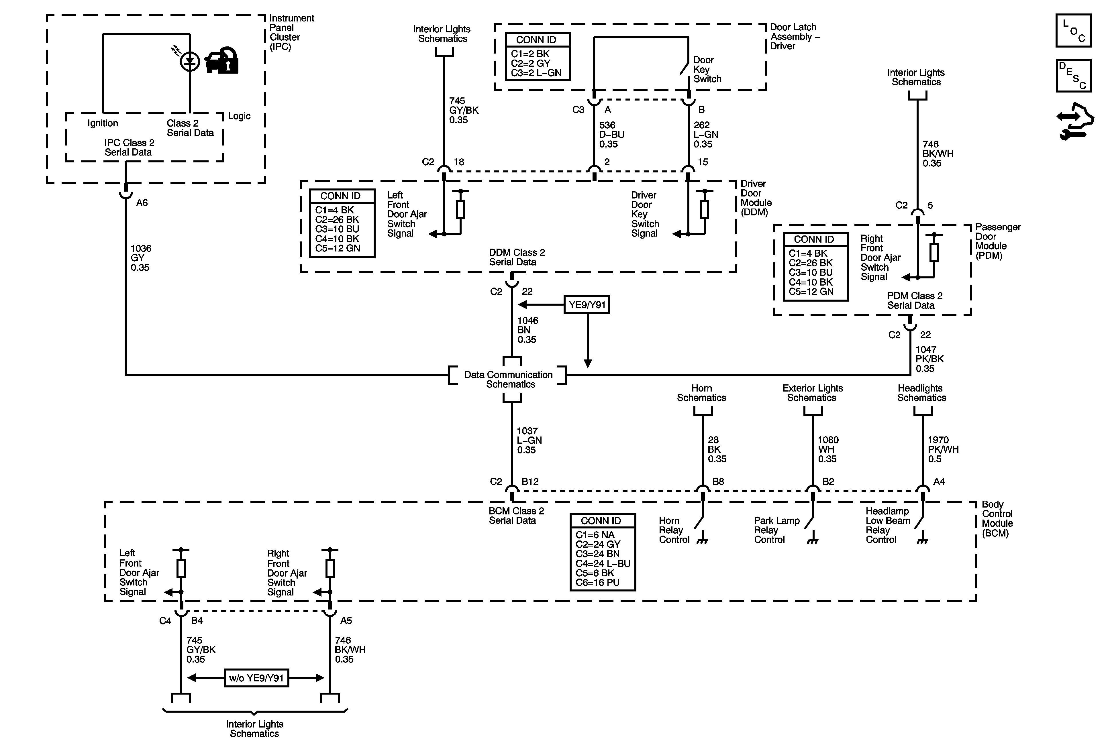
Door Jamb Switches (YE9/Y91)
Power, Ground, DLC and Splice Pack SP205
Door Jamb Switches (w/o
Horn Schematics
Park Lamp Relay Control and Front Park Lamps
Headlights
Door Jamb Switches (YE9/Y91)