GM Service Manual Online
For 1990-2009 cars only
Makes
🢒
Chevrolet
🢒
2007
🢒
Silverado Classic - 2WD
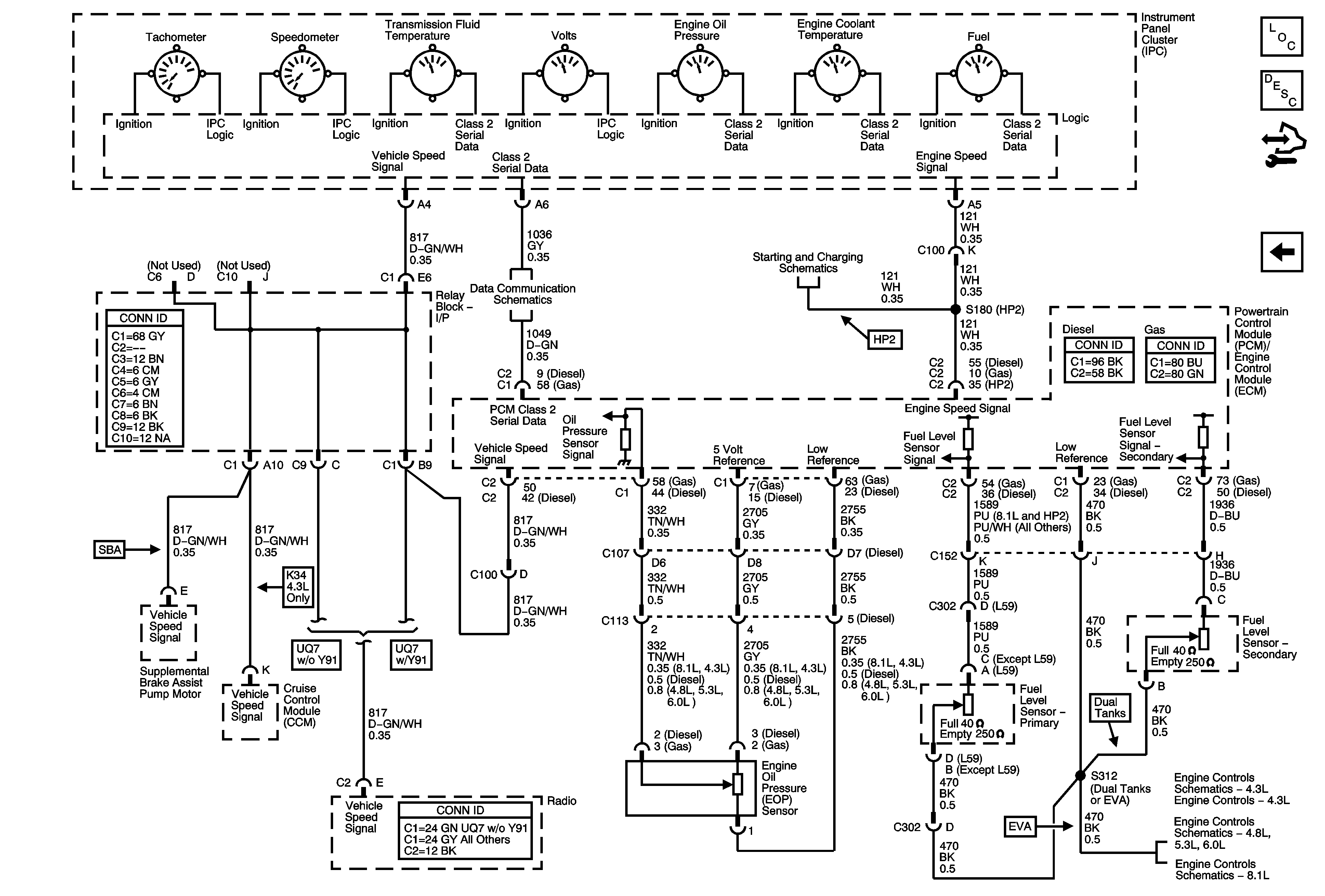
🢒 Gages, Vehicle Speed Sensor, Engine Oil Pressure, and Fuel Level Sensors
Gages, Vehicle Speed Sensor, Engine Oil Pressure, and Fuel Level Sensors
Gages, Vehicle Speed Signal, Engine Oil Pressure, and Fuel Level Sensors
Master Electrical Component List
Instrument Cluster Description and Operation
Control Module References
Indicators, Water in Fuel Sensor, Engine Oil Level Switch, and Washer Fluid Level Sensor
Power, Ground, DLC and Splice Pack SP205
Starting Controls - 1 of 2
Fuel Controls - EVAP and Device Controls
Fuel Controls - EVAP Controls and FTP Sensor
Fuel Controls - EVAP Controls