GM Service Manual Online
For 1990-2009 cars only
Makes
🢒
Chevrolet
🢒
2007
🢒
Silverado Classic - 2WD
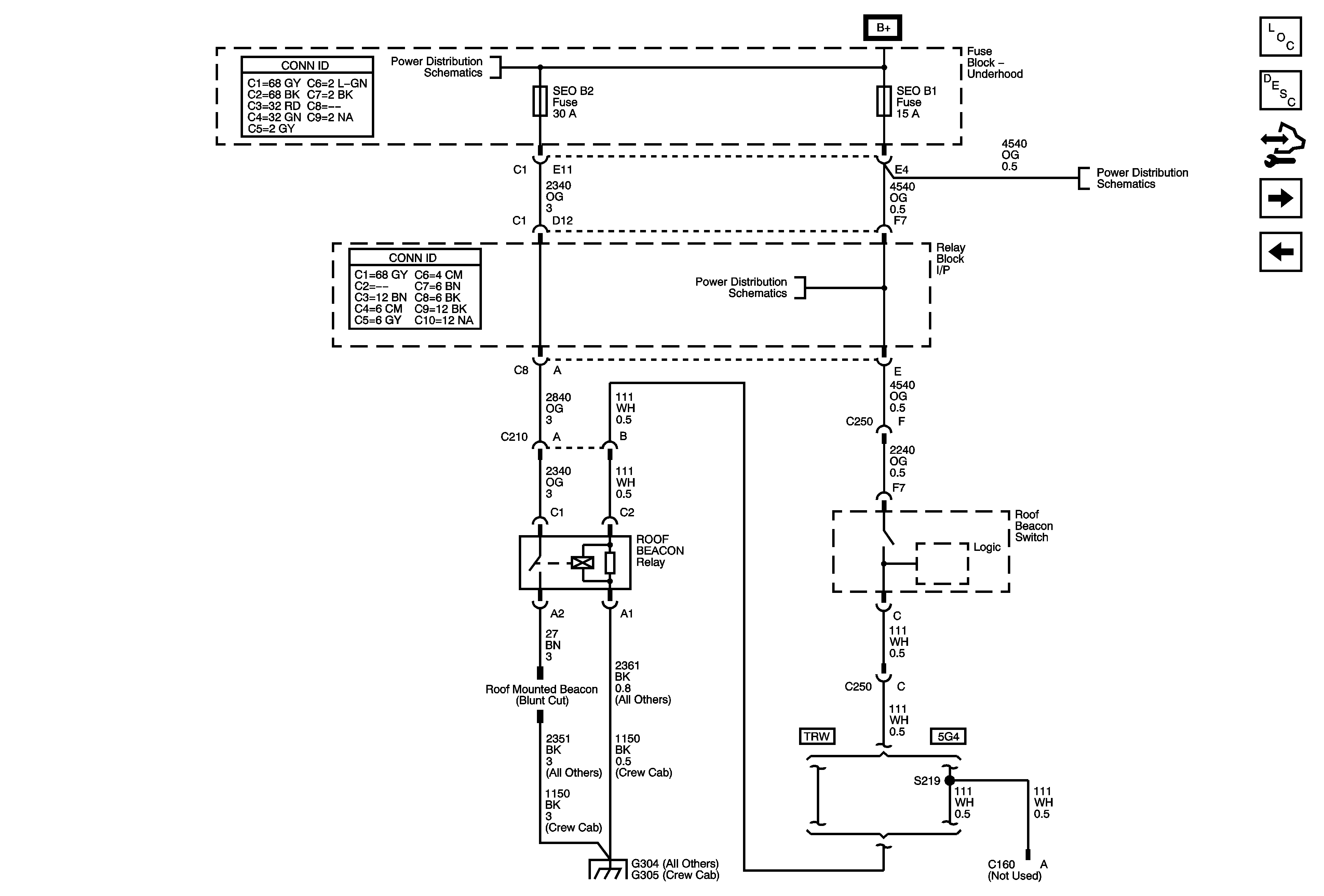
🢒 Roof Beacon Lighting (5G4/TRW)
Roof Beacon Lighting (5G4/TRW)
Roof Beacon Lighting (5G4/TRW)
Master Electrical Component List
Exterior Lighting Systems Description and Operation
Control Module References
Emergency Vehicle Lighting (5Y0)
Trailer and Camper Wiring
B+ Bus Bar
G304, G305, G306, and G390
IPC/DIC, LH HID, RH HID, SEO B1, and TBC BATT Fuses
IPC/DIC, LH HID, RH HID, SEO B1, and TBC BATT Fuses