GM Service Manual Online
For 1990-2009 cars only
Makes
🢒
Chevrolet
🢒
2007
🢒
Silverado Classic - 2WD
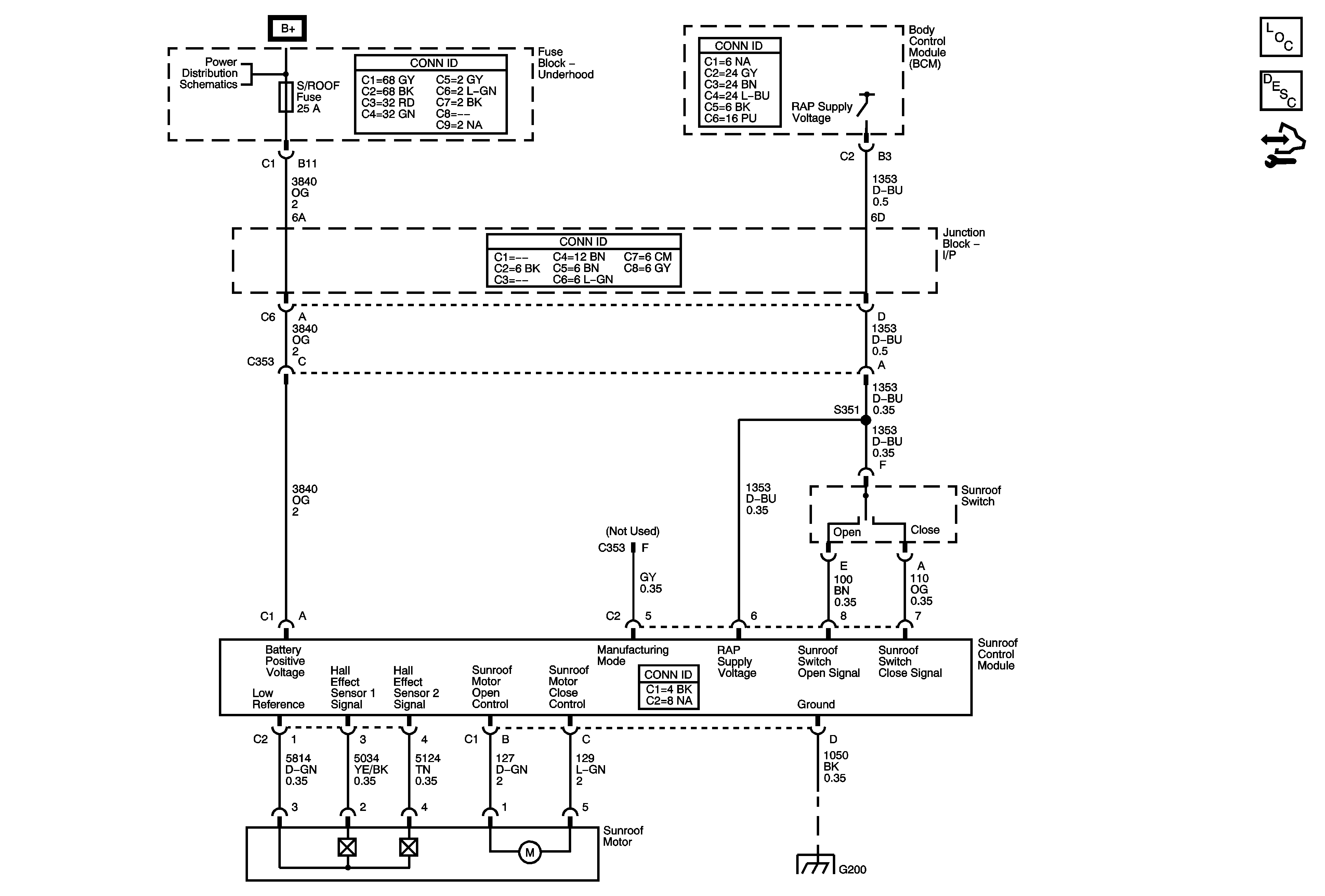
🢒 Sunroof Schematics
Sunroof Schematics
Master Electrical Component List
Sunroof Description and Operation
Control Module References
B+ Bus Bar
G200 - 2 of 2