GM Service Manual Online
For 1990-2009 cars only
Makes
🢒
Chevrolet
🢒
2007
🢒
Silverado Classic - 2WD
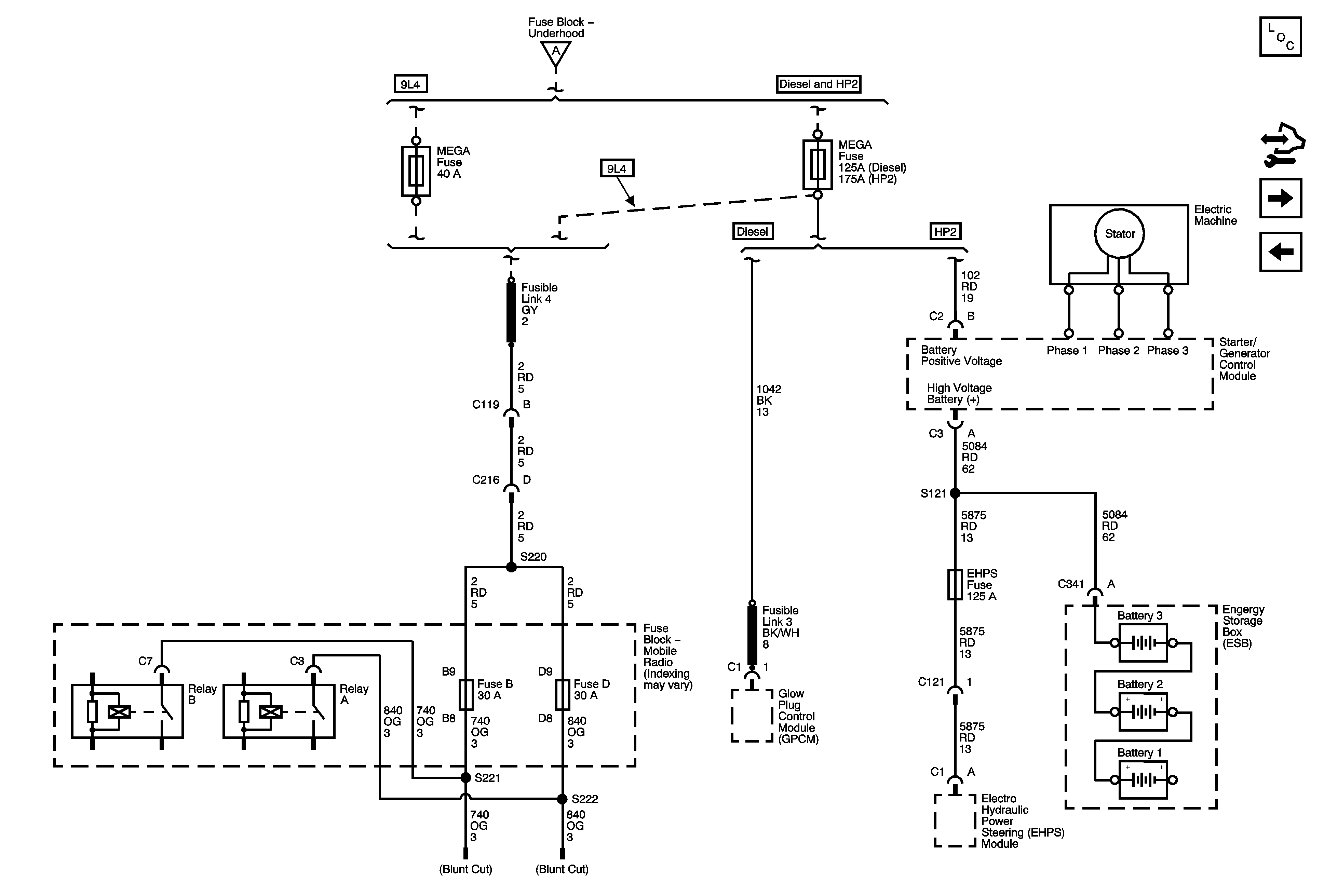
🢒 Battery Supply - 2 of 2
Battery Supply - 2 of 2
Battery Supply 2 of 2
Master Electrical Component List
Control Module References
B+ Bus Bar
Battery Supply - 1 of 2
Battery Supply - 1 of 2