GM Service Manual Online
For 1990-2009 cars only
Makes
🢒
Chevrolet
🢒
2007
🢒
Silverado Classic - 2WD
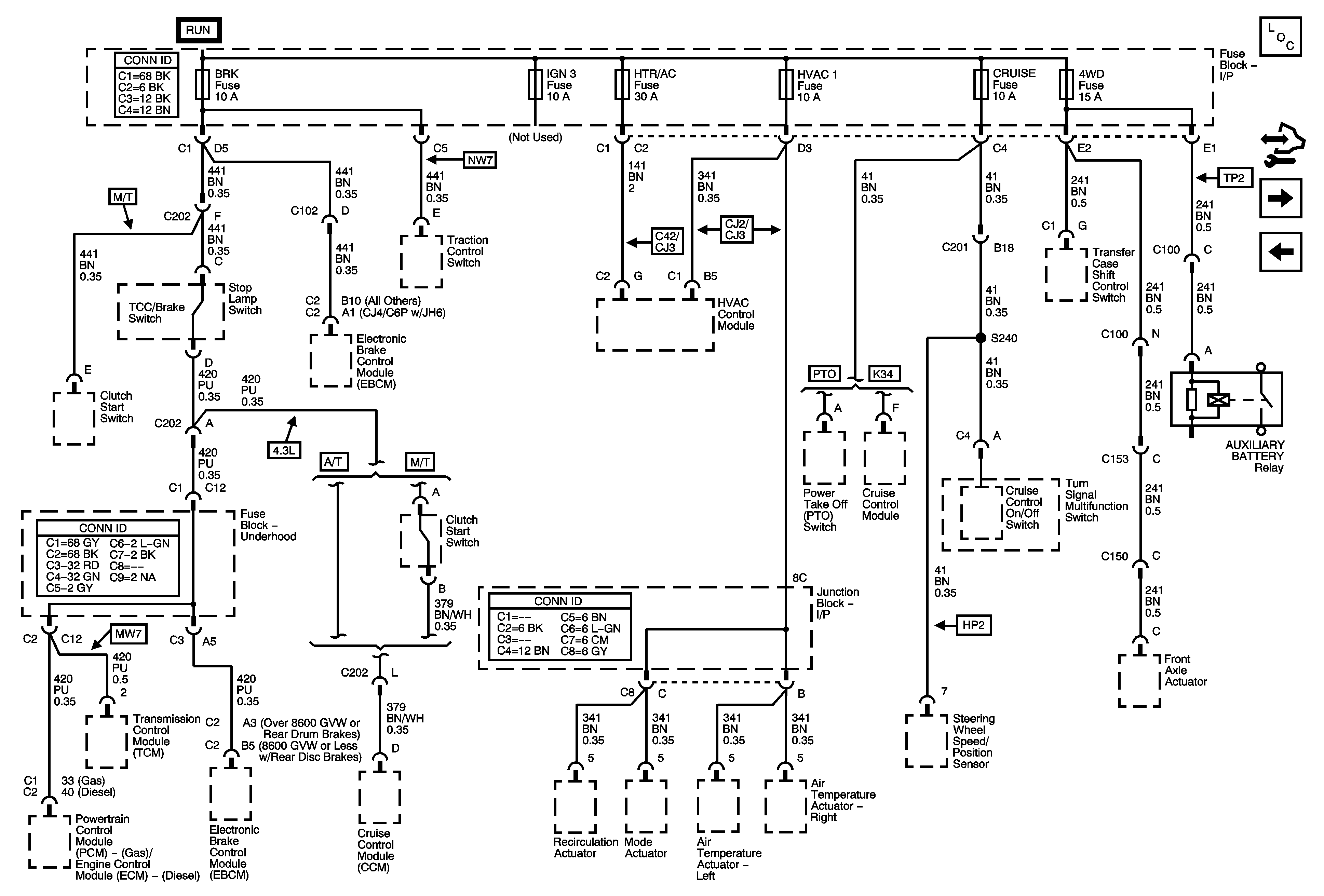
🢒 4WD, BRK, CRUISE, HTR/AC, and HVAC 1 Fuses
4WD, BRK, CRUISE, HTR/AC, and HVAC 1 Fuses
4WD, BRK, CRUISE, HTR/AC and HVAC 1 Fuses
Master Electrical Component List
Control Module References
B/U LP, BTSI, O2A, O2B, TBC IGN 1, and TRL B/U Fuses
Ignition Switch - ACC/RUN and RUN/START BUS BARS and IGN B Fuse