GM Service Manual Online
For 1990-2009 cars only
Makes
🢒
Chevrolet
🢒
2007
🢒
Silverado Classic - 2WD
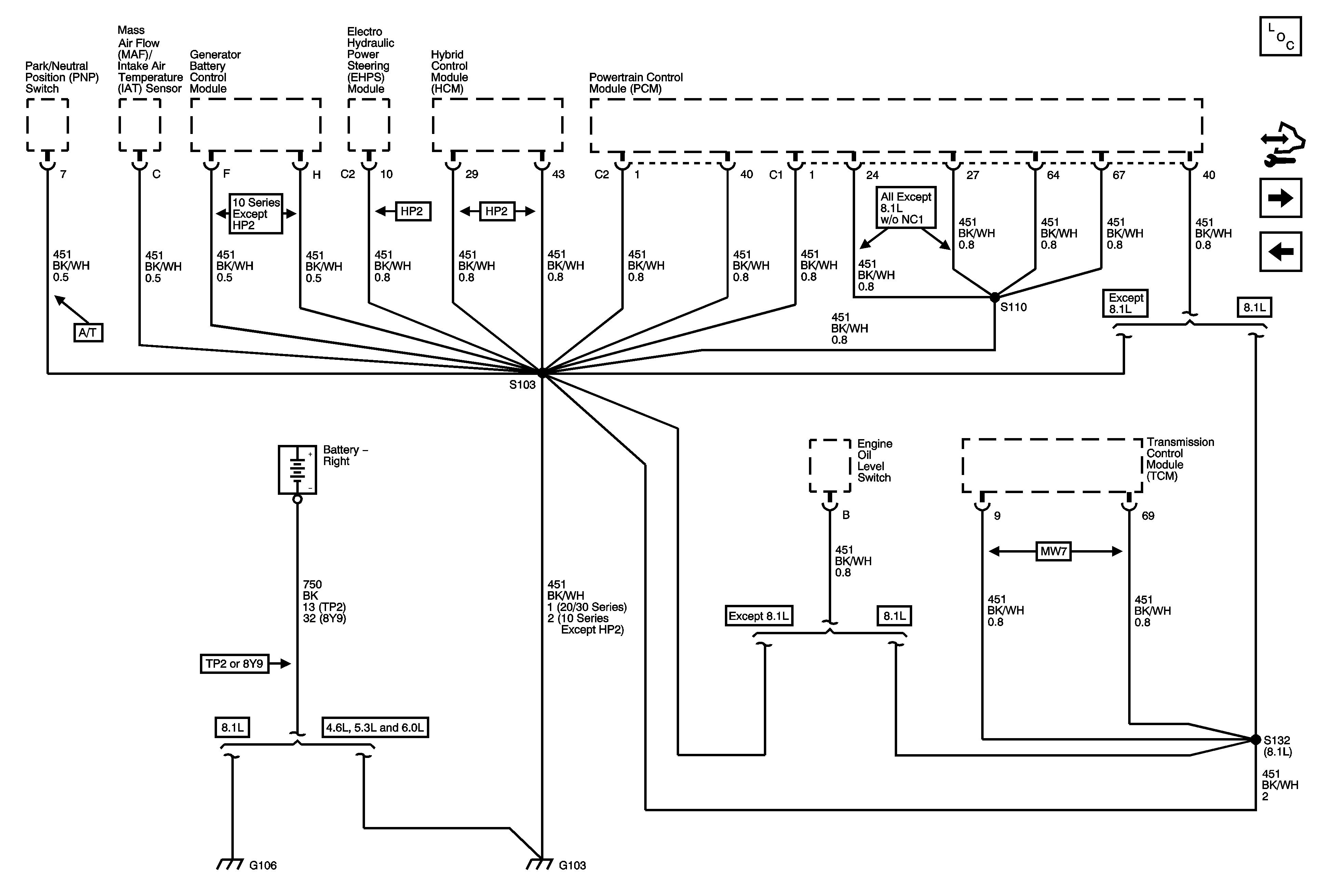
🢒 G103 and G106 - Gas
G103 and G106 - Gas
G103 and G106 - Gas
Master Electrical Component List
Control Module References
G102, G103, and G108 - Diesel
G100 and G102