GM Service Manual Online
For 1990-2009 cars only
Makes
🢒
Chevrolet
🢒
2007
🢒
Silverado Classic - 2WD
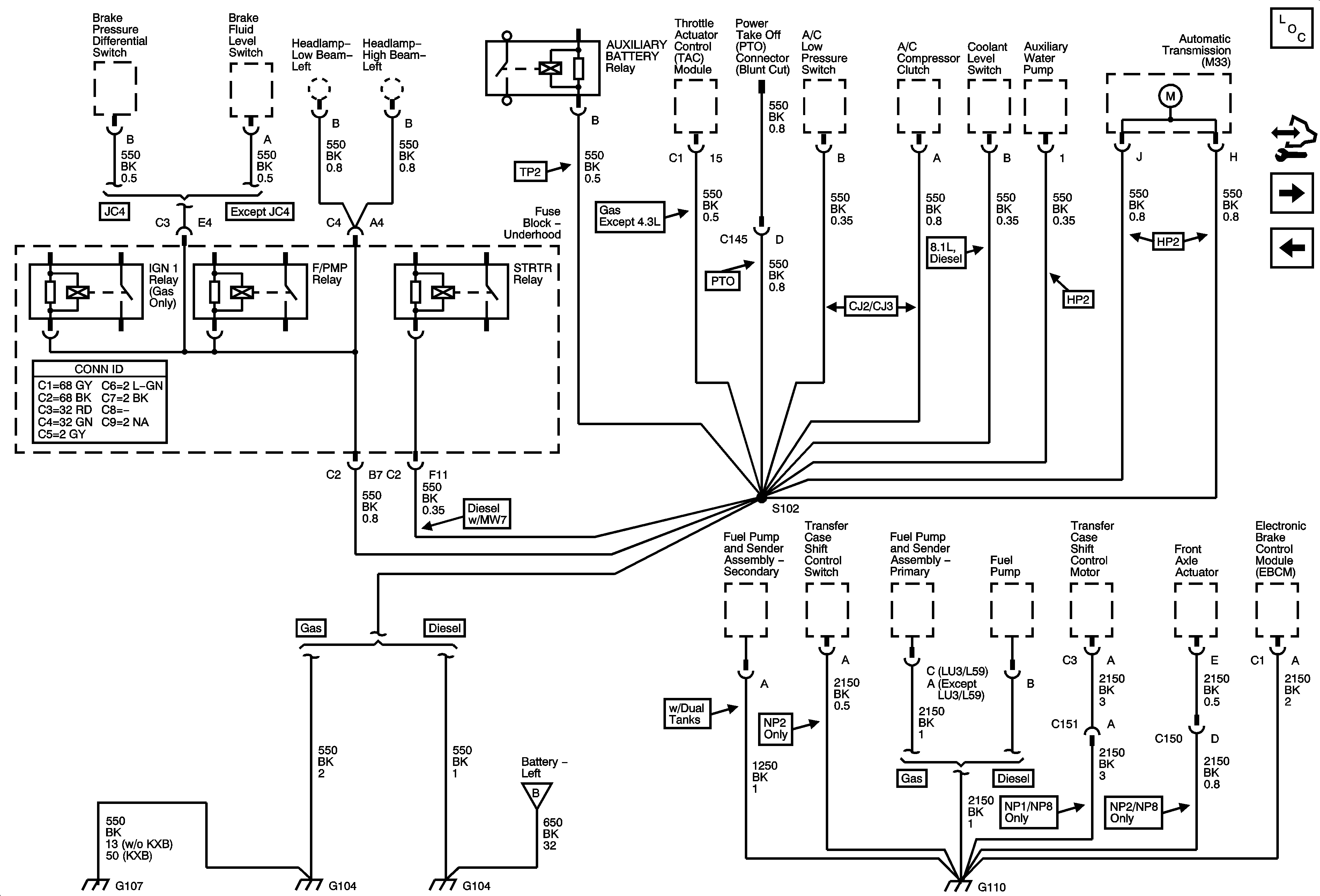
🢒 G104, G107, and G110
G104, G107, and G110
G104, G107 and G110
Master Electrical Component List
Control Module References
G115 and G200 - 1 of 2
G102, G103, and G108 - Diesel
G100 and G102