GM Service Manual Online
For 1990-2009 cars only
Makes
🢒
Chevrolet
🢒
2007
🢒
Silverado Classic - 2WD
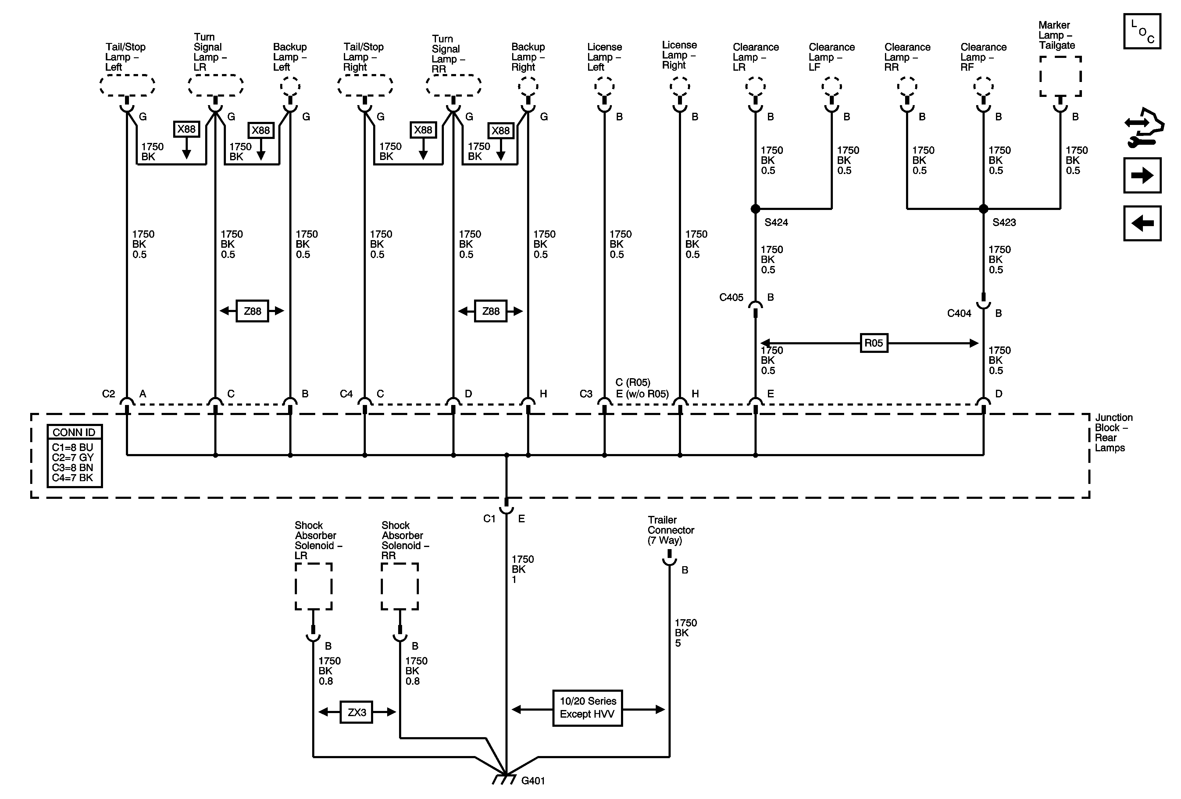
🢒 G401
G401
G401
Master Electrical Component List
Control Module References
G403
G304, G305, G306, and G390