GM Service Manual Online
For 1990-2009 cars only
Makes
🢒
Chevrolet
🢒
2007
🢒
Silverado Classic - 2WD
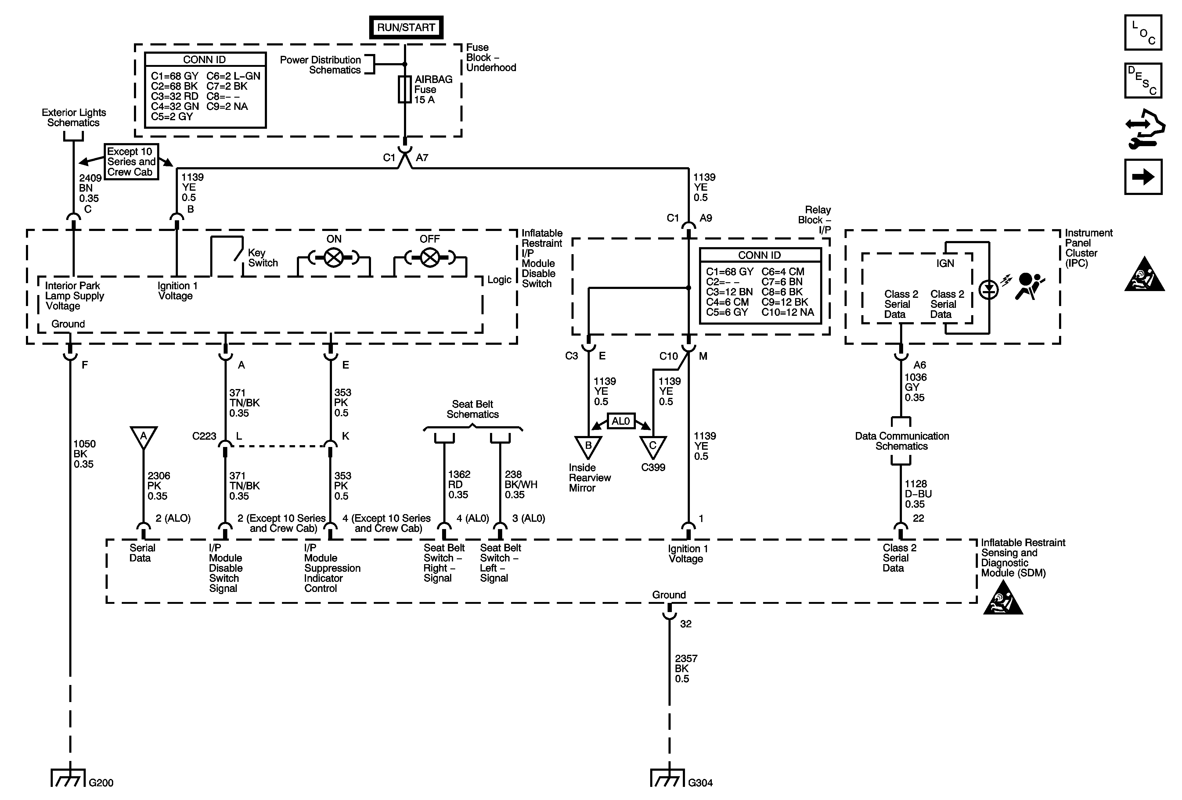
🢒 Power, Ground, Serial Data, and Disable Switch
Power, Ground, Serial Data, and Disable Switch
Power, Ground, Serial Data, and Disable Switch
Master Electrical Component List
SIR System Description and Operation
Control Module References
Passenger Presence System (PPS) (AL0)
SIR Schematic Icons
Interior Park
Ignition Switch - ACC/RUN and RUN/START BUS BARS and IGN B Fuse
Passenger Presence System (PPS) (AL0)
G200 - 2 of 2
Seat Belt Schematics
Passenger Presence System (PPS) (AL0)
G304, G305, G306, and G390
SIR Schematic Icons
Power, Ground, DLC and Splice Pack SP205