GM Service Manual Online
For 1990-2009 cars only
Makes
🢒
Chevrolet
🢒
2007
🢒
Silverado - 2WD
🢒
Engine
🢒
Engine Electrical
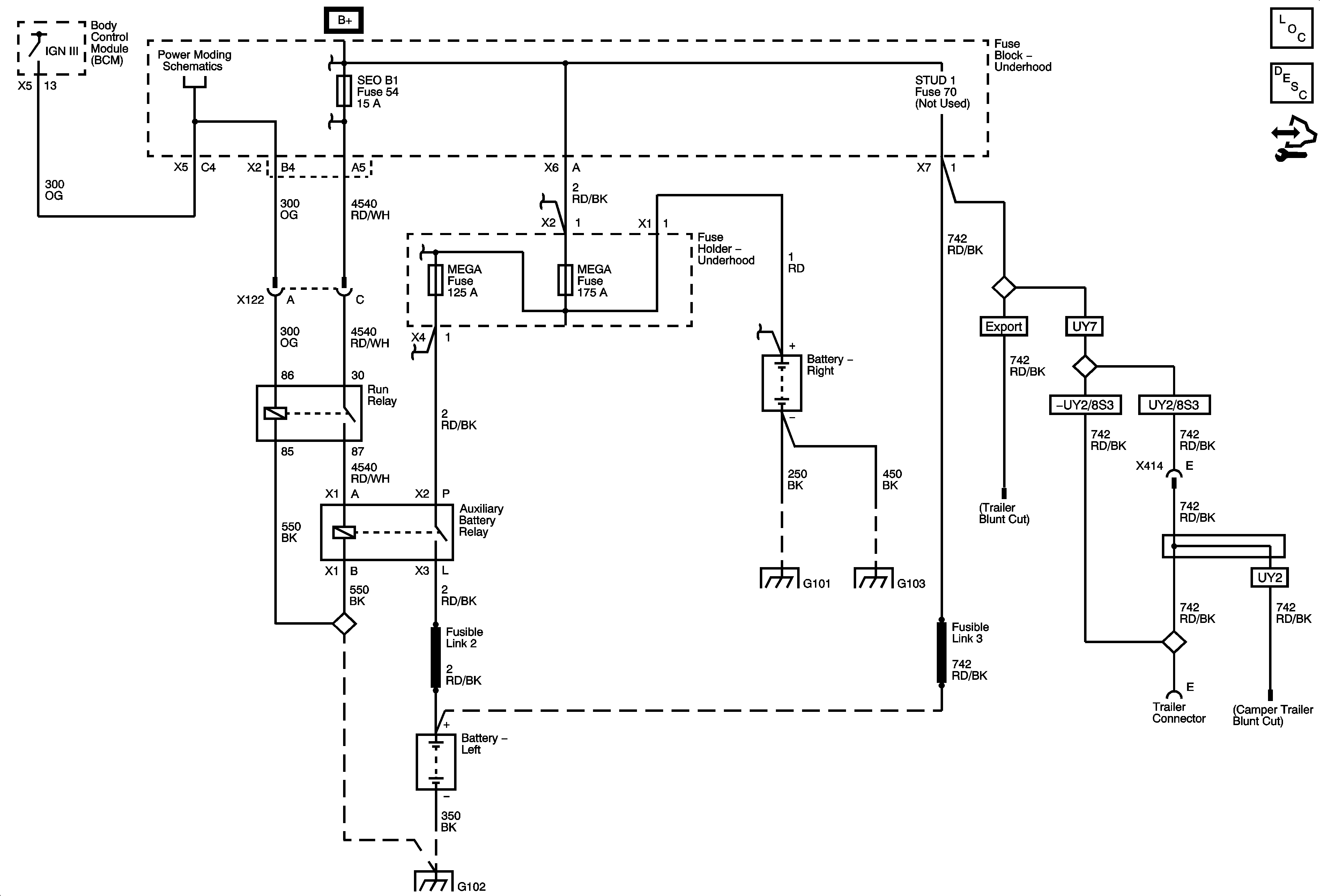
🢒 Auxiliary Battery Schematics
Master Electrical Component List
Battery Description and Operation
Control Module References
ABS-1, ABS-2, HEAVY DUTY ABS, HVAC BLWR, STUD 1, STUD 2 and WSW/HTR Fuses
G101
G106 (4.3L) and G103
G102, G107 (4.3L), G104, G108