GM Service Manual Online
For 1990-2009 cars only
Makes
🢒
Chevrolet
🢒
2007
🢒
Silverado - 2WD
🢒
Diagnostic Navigation
🢒
Vehicle Diagnostic Information
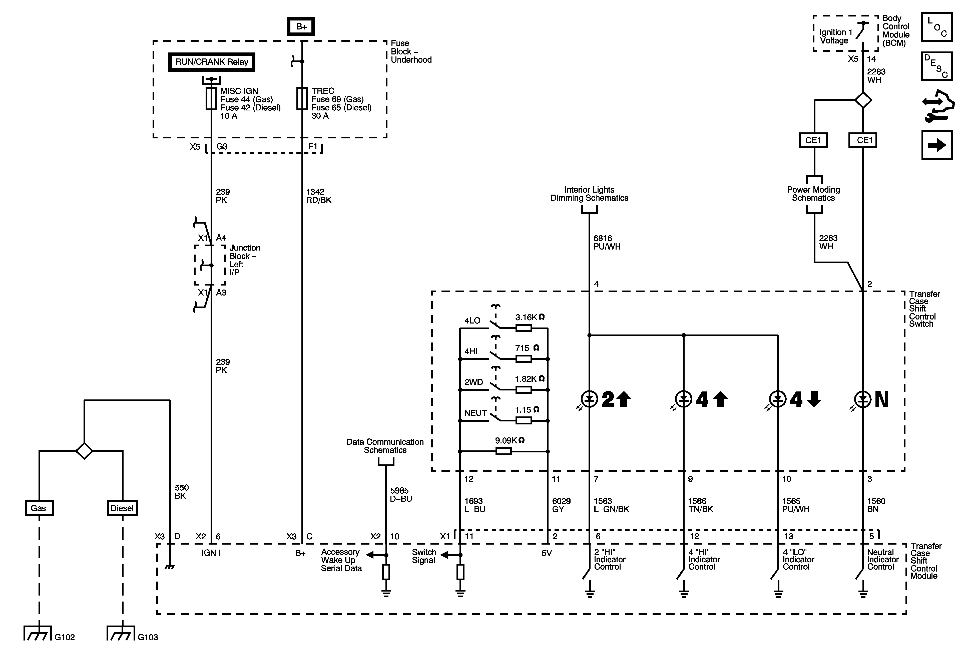
🢒 Transfer Case Control Schematics
Figure
1:
Power, Ground and Shift Controls
Master Electrical Component List
Transfer Case Description and Operation
Control Module References
Transfer Case Controls
Ignition II/III Voltage
RUN/CRANK BUS - AIRBAG IGN, MISC IGN and SEO/ALC Fuses
AMP, ELEC RUN BOARD, ESC/ALC EXH, EXP/PTO, INFOTMNT, and TREC Fuses
LED Dimming 3 of 3
Ignition I Voltage and 12 Volt Reference
Accessory Wakeup Serial Data
G102, G107 (4.3L), G104, G108
G106 (4.3L) and G103
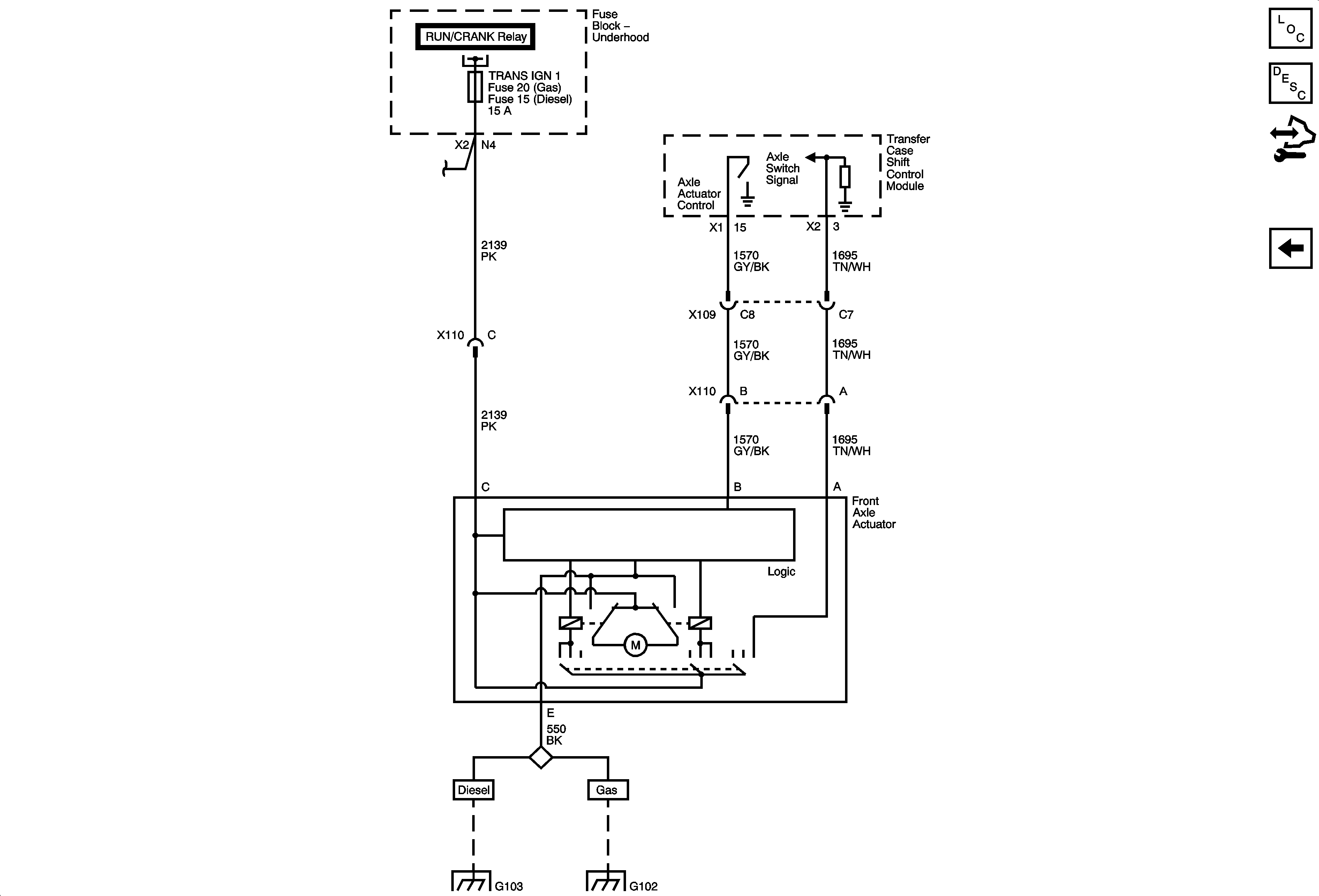
Figure
2:
Transfer Case Controls
Master Electrical Component List
Transfer Case Description and Operation
Control Module References
Front Axle Controls
Power, Ground and Shift Controls
High Speed Bus - 2 of 3
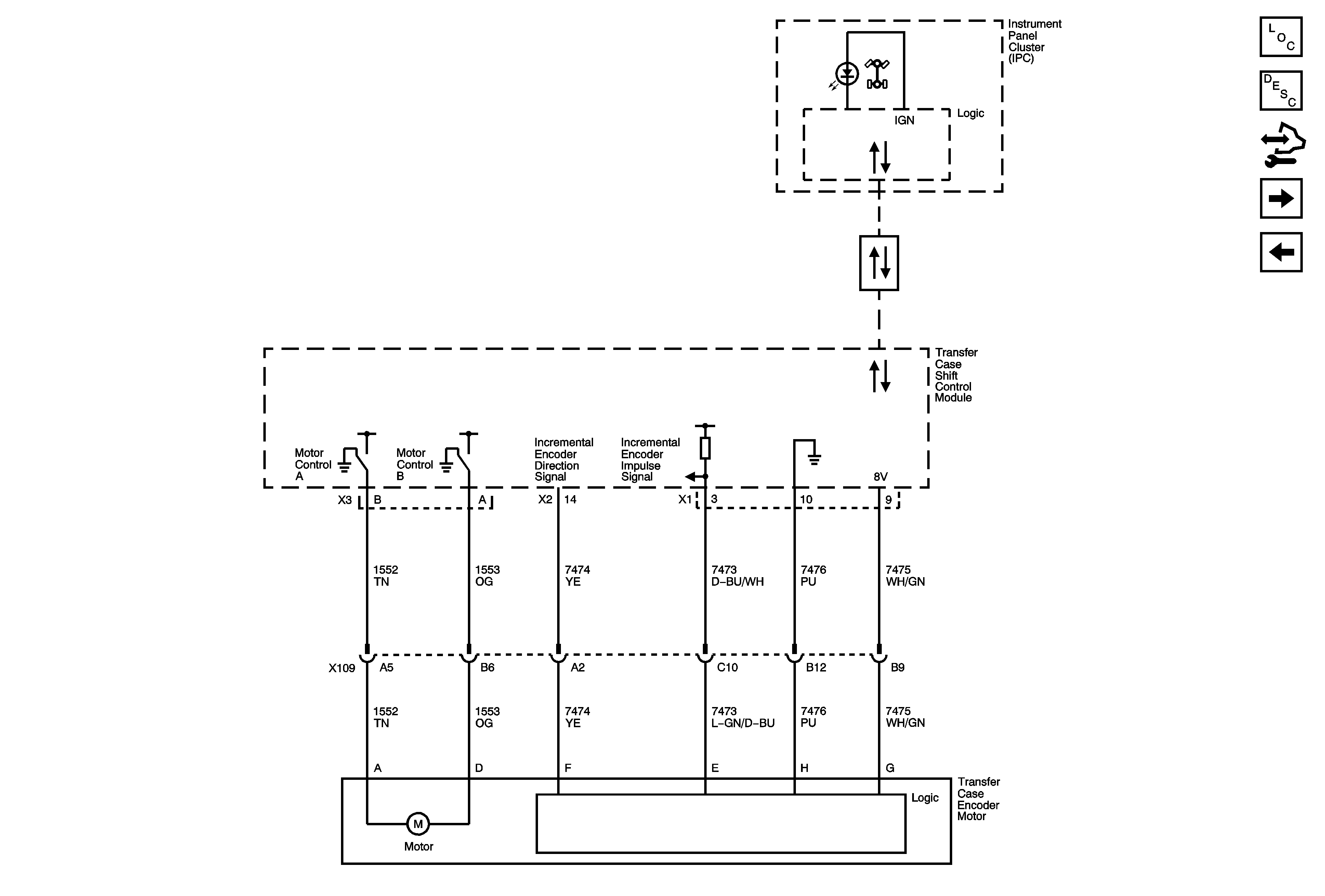
Figure
3:
Front Axle Controls
Master Electrical Component List
Transfer Case Description and Operation
Control Module References
Transfer Case Controls
Ignition II/III Voltage
RUN/CRANK BUS - ECM-IGN and TRANS IGN 1 Fuses
G106 (4.3L) and G103
G102, G107 (4.3L), G104, G108