GM Service Manual Online
For 1990-2009 cars only
Makes
🢒
Chevrolet
🢒
2007
🢒
Silverado - 2WD
🢒
Body Systems
🢒
Lighting
🢒 Headlights/Daytime Running Lights (DRL) Schematics
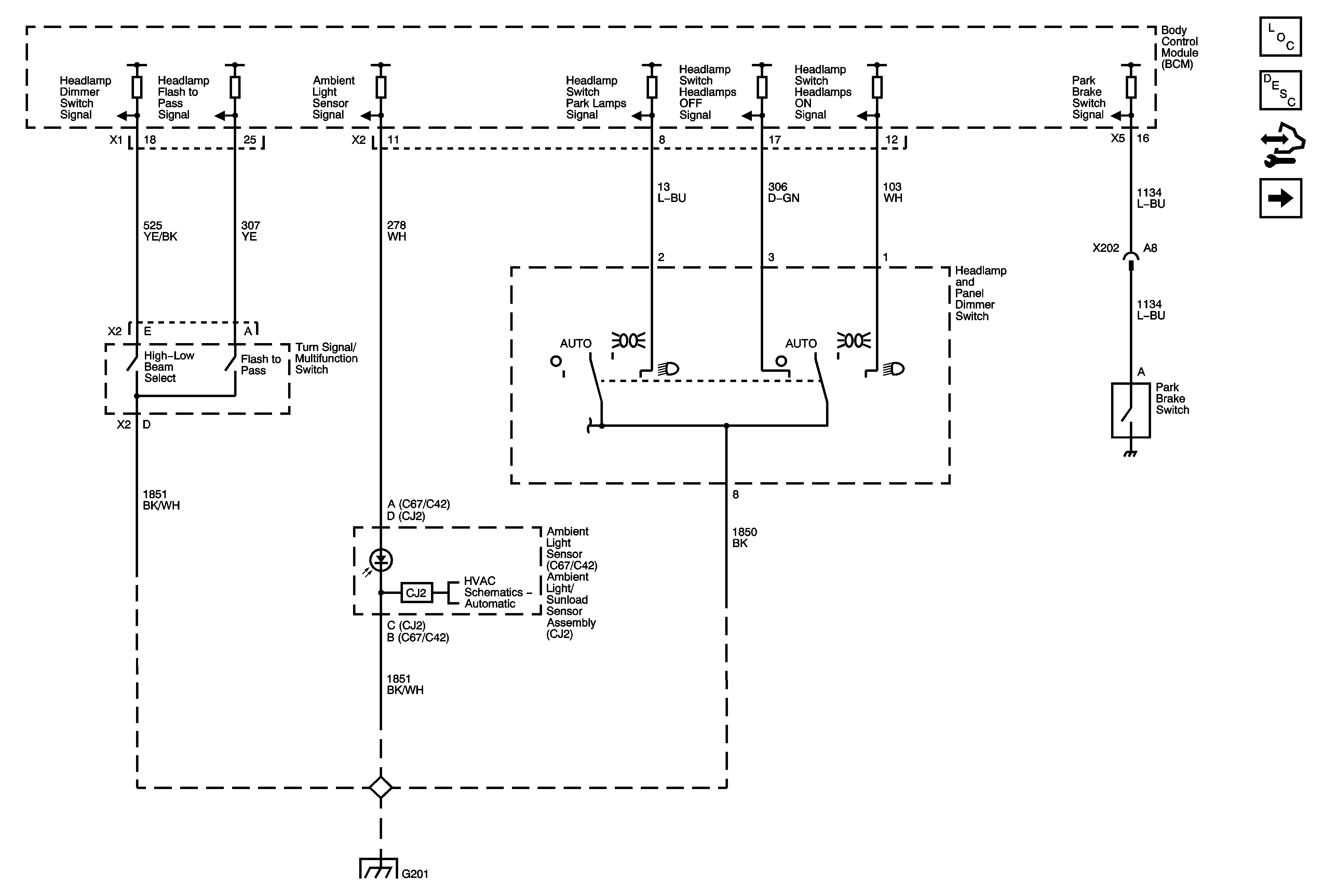
Figure
1:
Headlight and Daytime Running Light Controls
Master Electrical Component List
Exterior Lighting Systems Description and Operation
Control Module References
Low Beam and Daytime Running Lights
Temperature Controls
G201 1 of 2
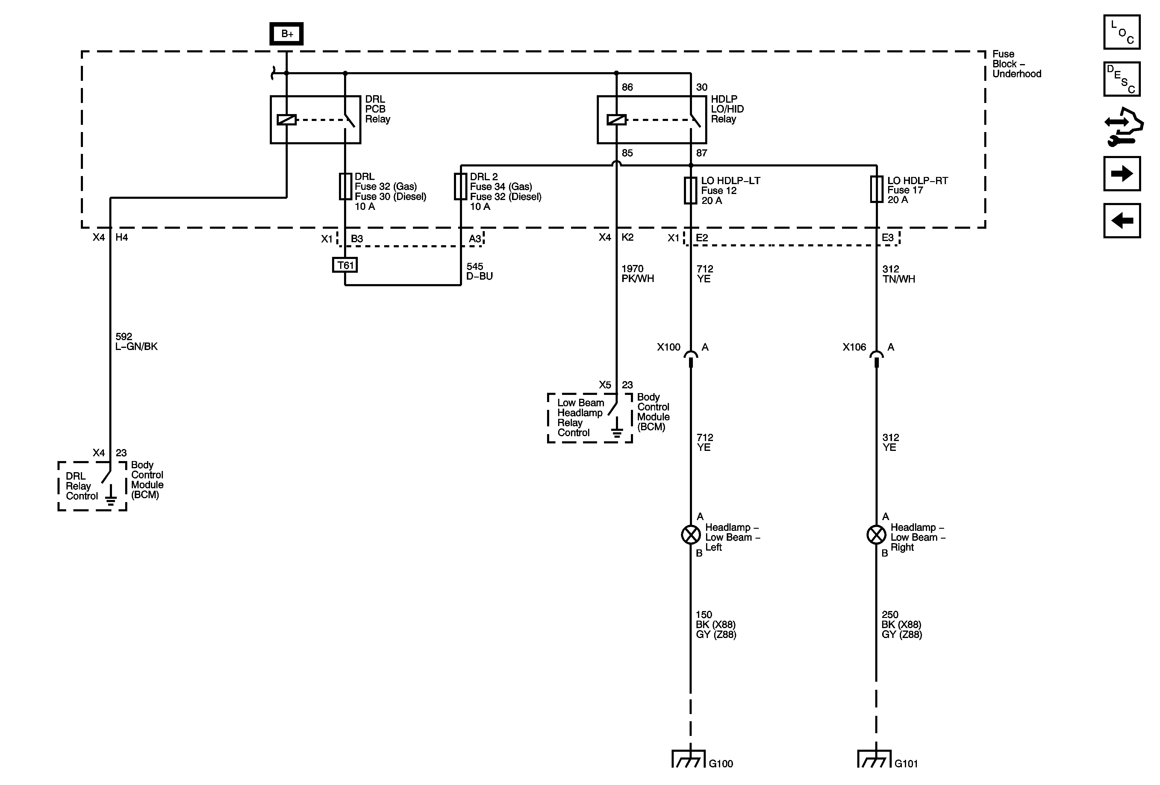
Figure
2:
Low Beam and Daytime Running Lights
Master Electrical Component List
Exterior Lighting Systems Description and Operation
Control Module References
High Beams
Headlight and Daytime Running Light Control
DRL, DRL 2, FOG LAMP, LO HDLP-LT, LO HDLP-RT, HI HDLP-LT and HI HDLP-RT Fuses
DRL, DRL 2, FOG LAMP, LO HDLP-LT, LO HDLP-RT, HI HDLP-LT and HI HDLP-RT Fuses
DRL, DRL 2, FOG LAMP, LO HDLP-LT, LO HDLP-RT, HI HDLP-LT and HI HDLP-RT Fuses
DRL, DRL 2, FOG LAMP, LO HDLP-LT, LO HDLP-RT, HI HDLP-LT and HI HDLP-RT Fuses
G100
G101
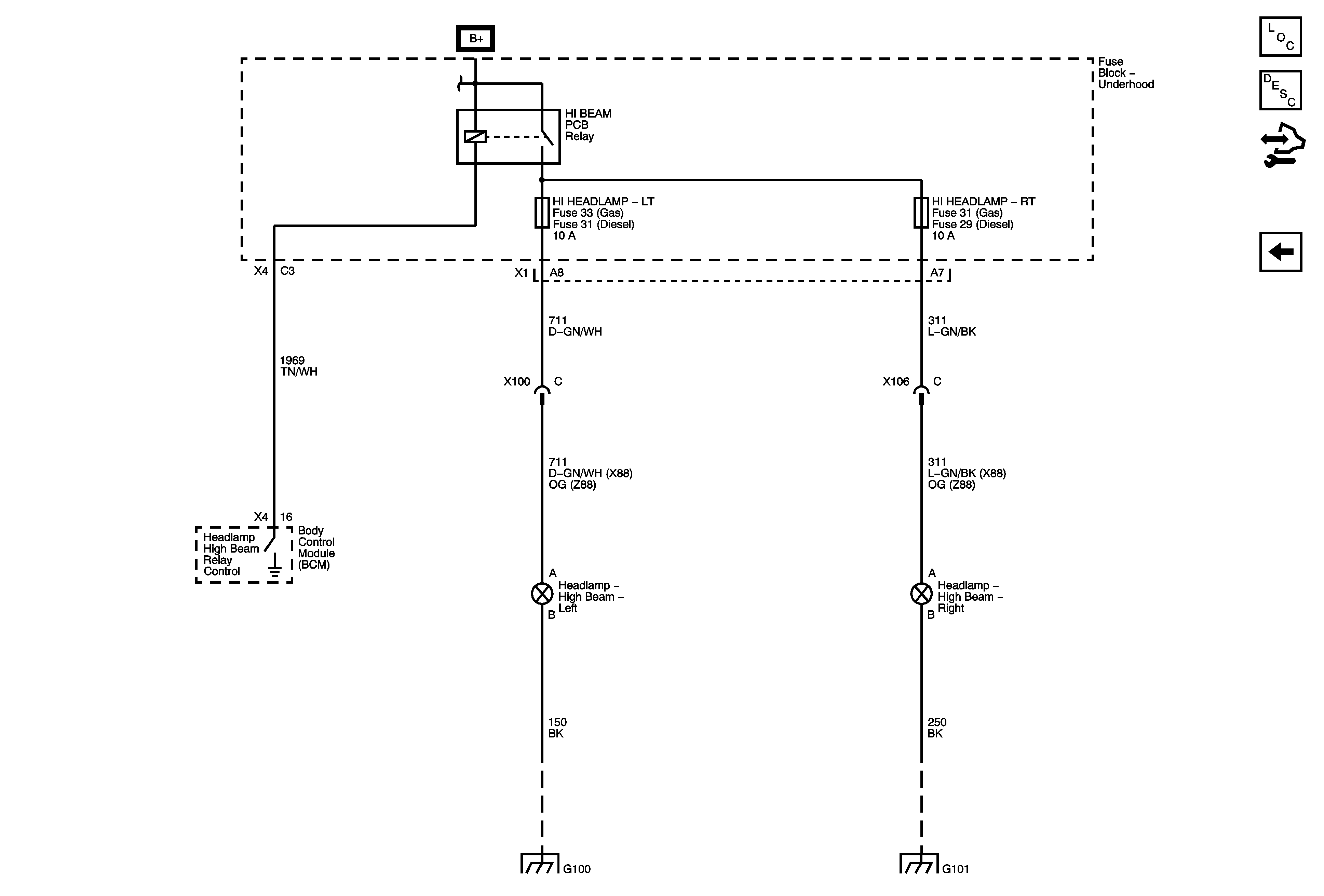
Figure
3:
High Beams
Master Electrical Component List
Exterior Lighting Systems Description and Operation
Control Module References
Low Beam and Daytime Running Lights
DRL, DRL 2, FOG LAMP, LO HDLP-LT, LO HDLP-RT, HI HDLP-LT and HI HDLP-RT Fuses
DRL, DRL 2, FOG LAMP, LO HDLP-LT, LO HDLP-RT, HI HDLP-LT and HI HDLP-RT Fuses
G100
G101