GM Service Manual Online
For 1990-2009 cars only
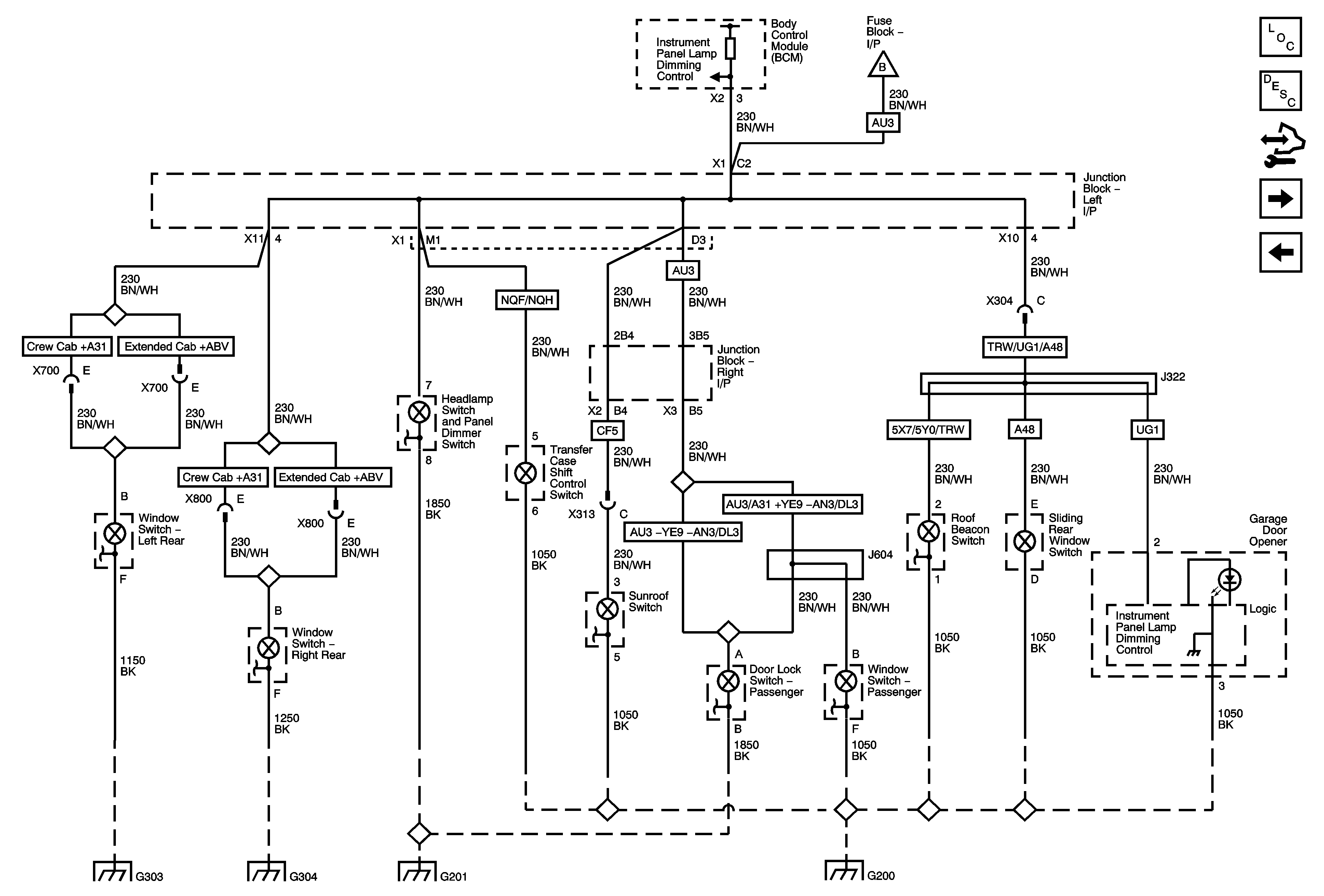
Figure 1:

Dimming Control and LED Dimming 1 of 3


Object Number: 1848616  Size: FS
Master Electrical Component List
Interior Lighting Systems Description and Operation
Control Module References
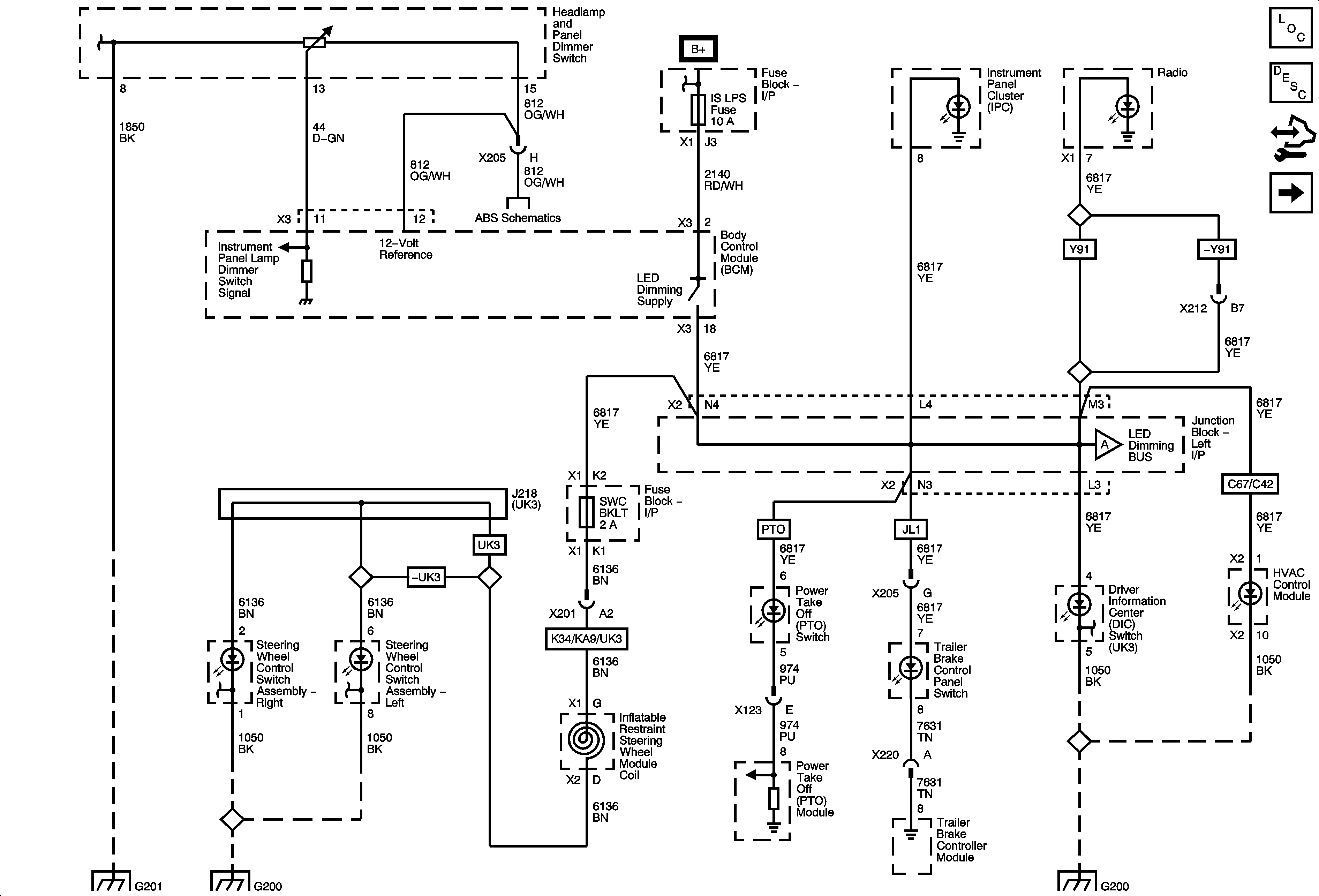
LED Dimming 2 of 3
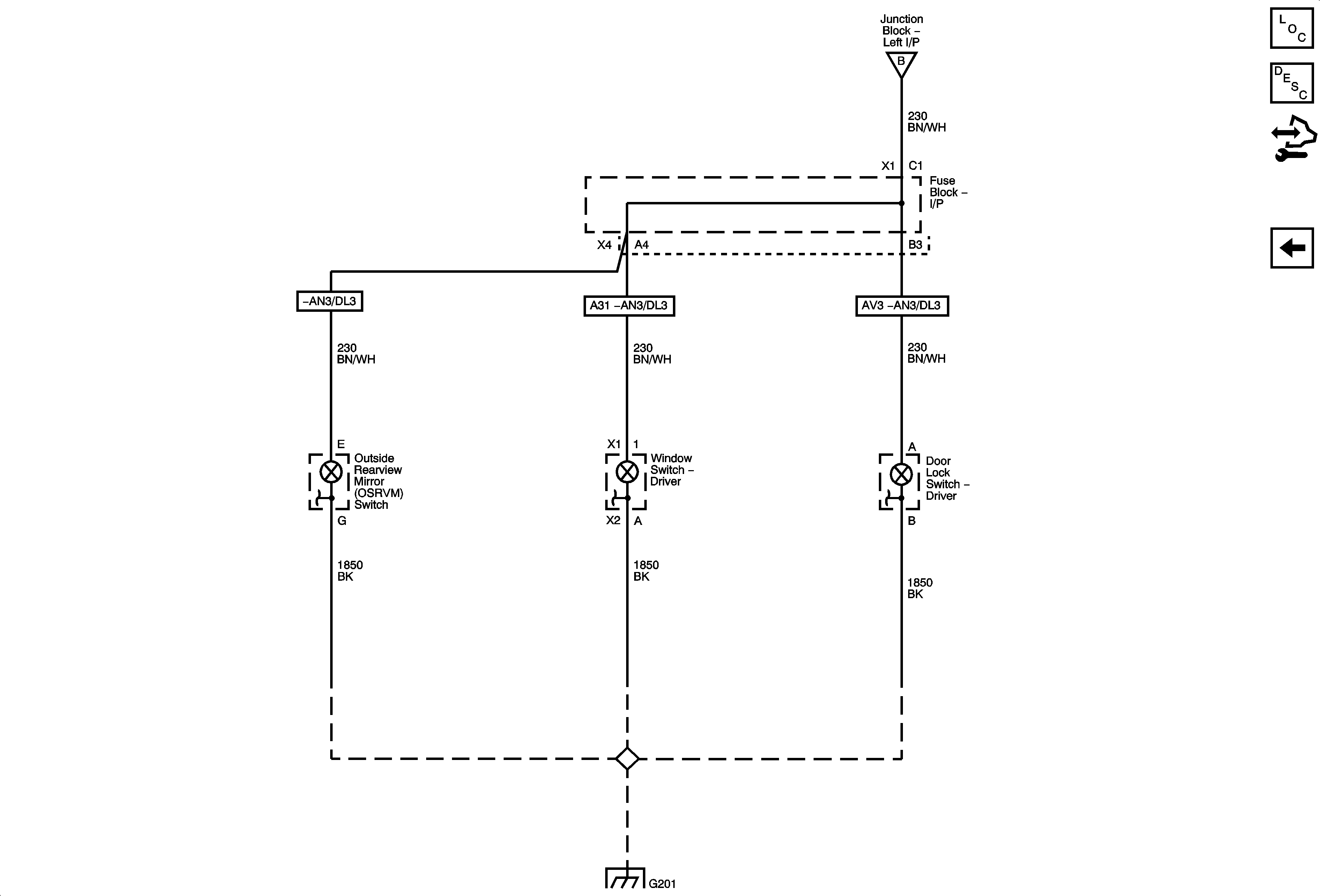
Module Power, Ground, Serial Data, Pump Motor and Brake Switch JL4
LED Dimming 2 of 3
G201 1 of 2
G200 1 of 2
G200 1 of 2
Figure 2:

LED Dimming 2 of 3


Object Number: 1848617  Size: FS
Master Electrical Component List
Interior Lighting Systems Description and Operation
Control Module References
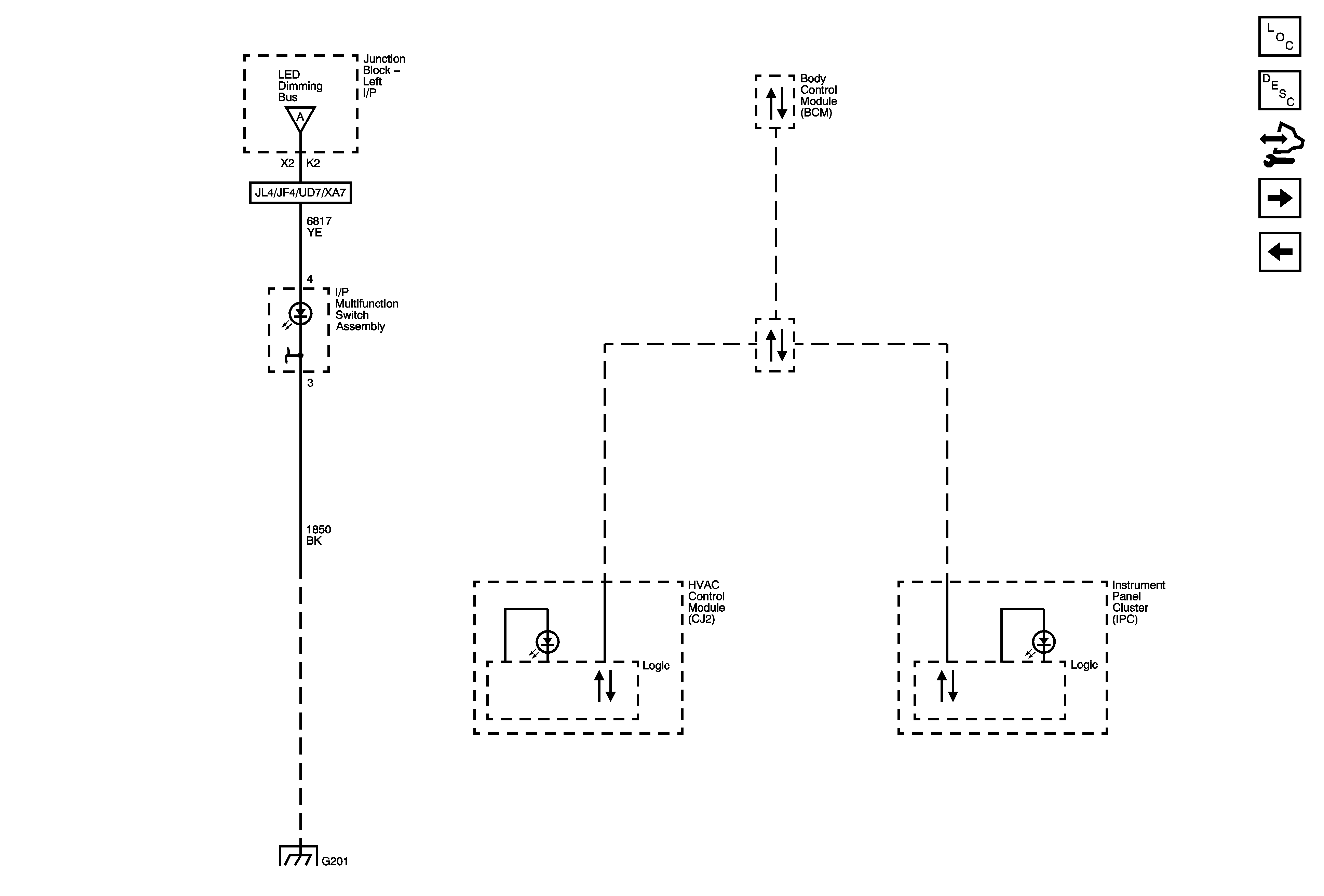
LED Dimming 3 of 3
Dimming Control and LED Dimming 1 of 3
Dimming Control and LED Dimming 1 of 3
Low Speed Bus - 1 of 3
G201 1 of 2
Figure 3:

LED Dimming 3 of 3


Object Number: 1848618  Size: FS
Master Electrical Component List
Interior Lighting Systems Description and Operation
Control Module References
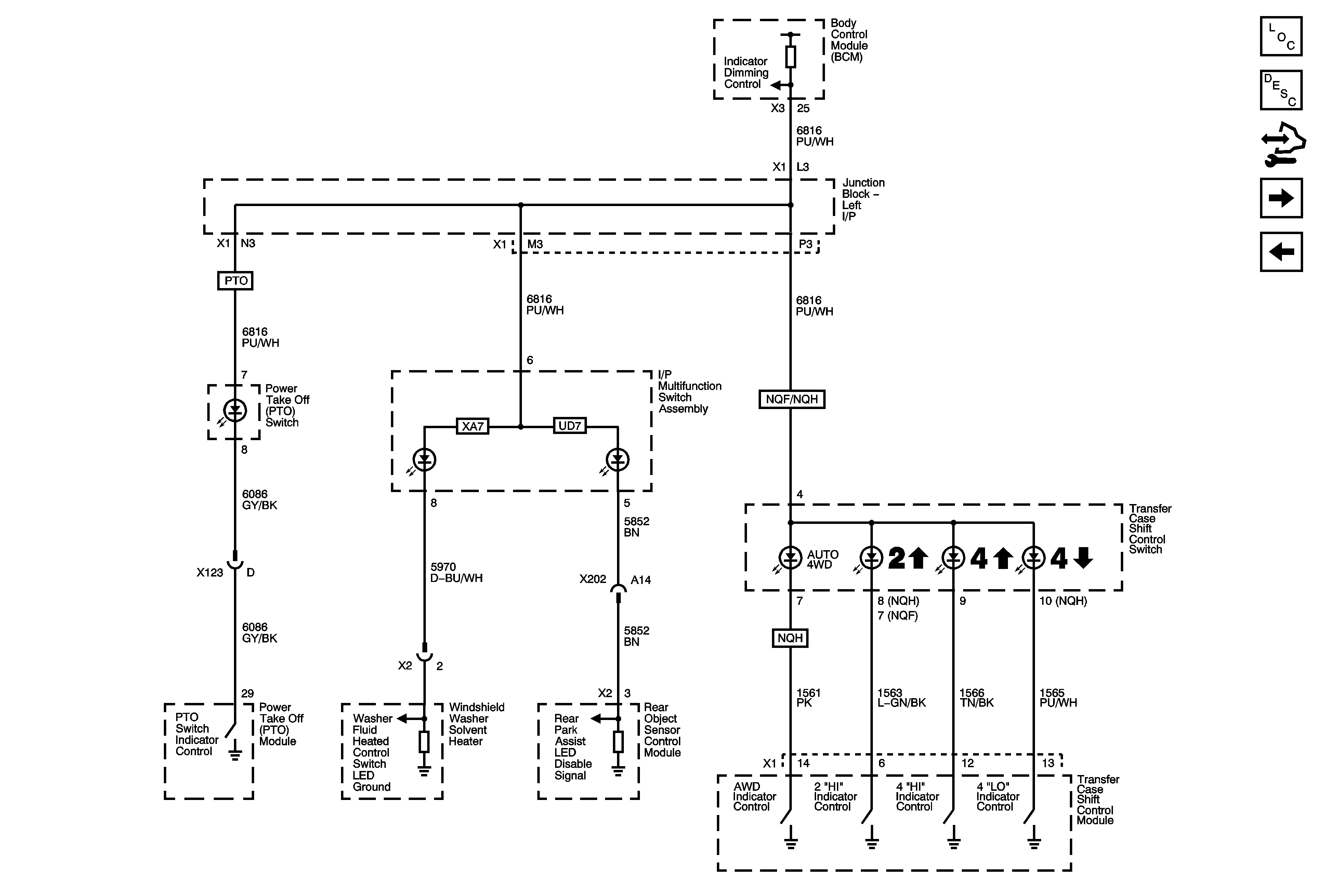
I/P Bulb Dimming 1 of 2
LED Dimming 2 of 3
Figure 4:

I/P Bulb Dimming 1 of 2


Object Number: 1848619  Size: FS
Master Electrical Component List
Interior Lighting Systems Description and Operation
Control Module References
I/P Bulb Dimming 2 of 2
LED Dimming 3 of 3
I/P Bulb Dimming 2 of 2
G303, G304, G305 and G307
G303, G304, G305 and G307
G201 1 of 2
G200 1 of 2
Figure 5:

I/P Bulb Dimming 2 of 2


Object Number: 1848622  Size: FS
Master Electrical Component List
Interior Lighting Systems Description and Operation
Control Module References
I/P Bulb Dimming 1 of 2
I/P Bulb Dimming 1 of 2
G201 1 of 2