GM Service Manual Online
For 1990-2009 cars only
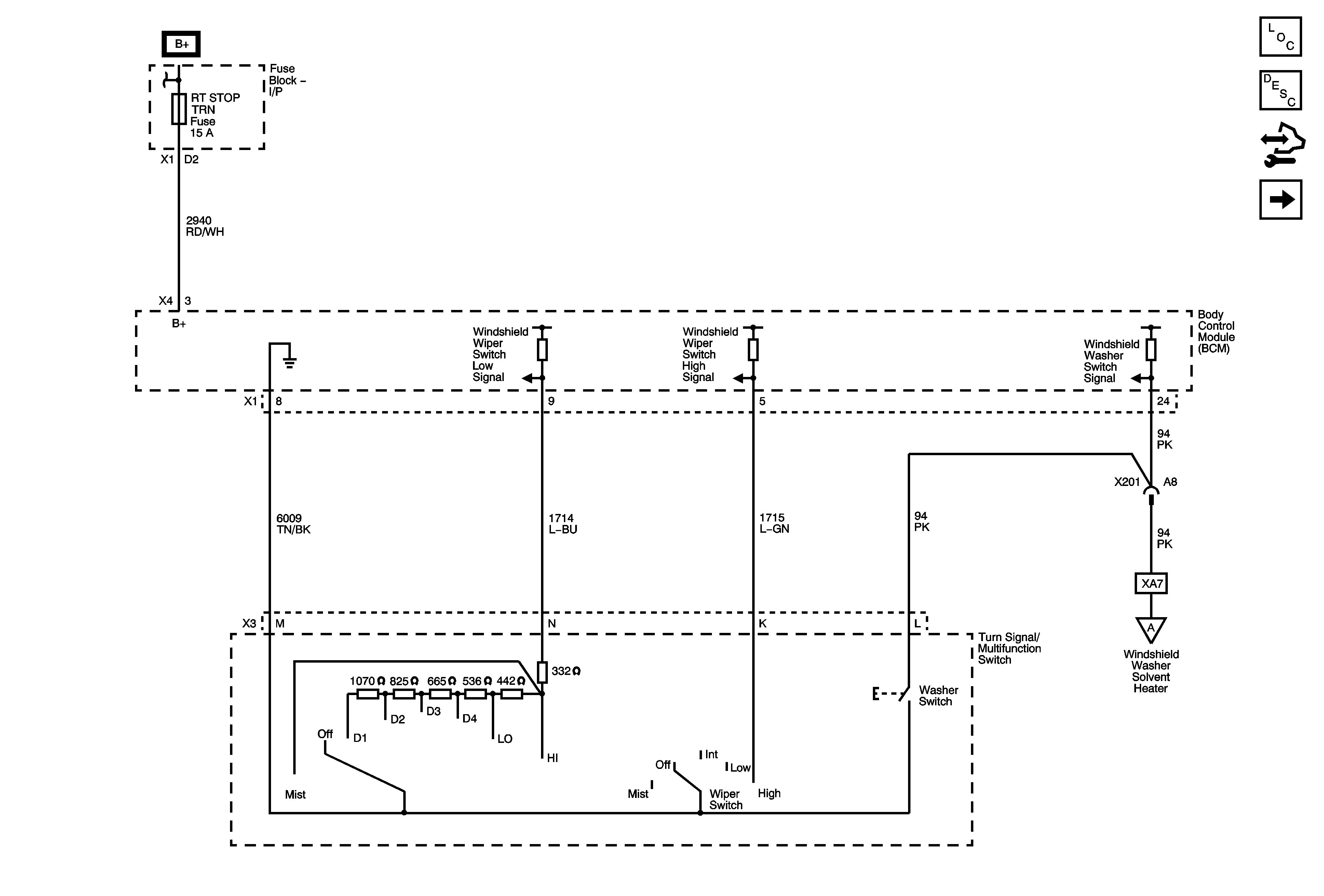
Figure 1:

Wiper Controls


Object Number: 1849317  Size: FS
Master Electrical Component List
Wiper/Washer System Description and Operation
Control Module References
Wiper and Washer Motor Control
BCM, COOLED SEATS, CTSY, DDM, DIM, DSM, LBEC 2, PWR MIR, REAR HVAC and RT STOP TRN Fuses
Heated Washer (XA7)
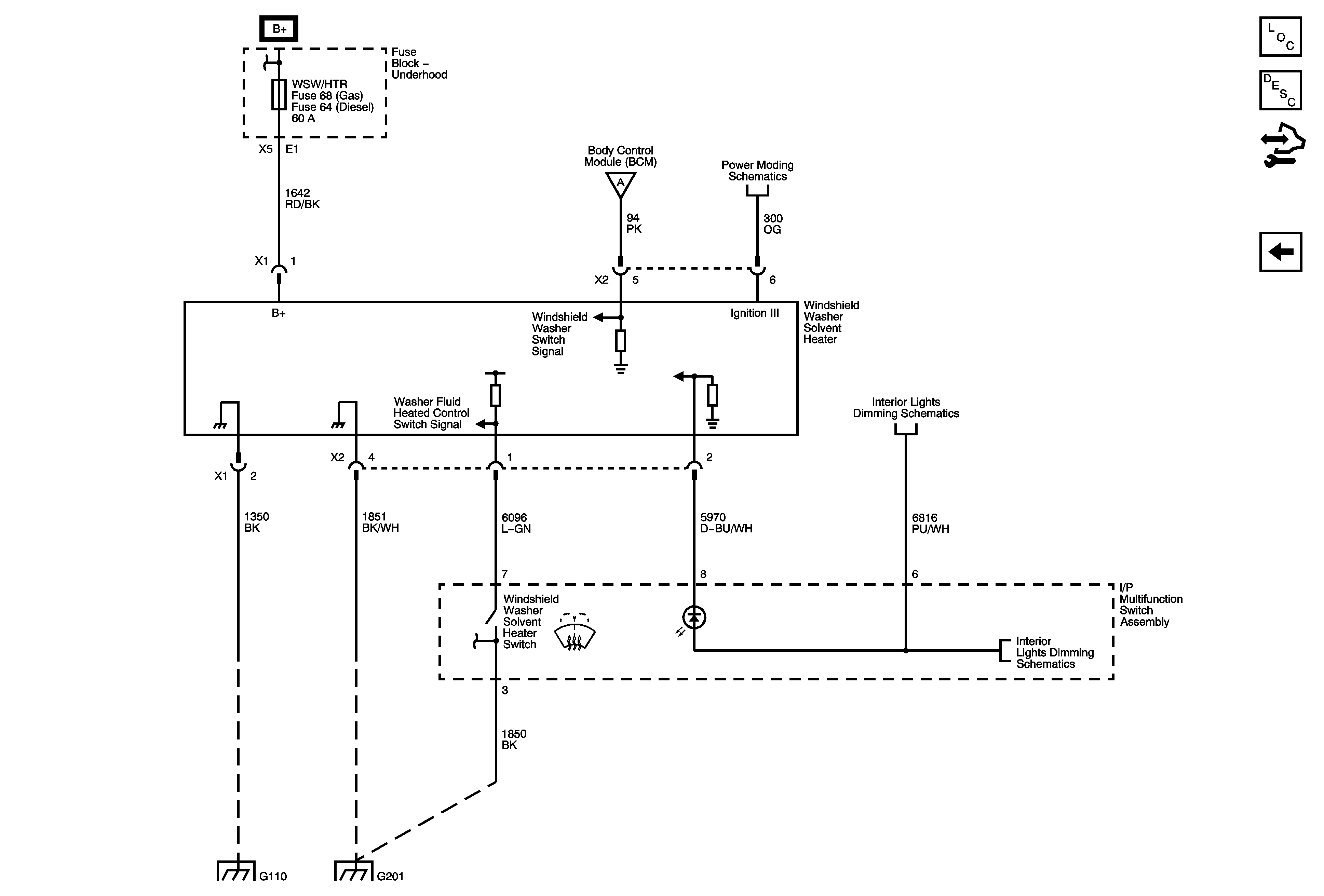
Figure 2:

Wiper and Washer Motor Control


Object Number: 1849318  Size: FS
Master Electrical Component List
Wiper/Washer System Description and Operation
Control Module References
Outside Moisture Sensor (CE1)
Wiper Controls
B+ Bus - 3 of 3
A/C CMPRSR, FRT WASH, FUEL PUMP, HORN, HTD MIR, REAR DEFOG and STRTR Fuses
G106 (4.3L) and G103
G102, G107 (4.3L), G104, G108
G201 1 of 2
G100
G101
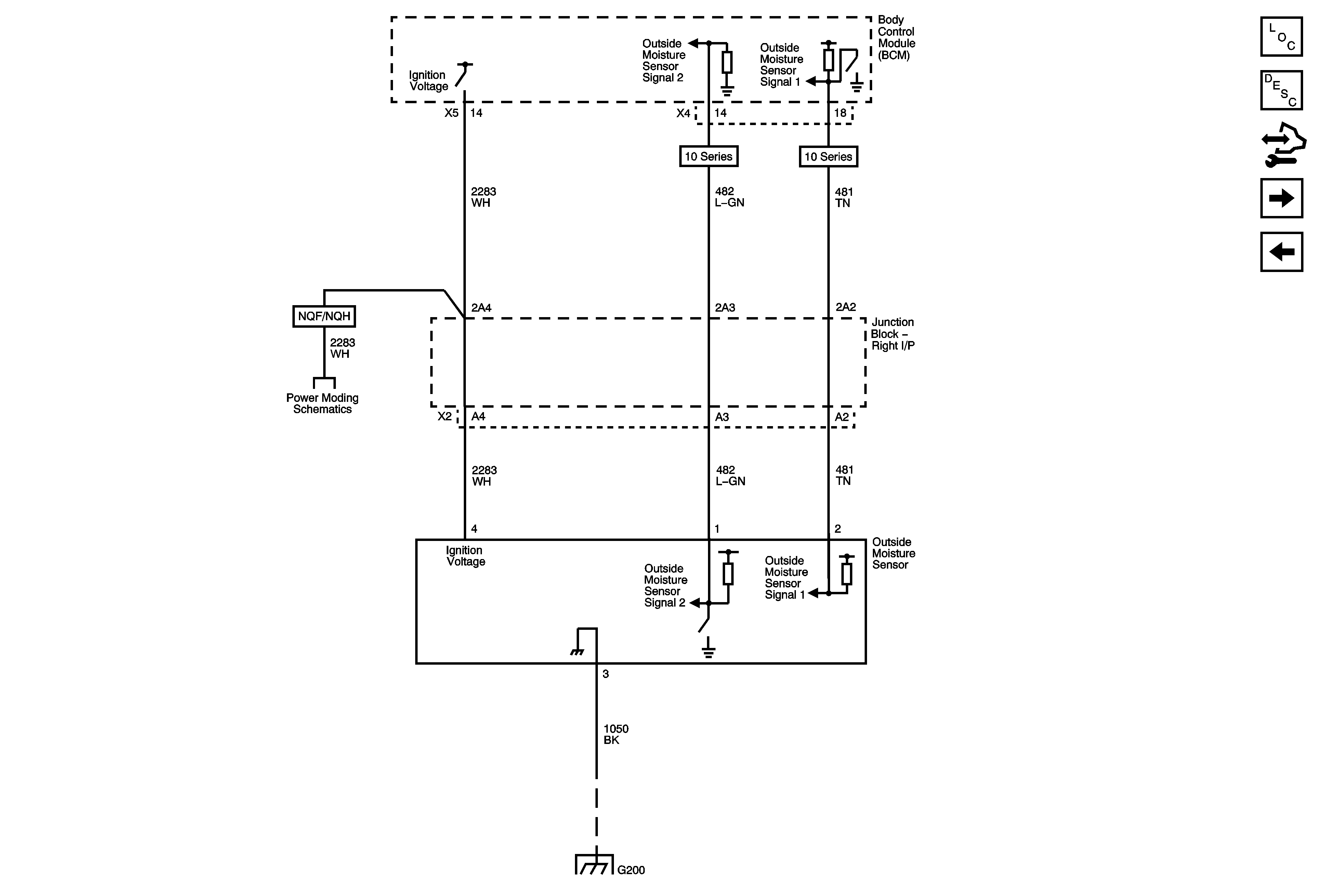
Figure 3:

Outside Moisture Sensor (CE1)


Object Number: 1849320  Size: FS
Master Electrical Component List
Wiper/Washer System Description and Operation
Control Module References
Heated Washer (XA7)
Wiper and Washer Motor Control
G200 1 of 2
Ignition I Voltage and 12 Volt Reference
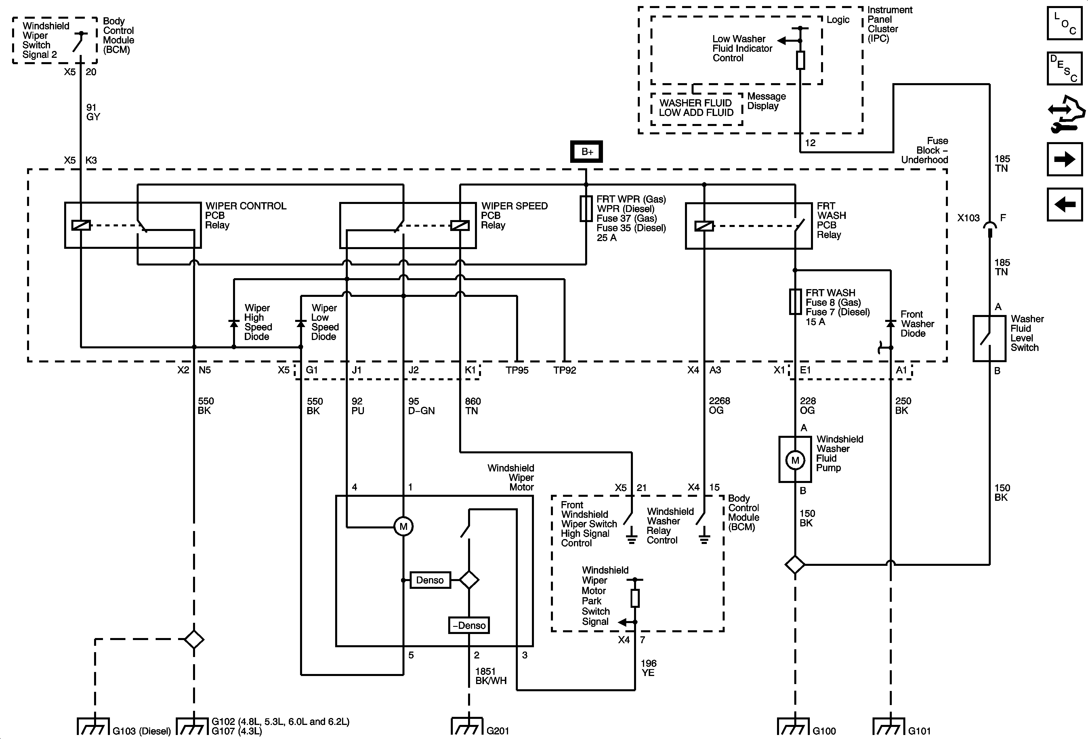
Figure 4:

Heated Washers (XA7)


Object Number: 1849319  Size: FS
Master Electrical Component List
Wiper/Washer System Description and Operation
Control Module References
Outside Moisture Sensor (CE1)
ABS-1, ABS-2, HEAVY DUTY ABS, HVAC BLWR, STUD 1, STUD 2 and WSW/HTR Fuses
Wiper Controls
Ignition III Voltage and Accessory Voltage
LED Dimming 3 of 3
LED Dimming 3 of 3
G106 (Diesel), G105, G110 and G111
G201 1 of 2