GM Service Manual Online
For 1990-2009 cars only
Makes
🢒
Chevrolet
🢒
2007
🢒
Silverado - 2WD
🢒
Driver Information and Entertainment
🢒
Cellular, Entertainment, and Navigation
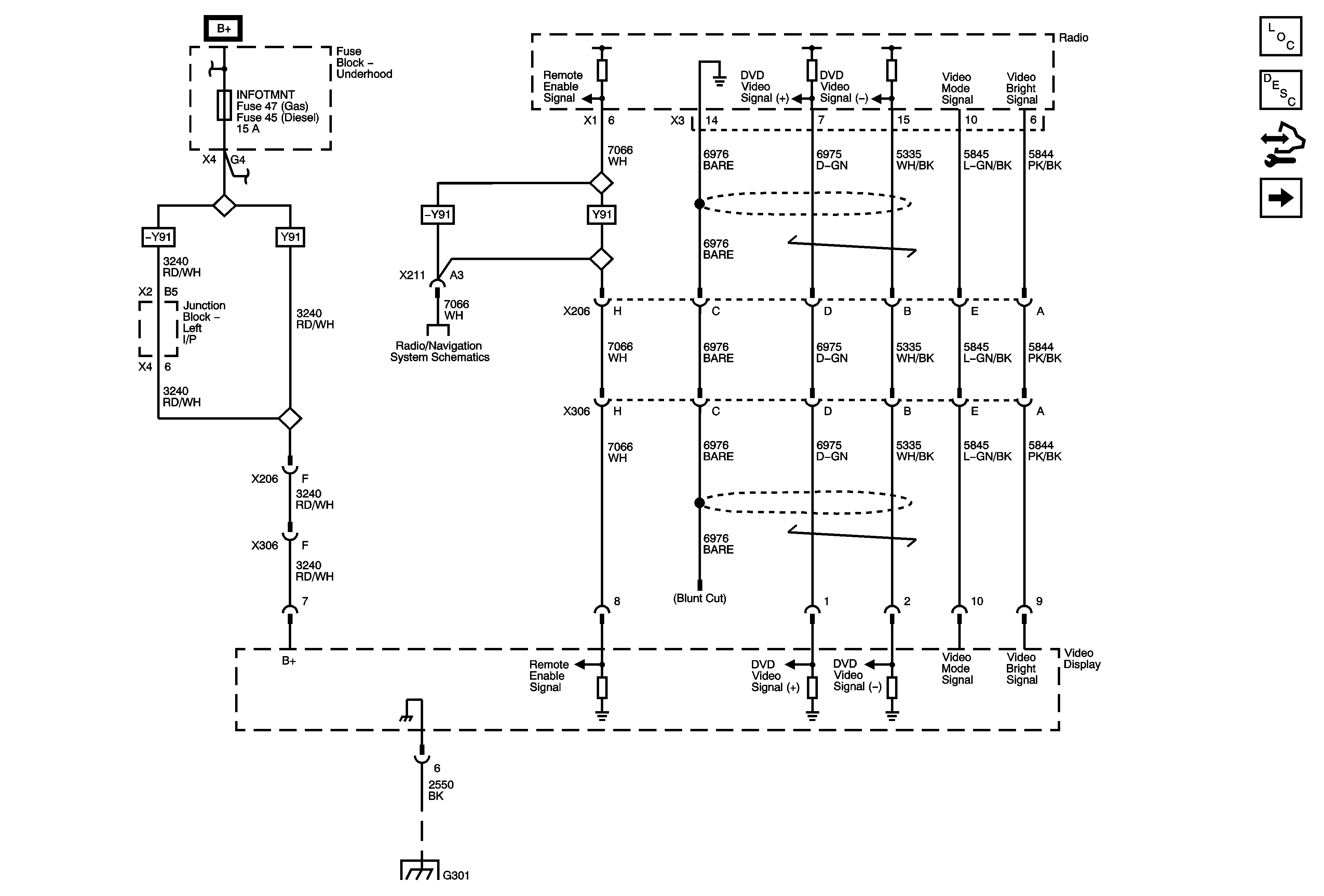
🢒 Video System Schematics
Figure
1:
Display Power, Ground and Video Signals
Master Electrical Component List
Video Entertainment System Description and Operation
Control Module References
Audio Signals
AMP, ELEC RUN BOARD, ESC/ALC EXH, EXP/PTO, INFOTMNT, and TREC Fuses
G301
Figure
2:
Audio Signals
Master Electrical Component List
Video Entertainment System Description and Operation
Control Module References
Display Power, Ground and Video Signals
G301