GM Service Manual Online
For 1990-2009 cars only
Makes
🢒
Chevrolet
🢒
2007
🢒
Silverado - 2WD
🢒
Steering
🢒
Steering Wheel and Column
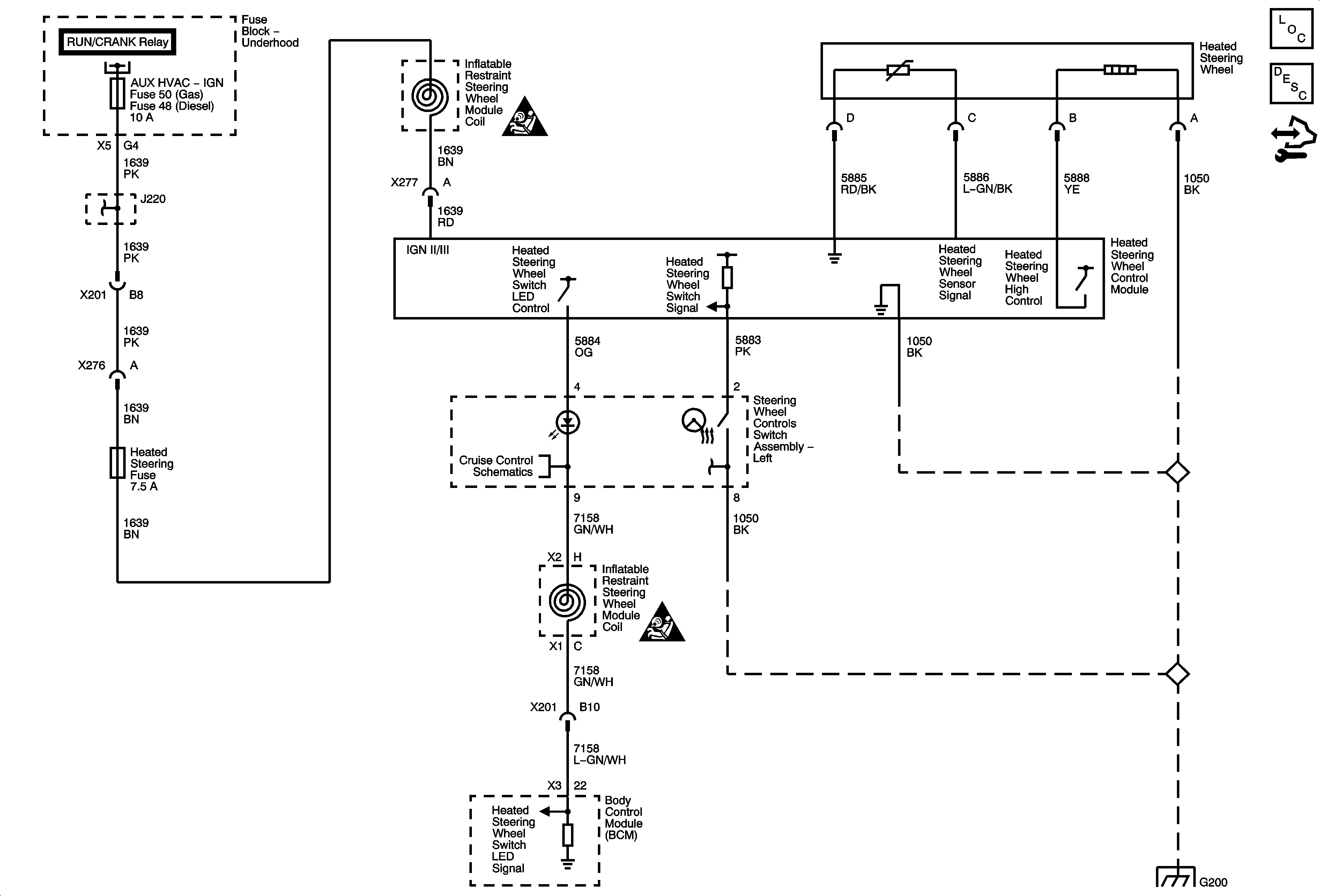
🢒 Steering Wheel Schematics
Master Electrical Component List
Steering Wheel and Column Description and Operation
Control Module References
Ignition II/III Voltage
RUN/CRANK BUS - AUX HVAC- IGN and HVAC-IGN Fuses
Steering Wheel and Column Schematic Icons
Steering Wheel and Column Schematic Icons
G200 1 of 2