GM Service Manual Online
For 1990-2009 cars only
Makes
🢒
Chevrolet
🢒
2007
🢒
Silverado - 2WD
🢒
Power and Signal Distribution
🢒
Power Outlets
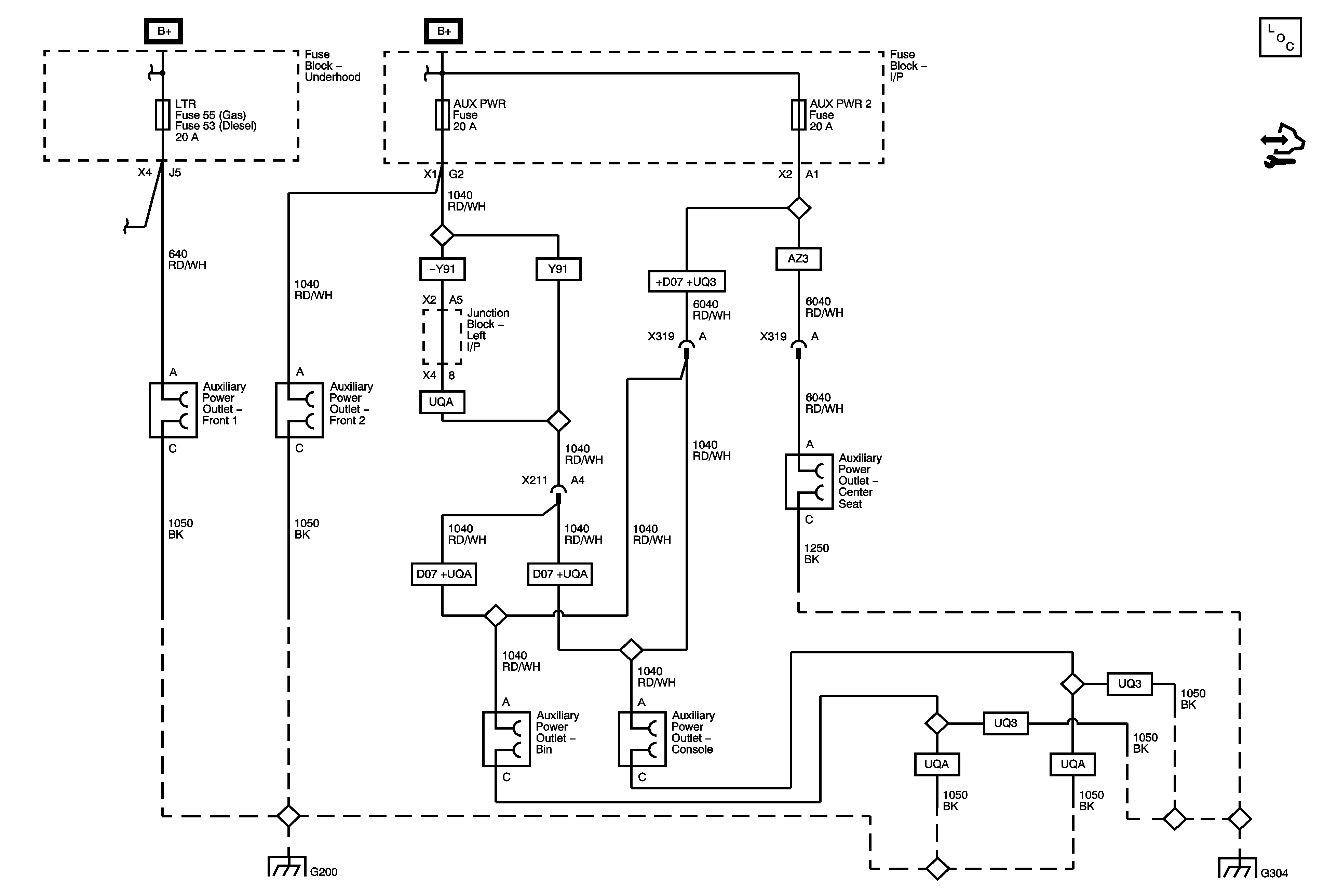
🢒 Cigar Lighter/Power Outlet Schematics
Master Electrical Component List
Control Module References
ECM-BATT, HDLP WASH, HVAC BATT, IPC, LTR, S/ROOF and TCM-BATT Fuses
AUX PWR, AUX PWR 2, LBEC 1, PDM and REAR WPR Fuses
AUX PWR, AUX PWR 2, LBEC 1, PDM and REAR WPR Fuses
G200 1 of 2
G303, G304, G305 and G307