GM Service Manual Online
For 1990-2009 cars only
Makes
🢒
Chevrolet
🢒
2007
🢒
Silverado - 2WD
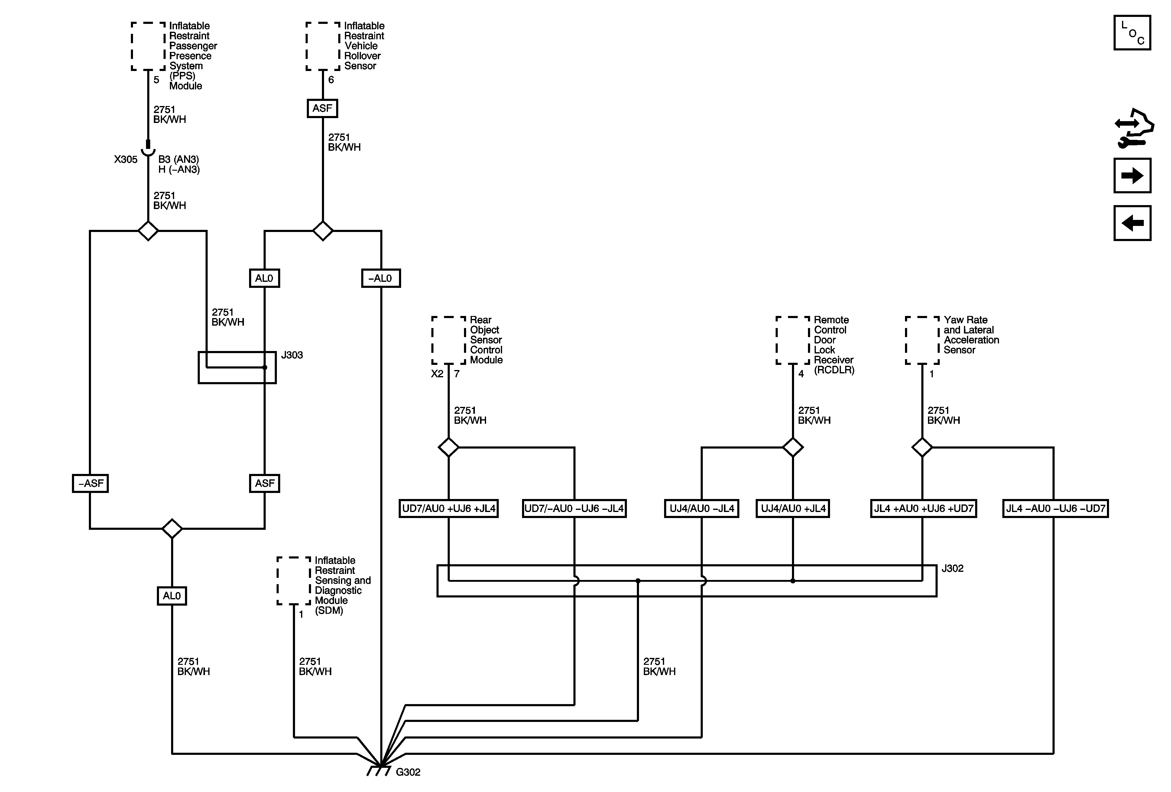
🢒 G302
G302
G302
Master Electrical Component List
Control Module References
G303, G304, G305 and G307
G301