GM Service Manual Online
For 1990-2009 cars only
Makes
🢒
Chevrolet
🢒
2007
🢒
Silverado - 2WD
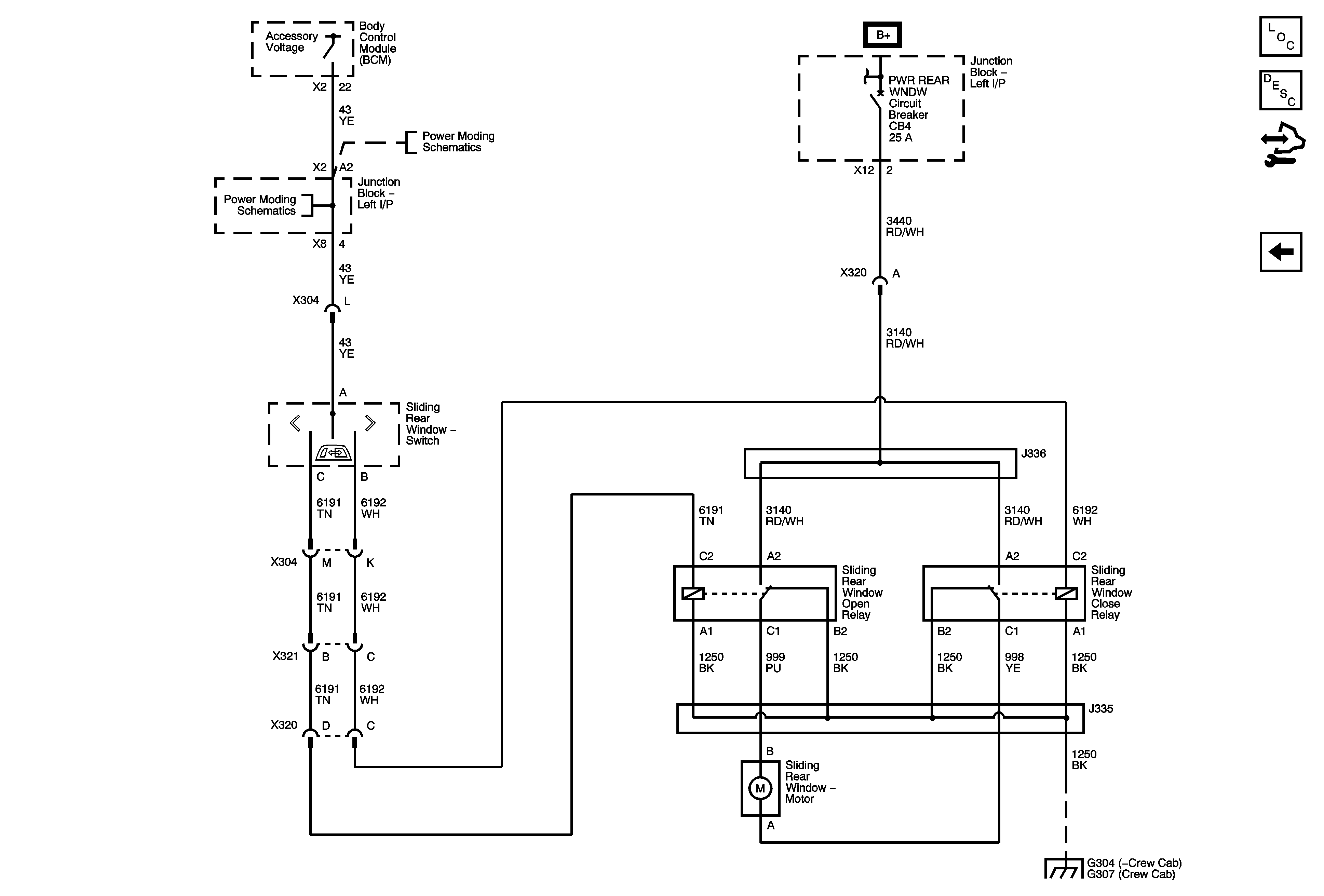
🢒 Sliding Rear Window (A48)
Sliding Rear Window (A48)
Sliding Rear Window (A48)
Master Electrical Component List
Power Windows Description and Operation (Rear Window)
Control Module References
Right Doors Except AN3/DL3
MBEC 1 Fuse and DRIVER SEAT 2, PASS SEAT 1, PWR REAR WNDW and RT DOORS Circuit Breakers
Ignition III Voltage and Accessory Voltage
Ignition III Voltage and Accessory Voltage
G303, G304, G305 and G307