GM Service Manual Online
For 1990-2009 cars only
Makes
🢒
Chevrolet
🢒
2007
🢒
Silverado - 2WD
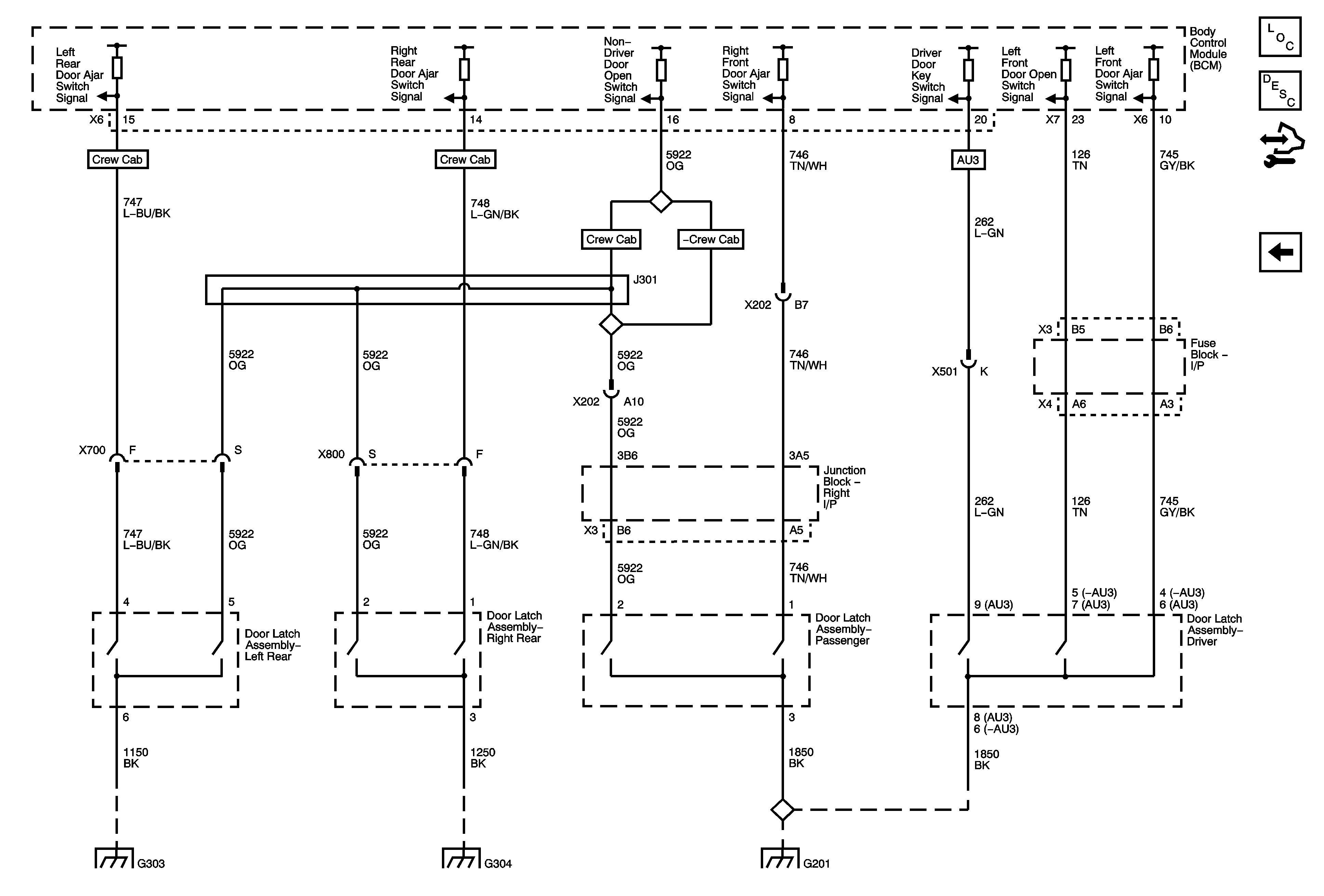
🢒 Door Jamb Switches -AN3/DL3
Door Jamb Switches -AN3/DL3
Door Jamb Switches (-AN3/DL3)
Master Electrical Component List
Interior Lighting Systems Description and Operation
Control Module References
Door Jamb Switches AN3/DL3
G303, G304, G305 and G307
G303, G304, G305 and G307
G201 1 of 2