GM Service Manual Online
For 1990-2009 cars only
Makes
🢒
Chevrolet
🢒
2007
🢒
Silverado - 2WD
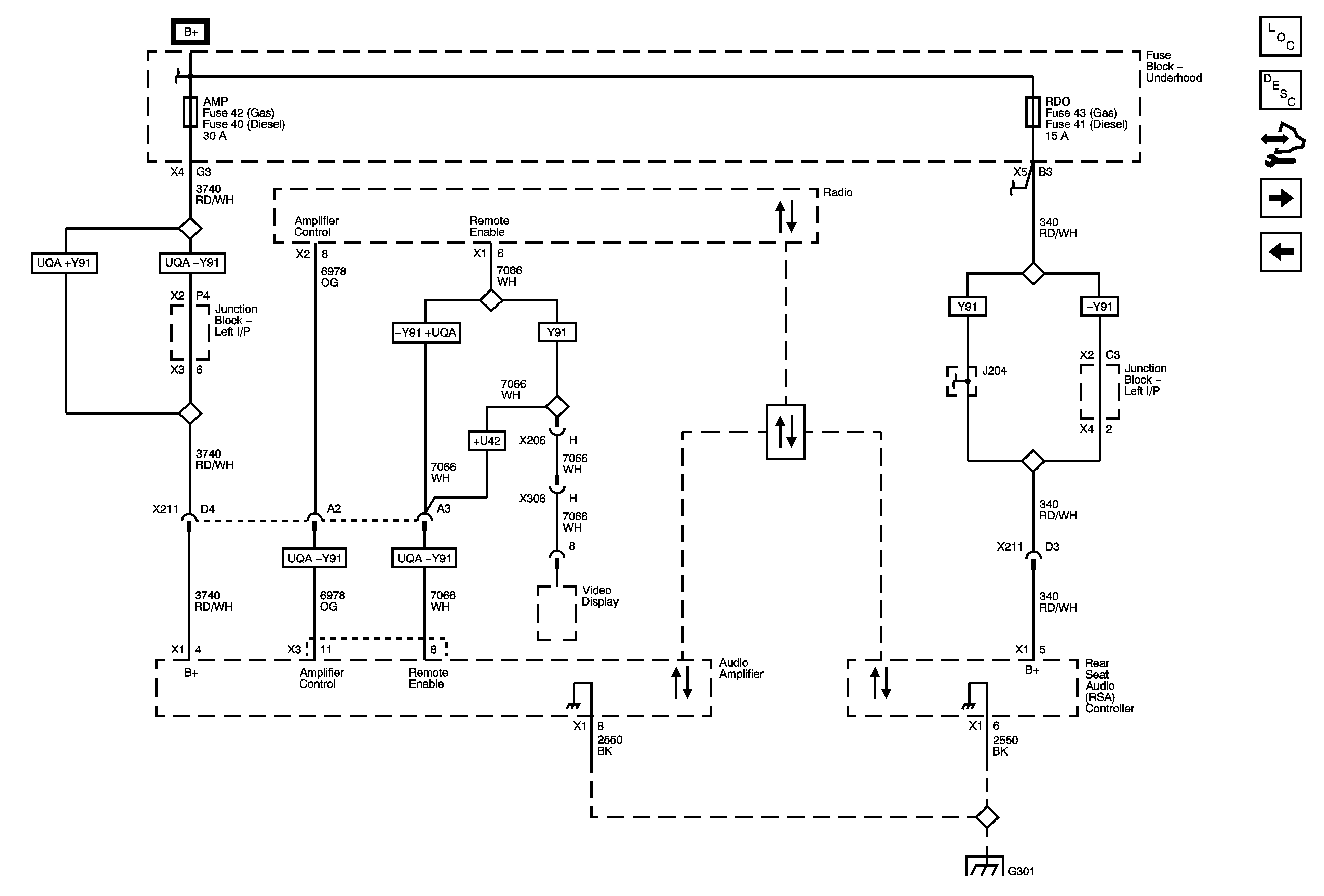
🢒 Amplifier (UQA) and Rear Seat Audio (UK6) Power, Ground and Serial Data
Amplifier (UQA) and Rear Seat Audio (UK6) Power, Ground and Serial Data
Amplifier (UQA) and Rear Seat Audio (UK6) Power, Ground and Serial Data
Master Electrical Component List
Radio/Audio System Description and Operation
Control Module References
Amplifier Inputs (UQA)
Radio Power, Ground and Serial Data
AMP, ELEC RUN BOARD, ESC/ALC EXH, EXP/PTO, INFOTMNT, and TREC Fuses
FSCM, ITBC and RDO Fuses
Low Speed Bus - 1 of 3
G301