GM Service Manual Online
For 1990-2009 cars only
Makes
🢒
Chevrolet
🢒
2007
🢒
Silverado - 2WD
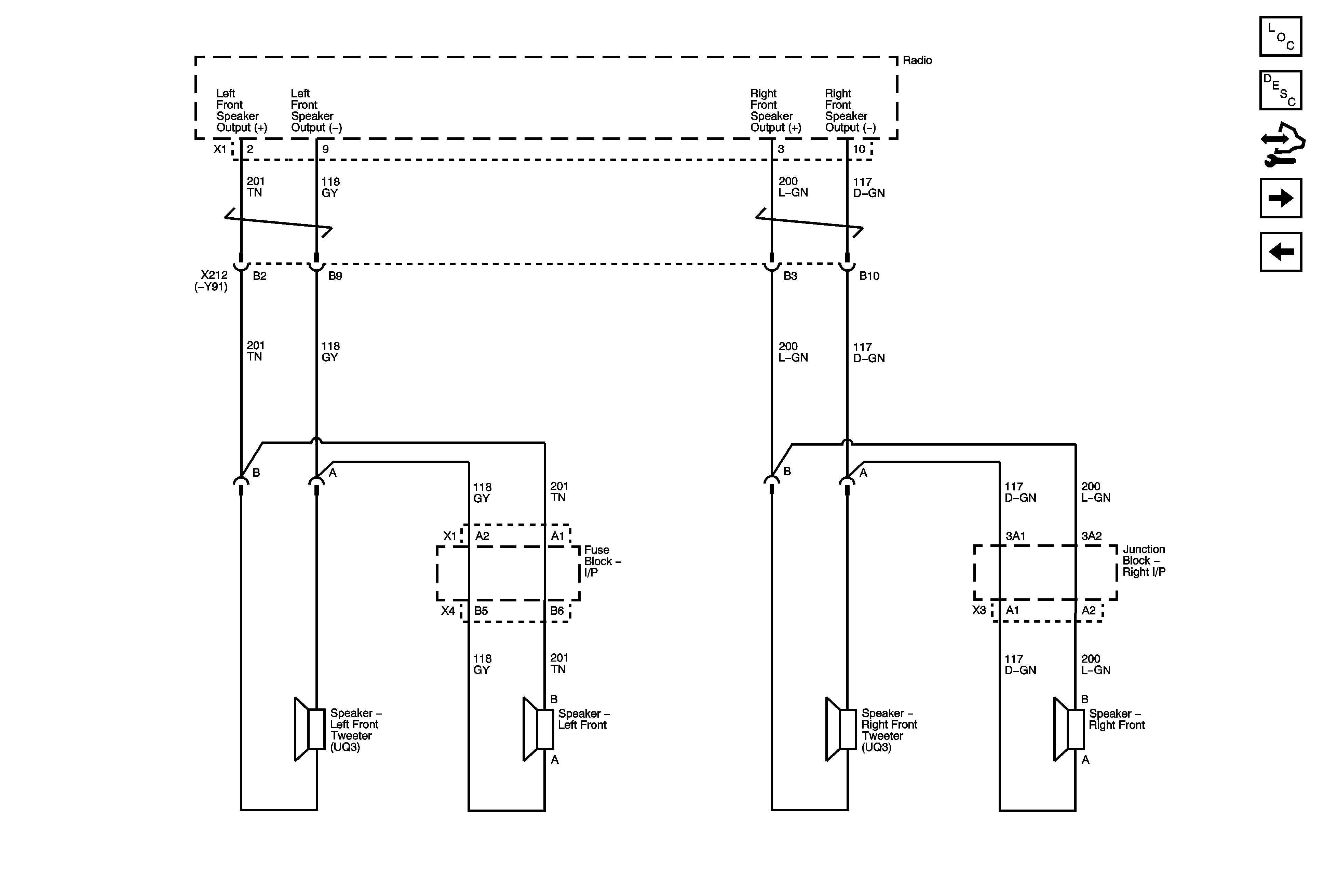
🢒 Front Speakers (UQ3/UQ5)
Front Speakers (UQ3/UQ5)
Front Speakers (UQ3/UQ5)
Master Electrical Component List
Radio/Audio System Description and Operation
Control Module References
Rear Speakers UQ3/UQ5
Amplifier Inputs (UQA)