GM Service Manual Online
For 1990-2009 cars only

Object Number: 2099359  Size: SF

Callout

Component Name

Preliminary Procedure

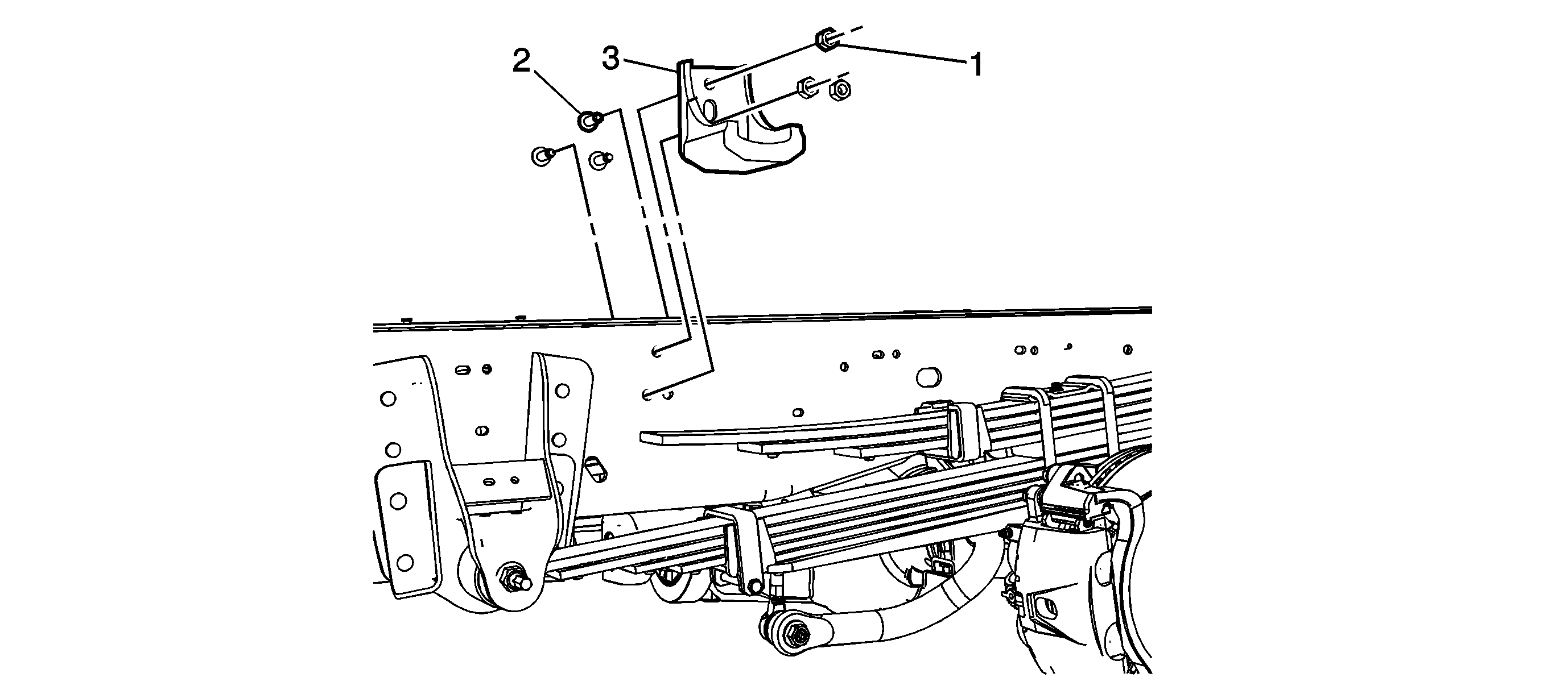
  1. Raise and support the vehicle. Refer to Lifting and Jacking the Vehicle.
  2. Remove the rear tire and wheel assembly. Refer to Tire and Wheel Removal and Installation.

1

Rear Spring Stop Bolts (Qty: 3)

Note: For the left rear front spring stop, the fuel tank must be removed to gain access to the spring stop mounting bolts. Refer to Fuel Tank Replacement

2

Rear Spring Stop Nuts (Qty: 3)

Caution: Refer to Component Fastener Tightening Caution in the Preface section.

Tighten
Tighten the bolt to 50 N·m (37 lb ft).

3

Rear Front Spring Stop