GM Service Manual Online
For 1990-2009 cars only

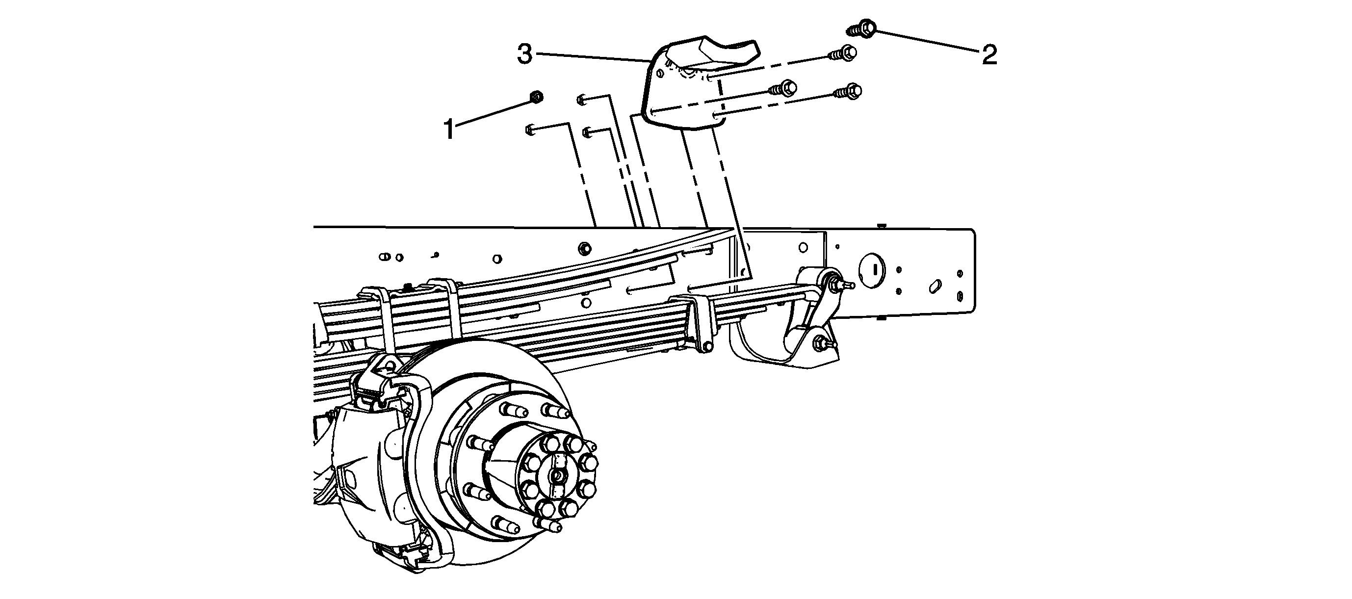
Object Number: 2099377  Size: SF

Callout

Component Name

Preliminary Procedure

  1. Raise and support the vehicle. Refer to Lifting and Jacking the Vehicle.
  2. Remove the tire and wheel assembly. Refer to Tire and Wheel Removal and Installation.

1

Rear Spring Rear Stop Nut (Qty: 4)

Note: The auxiliary fuel tank must be removed from the vehicle to gain access to the left and right rear spring stop nuts. Refer to Auxiliary Fuel Tank Replacement.

2

Rear Spring Rear Stop Bolt (Qty: 4)

Caution: Refer to Component Fastener Tightening Caution in the Preface section.

Tighten
50 N·m (37 lb ft)

3

Rear Spring Stop