GM Service Manual Online
For 1990-2009 cars only

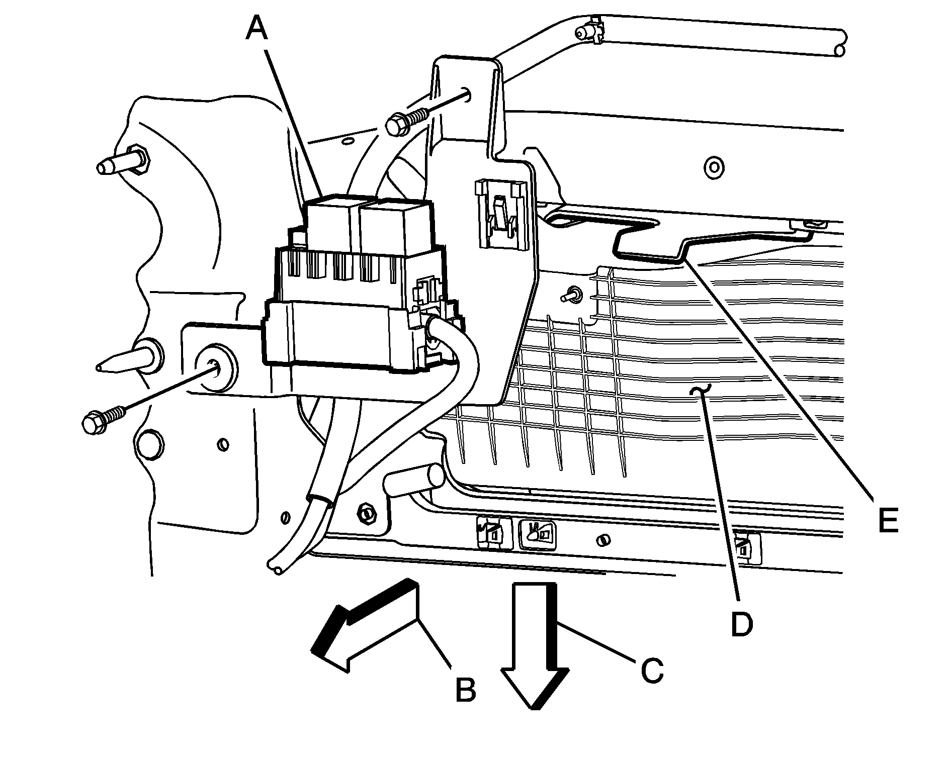
Exploded View of Instrument Panel


Object Number: 1818645  Size: B4
  1. Relays and Fuses

  2. Front of the Vehicle

  3. Floor of the Vehicle

  4. Glove Box

  5. Tab

The following information tells you how to access your vehicle's relay and fuse center for checking and replacing fuses/relays.

The fuse and relay center is located behind the right side of the glove box. Remove contents from the glove box. Push the tab on the inside of the box upward and pull the box out of the opening. Set the tray down gently toward the floor. It will hang from the hinge.

The fuse and relay center can be accessed by unscrewing the two 4 mm screws that hold the bracket to the instrument panel structure. Replace a 30  amp mini fuse with a GM Part No. 12092075 fuse, or equivalent. Use a fuse puller if your vehicle has one. Replace a relay with a GM Part No. 12193604 relay, or equivalent.

After servicing the center, reinstall the relay center to the instrument panel structure using the two screws torqued to 1.9 lb-ft. (2.5 N·m).

Reinstall the glove box into the compartment by lifting it into the instrument panel while pushing the tab upward.


Object Number: 1818644  Size: C2