GM Service Manual Online
For 1990-2009 cars only
Makes
🢒
Chevrolet
🢒
2007
🢒
Silverado - 4WD
🢒
Diagnostic Navigation
🢒
Vehicle Diagnostic Information
🢒 Passenger Seat Schematics
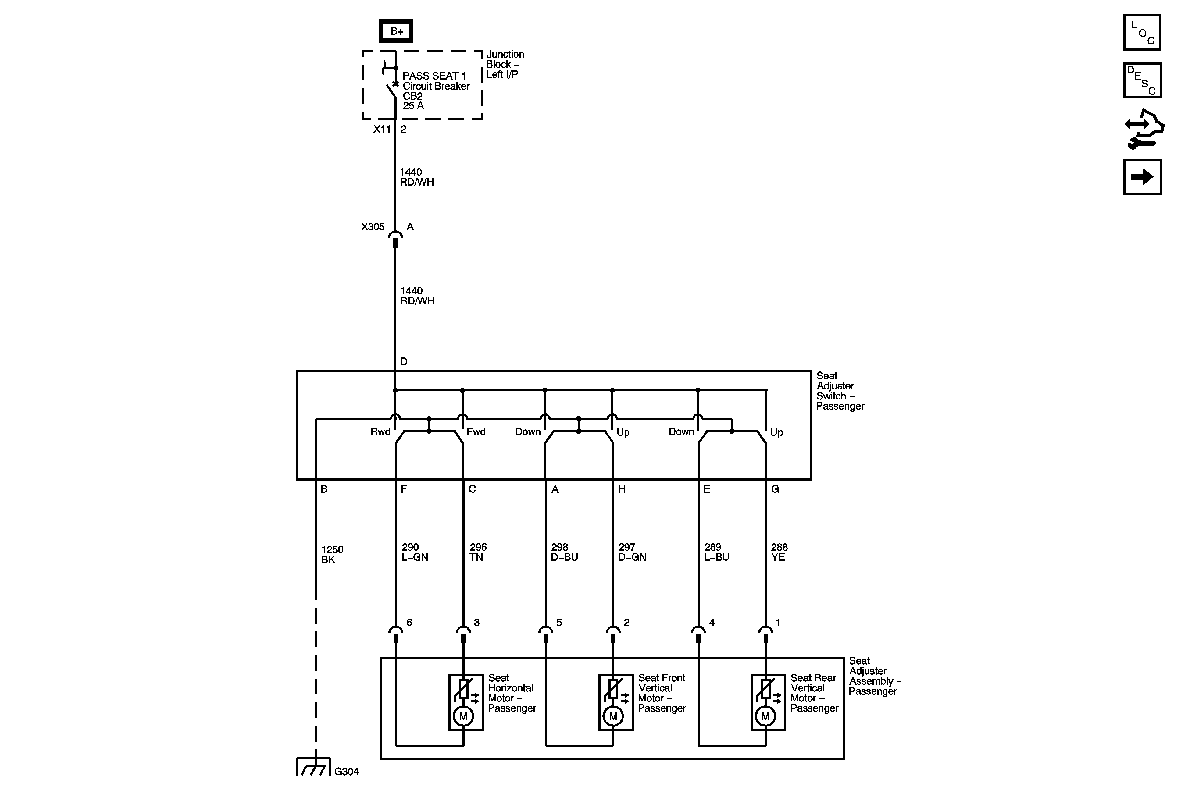
Figure
1:
6-Way Power (-AN3)
Master Electrical Component List
Power Seats System Description and Operation
Control Module References
8 - Way Power (AN3)
MBEC 1 Fuse and DRIVER SEAT 2, PASS SEAT 1, PWR REAR WNDW and RT DOORS Circuit Breakers
G303, G304, G305 and G307
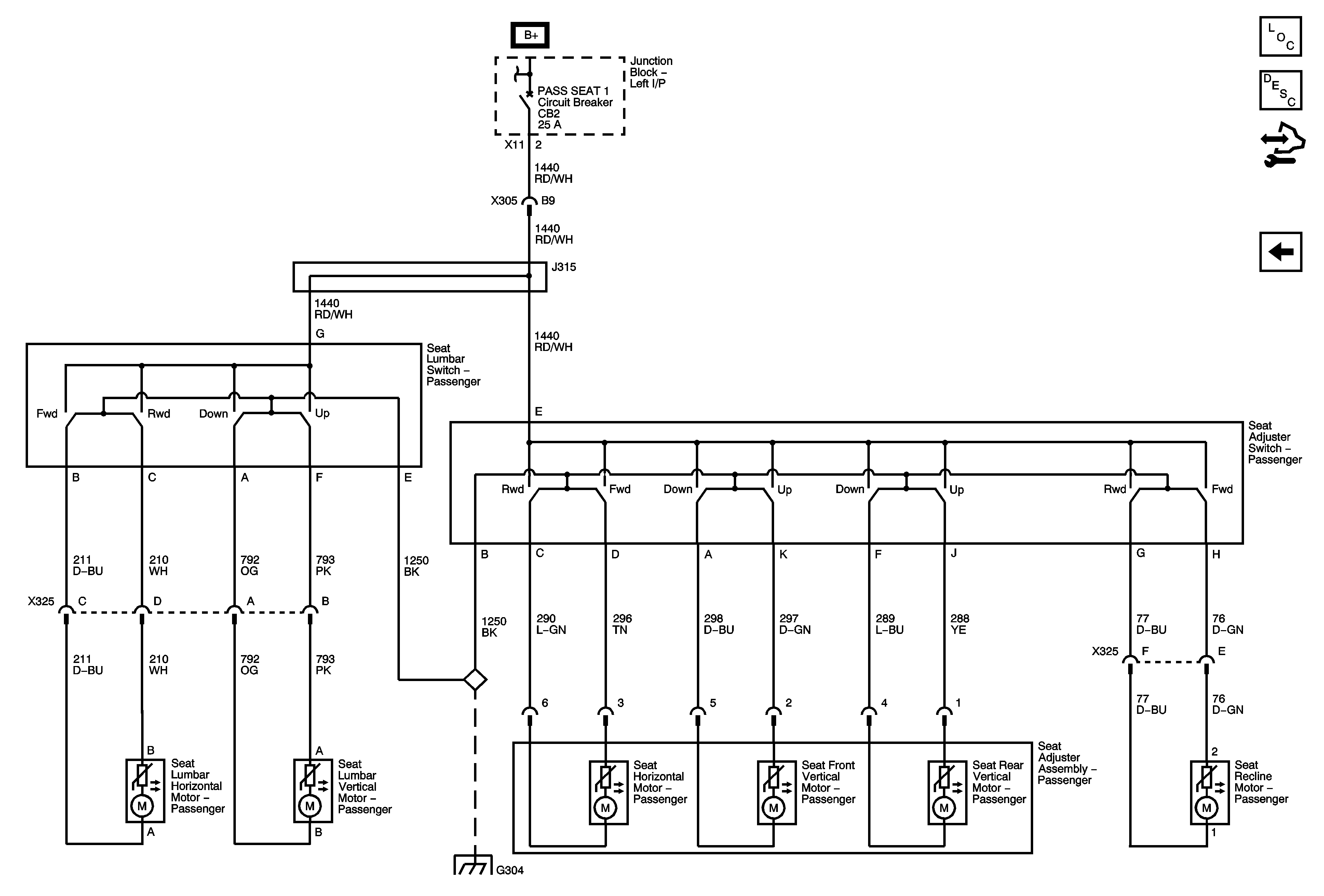
Figure
2:
8-Way Power (AN3)
Master Electrical Component List
Power Seats System Description and Operation
Control Module References
6 - Way Power (-AN3)
MBEC 1 Fuse and DRIVER SEAT 2, PASS SEAT 1, PWR REAR WNDW and RT DOORS Circuit Breakers
G303, G304, G305 and G307