GM Service Manual Online
For 1990-2009 cars only
Makes
🢒
Chevrolet
🢒
2007
🢒
Silverado - 4WD
🢒
Driver Information and Entertainment
🢒
Displays and Gages
🢒 Audible Warnings Schematics
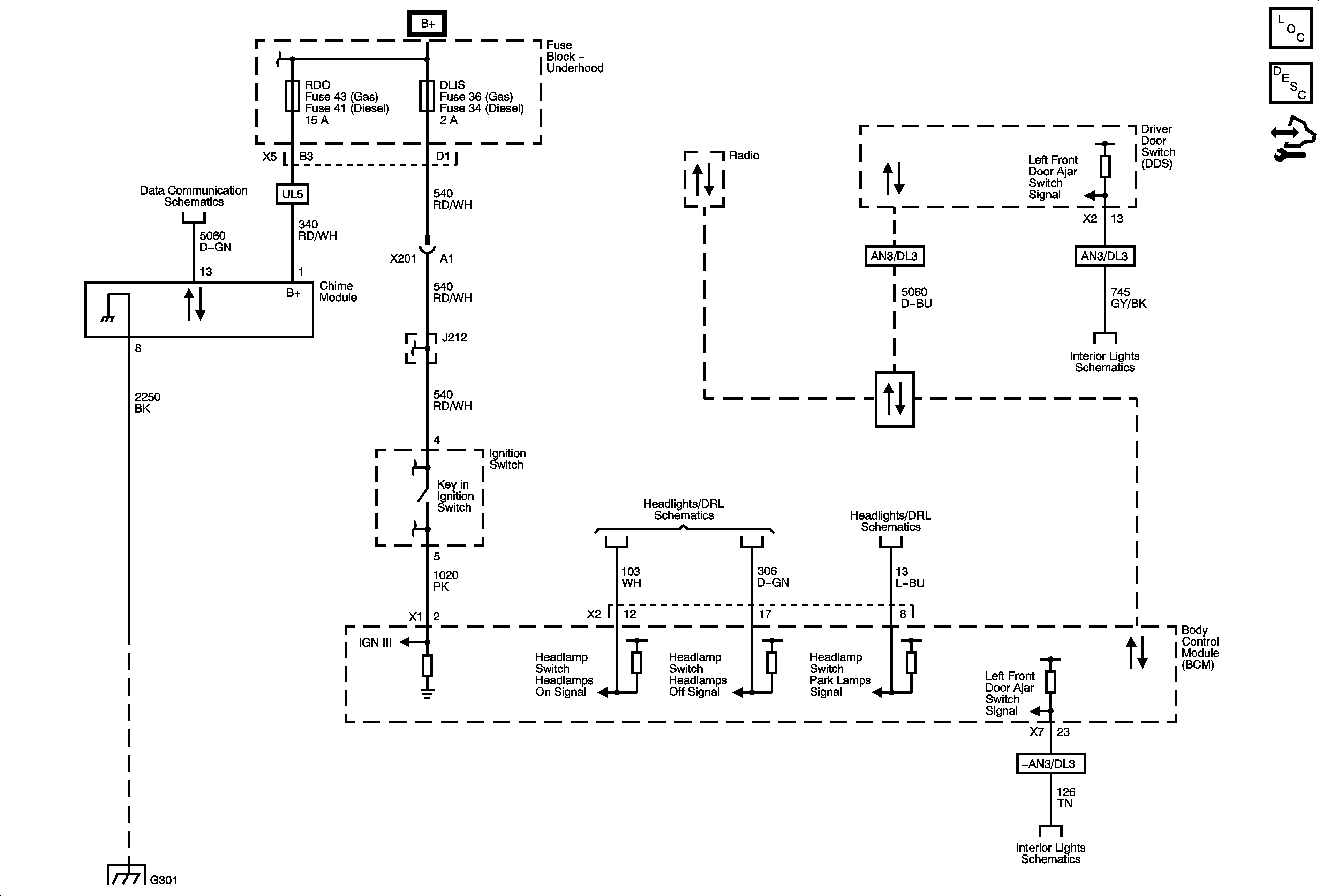
Master Electrical Component List
Audible Warnings Description and Operation
Control Module References
FSCM, ITBC and RDO Fuses
DLIS Fuse and Ignition Switch
Low Speed Bus - 1 of 3
Door Jamb Switches AN3/DL3
Low Speed Bus - 1 of 3
Headlight and Daytime Running Light Control
Headlight and Daytime Running Light Control
G301
Door Jamb Switches -AN3/DL3